LEMON Manuals: Even more car manuals for everyone: 1960-2025
Home >> Lexus >> 2010 >> IS 350C >> Repair and Diagnosis >> Electrical >> Body Electrical >> OEM System Circuits >> Adaptive Front-Lighting System or Headlight Beam Level Control >> Notes
April 5, 2026: LEMON Manuals is launched! Read the announcement.

Adaptive Front-Lighting System or Headlight Beam Level Control: Notes

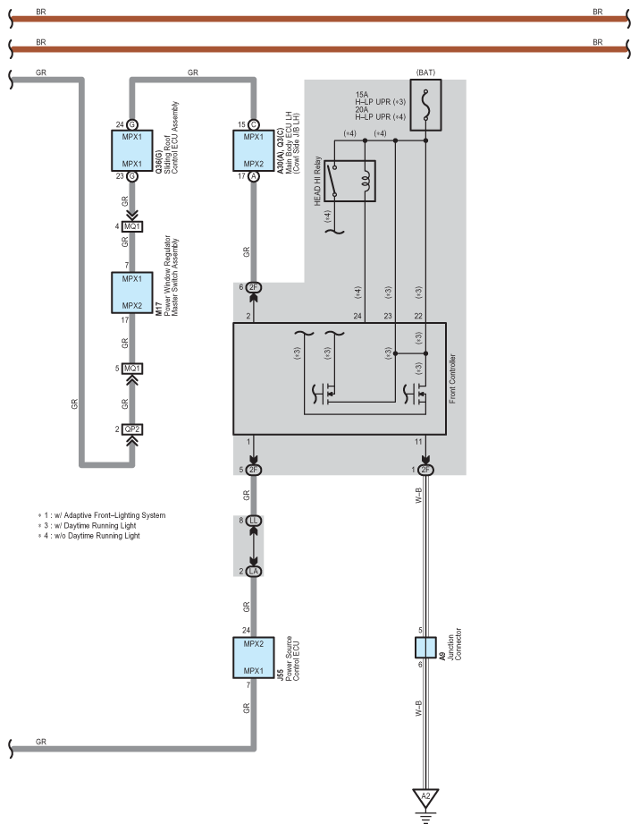
Fig 1: Adaptive Front-Lighting System Or Headlight Beam Level Control - Circuit Diagram (1 Of 8)
G07567157Courtesy of © TOYOTA, LICENSE AGREEMENT TMS1002
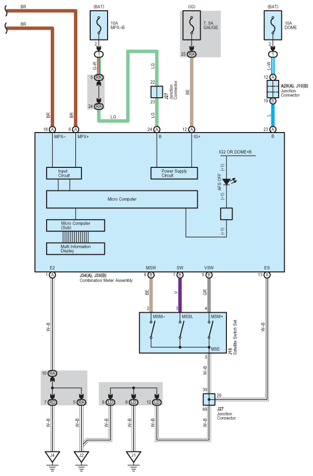
Fig 2: Adaptive Front-Lighting System Or Headlight Beam Level Control - Circuit Diagram (2 Of 8)
G07567158Courtesy of © TOYOTA, LICENSE AGREEMENT TMS1002
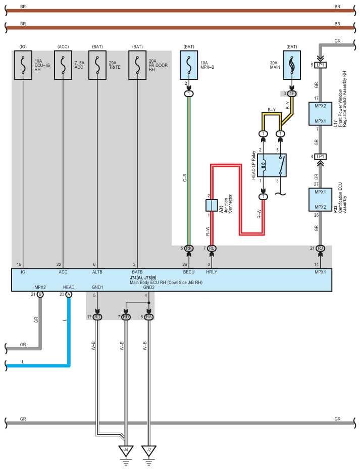
Fig 3: Adaptive Front-Lighting System Or Headlight Beam Level Control - Circuit Diagram (3 Of 8)
G07567159Courtesy of © TOYOTA, LICENSE AGREEMENT TMS1002
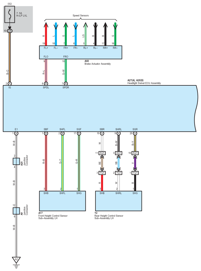
Fig 4: Adaptive Front-Lighting System Or Headlight Beam Level Control - Circuit Diagram (4 Of 8)
G07567160Courtesy of © TOYOTA, LICENSE AGREEMENT TMS1002
Fig 5: Adaptive Front-Lighting System Or Headlight Beam Level Control - Circuit Diagram (5 Of 8)
G07567161Courtesy of © TOYOTA, LICENSE AGREEMENT TMS1002
Fig 6: Adaptive Front-Lighting System Or Headlight Beam Level Control - Circuit Diagram (6 Of 8)
G07567162Courtesy of © TOYOTA, LICENSE AGREEMENT TMS1002
Fig 7: Adaptive Front-Lighting System Or Headlight Beam Level Control - Circuit Diagram (7 Of 8)
G07567163Courtesy of © TOYOTA, LICENSE AGREEMENT TMS1002
Fig 8: Adaptive Front-Lighting System Or Headlight Beam Level Control - Circuit Diagram (8 Of 8)
G07567164Courtesy of © TOYOTA, LICENSE AGREEMENT TMS1002