LEMON Manuals: Even more car manuals for everyone: 1960-2025
Home >> Lexus >> 2010 >> IS 350C >> Repair and Diagnosis >> Electrical >> Body Electrical >> OEM System Circuits >> Illumination >> Notes
April 5, 2026: LEMON Manuals is launched! Read the announcement.

OEM System Circuits: Illumination: Notes

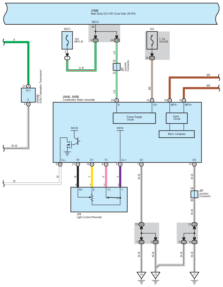
Fig 1: Turn Signal And Hazard Warning Light - Circuit Diagram (6 Of 13)
G07567124Courtesy of © TOYOTA, LICENSE AGREEMENT TMS1002
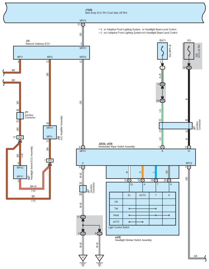
Fig 2: Turn Signal And Hazard Warning Light - Circuit Diagram (7 Of 13)
G07567125Courtesy of © TOYOTA, LICENSE AGREEMENT TMS1002
Fig 3: Turn Signal And Hazard Warning Light - Circuit Diagram (8 Of 13)
G07567126Courtesy of © TOYOTA, LICENSE AGREEMENT TMS1002
Fig 4: Turn Signal And Hazard Warning Light - Circuit Diagram (9 Of 13)
G07567127Courtesy of © TOYOTA, LICENSE AGREEMENT TMS1002
Fig 5: Turn Signal And Hazard Warning Light - Circuit Diagram (10 Of 13)
G07567128Courtesy of © TOYOTA, LICENSE AGREEMENT TMS1002
Fig 6: Turn Signal And Hazard Warning Light - Circuit Diagram (11 Of 13)
G07567129Courtesy of © TOYOTA, LICENSE AGREEMENT TMS1002
Fig 7: Turn Signal And Hazard Warning Light - Circuit Diagram (12 Of 13)
G07567130Courtesy of © TOYOTA, LICENSE AGREEMENT TMS1002
Fig 8: Turn Signal And Hazard Warning Light - Circuit Diagram (13 Of 13)
G07567131Courtesy of © TOYOTA, LICENSE AGREEMENT TMS1002