LEMON Manuals: Even more car manuals for everyone: 1960-2025
Home >> Lexus >> 2010 >> IS 350C >> Repair and Diagnosis >> Electrical >> Body Electrical >> OEM System Circuits >> Interior Light >> Notes
April 5, 2026: LEMON Manuals is launched! Read the announcement.

Interior Light: Notes

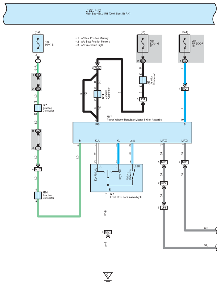
Fig 1: Interior Light - Circuit Diagram (1 Of 11)
G07567108Courtesy of © TOYOTA, LICENSE AGREEMENT TMS1002
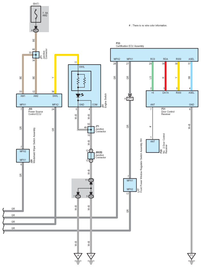
Fig 2: Interior Light - Circuit Diagram (2 Of 11)
G07567109Courtesy of © TOYOTA, LICENSE AGREEMENT TMS1002
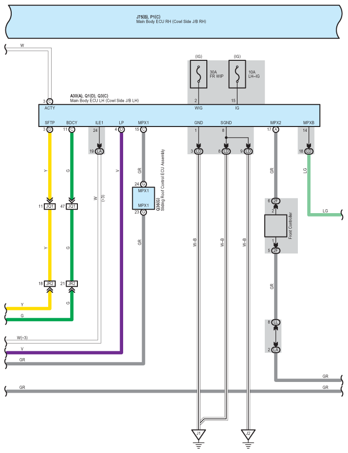
Fig 3: Interior Light - Circuit Diagram (3 Of 11)
G07567110Courtesy of © TOYOTA, LICENSE AGREEMENT TMS1002
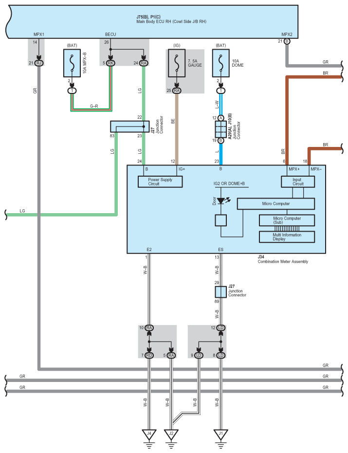
Fig 4: Interior Light - Circuit Diagram (4 Of 11)
G07567111Courtesy of © TOYOTA, LICENSE AGREEMENT TMS1002
Fig 5: Interior Light - Circuit Diagram (5 Of 11)
G07567112Courtesy of © TOYOTA, LICENSE AGREEMENT TMS1002
Fig 6: Interior Light - Circuit Diagram (6 Of 11)
G07567113Courtesy of © TOYOTA, LICENSE AGREEMENT TMS1002
Fig 7: Interior Light - Circuit Diagram (7 Of 11)
G07567114Courtesy of © TOYOTA, LICENSE AGREEMENT TMS1002
Fig 8: Interior Light - Circuit Diagram (8 Of 11)
G07567115Courtesy of © TOYOTA, LICENSE AGREEMENT TMS1002
Fig 9: Interior Light - Circuit Diagram (9 Of 11)
G07567116Courtesy of © TOYOTA, LICENSE AGREEMENT TMS1002
Fig 10: Interior Light - Circuit Diagram (10 Of 11)
G07567117Courtesy of © TOYOTA, LICENSE AGREEMENT TMS1002
Fig 11: Interior Light - Circuit Diagram (11 Of 11)
G07567118Courtesy of © TOYOTA, LICENSE AGREEMENT TMS1002