LEMON Manuals: Even more car manuals for everyone: 1960-2025
Home >> Lexus >> 2010 >> IS 350C >> Repair and Diagnosis >> Electrical >> Body Electrical >> OEM System Circuits >> Retractable Hardtop >> Notes
April 5, 2026: LEMON Manuals is launched! Read the announcement.

Retractable Hardtop: Notes

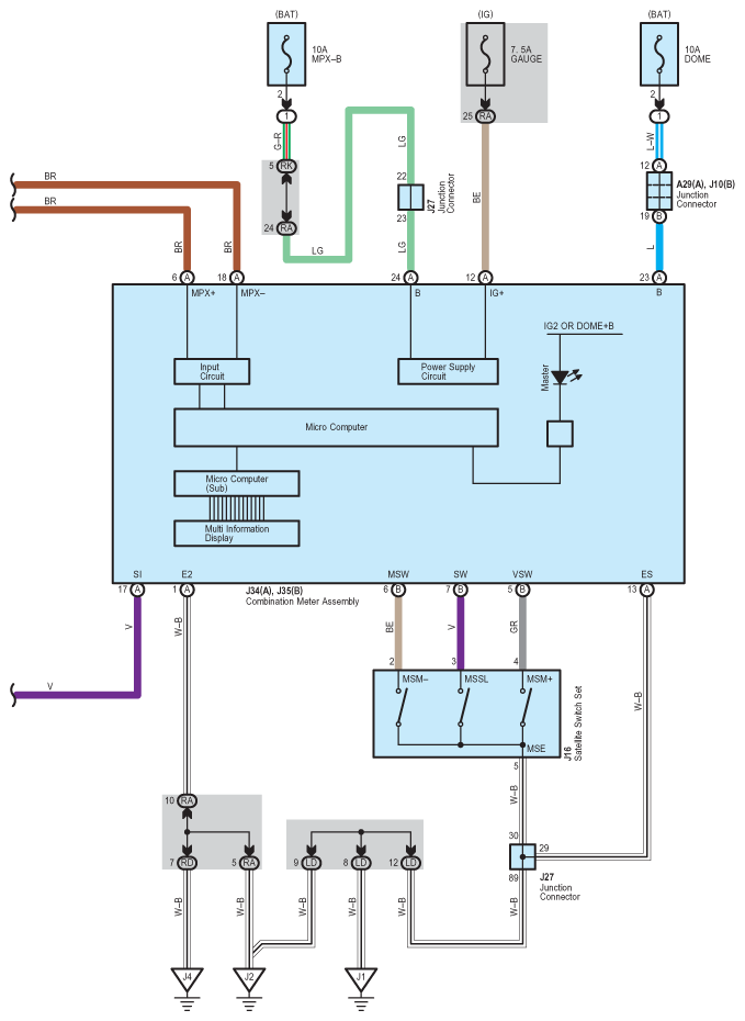
Fig 1: Retractable Hardtop - Circuit Diagram (1 Of 19)
G07567291Courtesy of © TOYOTA, LICENSE AGREEMENT TMS1002
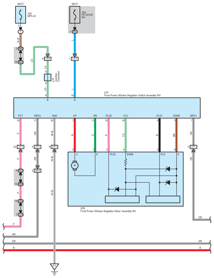
Fig 2: Retractable Hardtop - Circuit Diagram (2 Of 19)
G07567292Courtesy of © TOYOTA, LICENSE AGREEMENT TMS1002
Fig 3: Retractable Hardtop - Circuit Diagram (3 Of 19)
G07567293Courtesy of © TOYOTA, LICENSE AGREEMENT TMS1002
Fig 4: Retractable Hardtop - Circuit Diagram (4 Of 19)
G07567294Courtesy of © TOYOTA, LICENSE AGREEMENT TMS1002
Fig 5: Retractable Hardtop - Circuit Diagram (5 Of 19)
G07567295Courtesy of © TOYOTA, LICENSE AGREEMENT TMS1002
Fig 6: Retractable Hardtop - Circuit Diagram (6 Of 19)
G07567296Courtesy of © TOYOTA, LICENSE AGREEMENT TMS1002
Fig 7: Retractable Hardtop - Circuit Diagram (7 Of 19)
G07567297Courtesy of © TOYOTA, LICENSE AGREEMENT TMS1002
Fig 8: Retractable Hardtop - Circuit Diagram (8 Of 19)
G07567298Courtesy of © TOYOTA, LICENSE AGREEMENT TMS1002
Fig 9: Retractable Hardtop - Circuit Diagram (9 Of 19)
G07567299Courtesy of © TOYOTA, LICENSE AGREEMENT TMS1002
Fig 10: Retractable Hardtop - Circuit Diagram (10 Of 19)
G07567300Courtesy of © TOYOTA, LICENSE AGREEMENT TMS1002
Fig 11: Retractable Hardtop - Circuit Diagram (11 Of 19)
G07567301Courtesy of © TOYOTA, LICENSE AGREEMENT TMS1002
Fig 12: Retractable Hardtop - Circuit Diagram (12 Of 19)
G07567302Courtesy of © TOYOTA, LICENSE AGREEMENT TMS1002
Fig 13: Retractable Hardtop - Circuit Diagram (13 Of 19)
G07567303Courtesy of © TOYOTA, LICENSE AGREEMENT TMS1002
Fig 14: Retractable Hardtop - Circuit Diagram (14 Of 19)
G07567304Courtesy of © TOYOTA, LICENSE AGREEMENT TMS1002
Fig 15: Retractable Hardtop - Circuit Diagram (15 Of 19)
G07567305Courtesy of © TOYOTA, LICENSE AGREEMENT TMS1002
Fig 16: Retractable Hardtop - Circuit Diagram (16 Of 19)
G07567306Courtesy of © TOYOTA, LICENSE AGREEMENT TMS1002
Fig 17: Retractable Hardtop - Circuit Diagram (17 Of 19)
G07567307Courtesy of © TOYOTA, LICENSE AGREEMENT TMS1002
Fig 18: Retractable Hardtop - Circuit Diagram (18 Of 19)
G07567308Courtesy of © TOYOTA, LICENSE AGREEMENT TMS1002
Fig 19: Retractable Hardtop - Circuit Diagram (19 Of 19)
G07567309Courtesy of © TOYOTA, LICENSE AGREEMENT TMS1002