LEMON Manuals: Even more car manuals for everyone: 1960-2025
Home >> Lexus >> 2010 >> IS F >> Repair and Diagnosis >> Electrical >> Body Electrical >> OEM System Circuits >> Combination Meter >> Notes
April 5, 2026: LEMON Manuals is launched! Read the announcement.

Combination Meter: Notes

Fig 1: Combination Meter - Circuit Diagram (1 Of 9)
G07561414Courtesy of © TOYOTA, LICENSE AGREEMENT TMS1002
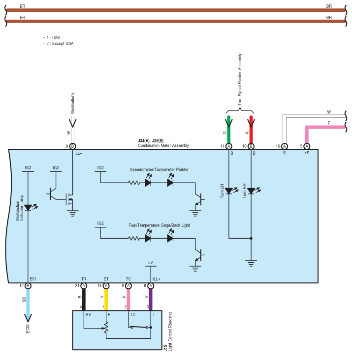
Fig 2: Combination Meter - Circuit Diagram (2 Of 9)
G07561415Courtesy of © TOYOTA, LICENSE AGREEMENT TMS1002
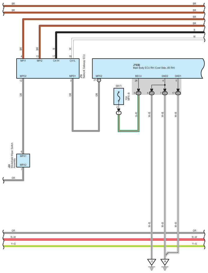
Fig 3: Combination Meter - Circuit Diagram (3 Of 9)
G07561416Courtesy of © TOYOTA, LICENSE AGREEMENT TMS1002
Fig 4: Combination Meter - Circuit Diagram (4 Of 9)
G07561417Courtesy of © TOYOTA, LICENSE AGREEMENT TMS1002
Fig 5: Combination Meter - Circuit Diagram (5 Of 9)
G07561418Courtesy of © TOYOTA, LICENSE AGREEMENT TMS1002
Fig 6: Combination Meter - Circuit Diagram (6 Of 9)
G07561419Courtesy of © TOYOTA, LICENSE AGREEMENT TMS1002
Fig 7: Combination Meter - Circuit Diagram (7 Of 9)
G07561420Courtesy of © TOYOTA, LICENSE AGREEMENT TMS1002
Fig 8: Combination Meter - Circuit Diagram (8 Of 9)
G07561421Courtesy of © TOYOTA, LICENSE AGREEMENT TMS1002
Fig 9: Combination Meter - Circuit Diagram (9 Of 9)
G07561422Courtesy of © TOYOTA, LICENSE AGREEMENT TMS1002