LEMON Manuals: Even more car manuals for everyone: 1960-2025
Home >> Lexus >> 2010 >> IS F >> Repair and Diagnosis >> Electrical >> Body Electrical >> OEM System Circuits >> Cruise Control >> Notes
April 5, 2026: LEMON Manuals is launched! Read the announcement.

Cruise Control: Notes

Fig 1: Cruise Control - Circuit Diagram (1 Of 10)
G07561296Courtesy of © TOYOTA, LICENSE AGREEMENT TMS1002
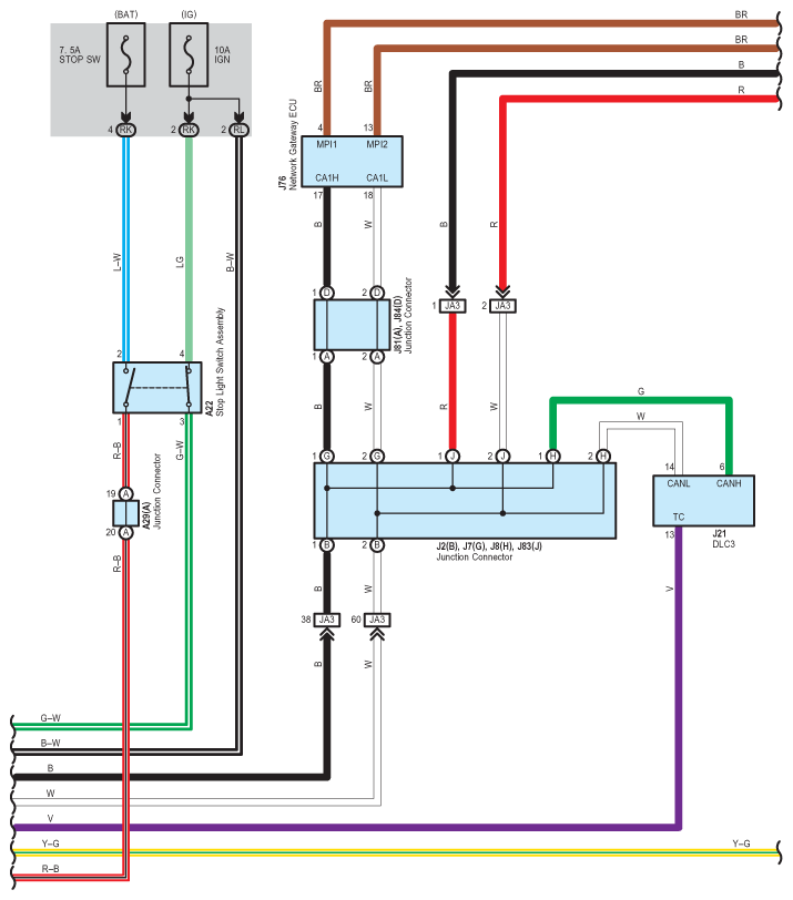
Fig 2: Cruise Control - Circuit Diagram (2 Of 10)
G07561297Courtesy of © TOYOTA, LICENSE AGREEMENT TMS1002
Fig 3: Cruise Control - Circuit Diagram (3 Of 10)
G07561298Courtesy of © TOYOTA, LICENSE AGREEMENT TMS1002
Fig 4: Cruise Control - Circuit Diagram (4 Of 10)
G07561299Courtesy of © TOYOTA, LICENSE AGREEMENT TMS1002
Fig 5: Cruise Control - Circuit Diagram (5 Of 10)
G07561300Courtesy of © TOYOTA, LICENSE AGREEMENT TMS1002
Fig 6: Cruise Control - Circuit Diagram (6 Of 10)
G07561301Courtesy of © TOYOTA, LICENSE AGREEMENT TMS1002
Fig 7: Cruise Control - Circuit Diagram (7 Of 10)
G07561302Courtesy of © TOYOTA, LICENSE AGREEMENT TMS1002
Fig 8: Cruise Control - Circuit Diagram (8 Of 10)
G07561303Courtesy of © TOYOTA, LICENSE AGREEMENT TMS1002
Fig 9: Cruise Control - Circuit Diagram (9 Of 10)
G07561304Courtesy of © TOYOTA, LICENSE AGREEMENT TMS1002
Fig 10: Cruise Control - Circuit Diagram (10 Of 10)
G07561305Courtesy of © TOYOTA, LICENSE AGREEMENT TMS1002