LEMON Manuals: Even more car manuals for everyone: 1960-2025
Home >> Lexus >> 2010 >> IS F >> Repair and Diagnosis >> Electrical >> Body Electrical >> OEM System Circuits >> Front Fog Light >> Notes
April 5, 2026: LEMON Manuals is launched! Read the announcement.

Front Fog Light: Notes

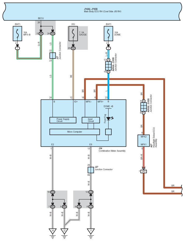
Fig 1: Front Fog Light - Circuit Diagram (1 Of 5)
G07561229Courtesy of © TOYOTA, LICENSE AGREEMENT TMS1002
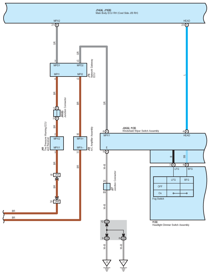
Fig 2: Front Fog Light - Circuit Diagram (2 Of 5)
G07561230Courtesy of © TOYOTA, LICENSE AGREEMENT TMS1002
Fig 3: Front Fog Light - Circuit Diagram (3 Of 5)
G07561231Courtesy of © TOYOTA, LICENSE AGREEMENT TMS1002
Fig 4: Front Fog Light - Circuit Diagram (4 Of 5)
G07561232Courtesy of © TOYOTA, LICENSE AGREEMENT TMS1002
Fig 5: Front Fog Light - Circuit Diagram (5 Of 5)
G07561233Courtesy of © TOYOTA, LICENSE AGREEMENT TMS1002