LEMON Manuals: Even more car manuals for everyone: 1960-2025
Home >> Lexus >> 2010 >> IS F >> Repair and Diagnosis >> Electrical >> Body Electrical >> OEM System Circuits >> Illumination >> Notes
April 5, 2026: LEMON Manuals is launched! Read the announcement.

OEM System Circuits: Illumination: Notes

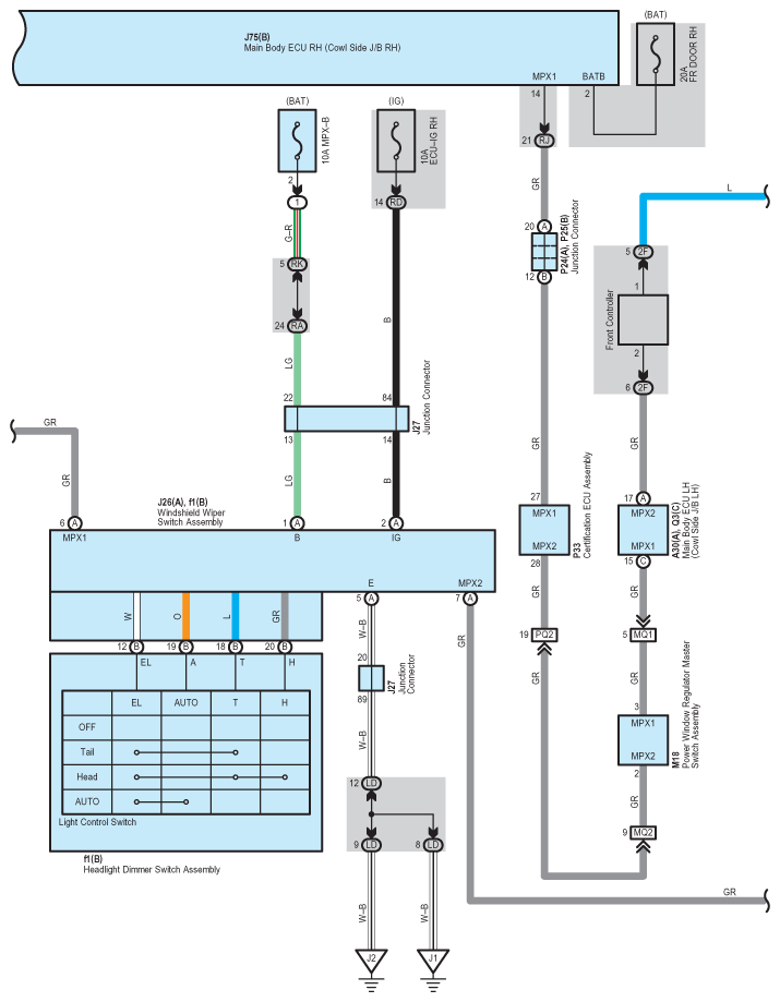
Fig 1: Illumination - Circuit Diagram (1 Of 8)
G07561209Courtesy of © TOYOTA, LICENSE AGREEMENT TMS1002
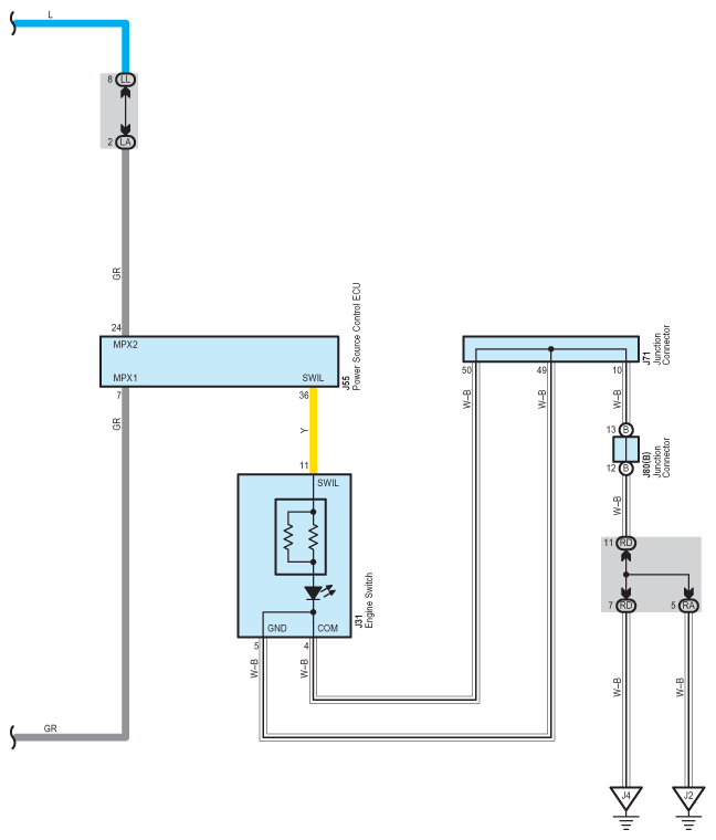
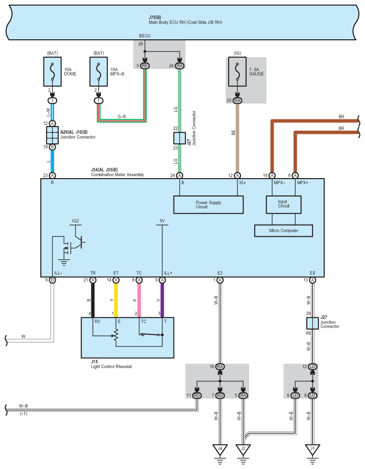
Fig 2: Illumination - Circuit Diagram (2 Of 8)
G07561210Courtesy of © TOYOTA, LICENSE AGREEMENT TMS1002
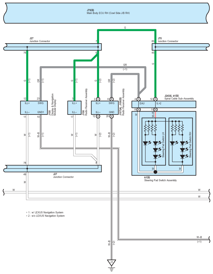
Fig 3: Illumination - Circuit Diagram (3 Of 8)
G07561211Courtesy of © TOYOTA, LICENSE AGREEMENT TMS1002
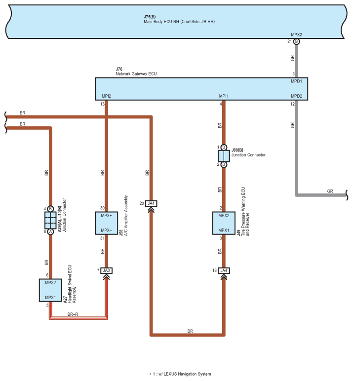
Fig 4: Illumination - Circuit Diagram (4 Of 8)
G07561212Courtesy of © TOYOTA, LICENSE AGREEMENT TMS1002
Fig 5: Illumination - Circuit Diagram (5 Of 8)
G07561213Courtesy of © TOYOTA, LICENSE AGREEMENT TMS1002
Fig 6: Illumination - Circuit Diagram (6 Of 8)
G07561214Courtesy of © TOYOTA, LICENSE AGREEMENT TMS1002
Fig 7: Illumination - Circuit Diagram (7 Of 8)
G07561215Courtesy of © TOYOTA, LICENSE AGREEMENT TMS1002
Fig 8: Illumination - Circuit Diagram (8 Of 8)
G07561216Courtesy of © TOYOTA, LICENSE AGREEMENT TMS1002