LEMON Manuals: Even more car manuals for everyone: 1960-2025
Home >> Lexus >> 2010 >> IS F >> Repair and Diagnosis >> Electrical >> Body Electrical >> OEM System Circuits >> Vehicle Dynamics Integrated Management >> Notes
April 5, 2026: LEMON Manuals is launched! Read the announcement.

Vehicle Dynamics Integrated Management: Notes

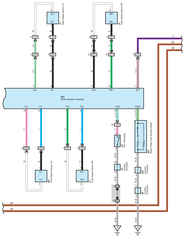
Fig 1: Vehicle Dynamics Integrated Management - Circuit Diagram (1 Of 7)
G07561306Courtesy of © TOYOTA, LICENSE AGREEMENT TMS1002
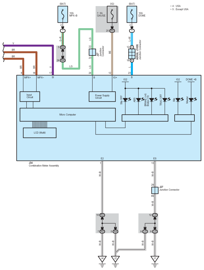
Fig 2: Vehicle Dynamics Integrated Management - Circuit Diagram (2 Of 7)
G07561307Courtesy of © TOYOTA, LICENSE AGREEMENT TMS1002
Fig 3: Vehicle Dynamics Integrated Management - Circuit Diagram (3 Of 7)
G07561308Courtesy of © TOYOTA, LICENSE AGREEMENT TMS1002
Fig 4: Vehicle Dynamics Integrated Management - Circuit Diagram (4 Of 7)
G07561309Courtesy of © TOYOTA, LICENSE AGREEMENT TMS1002
Fig 5: Vehicle Dynamics Integrated Management - Circuit Diagram (5 Of 7)
G07561310Courtesy of © TOYOTA, LICENSE AGREEMENT TMS1002
Fig 6: Vehicle Dynamics Integrated Management - Circuit Diagram (6 Of 7)
G07561311Courtesy of © TOYOTA, LICENSE AGREEMENT TMS1002
Fig 7: Vehicle Dynamics Integrated Management - Circuit Diagram (7 Of 7)
G07561312Courtesy of © TOYOTA, LICENSE AGREEMENT TMS1002