LEMON Manuals: Even more car manuals for everyone: 1960-2025
Home >> Lexus >> 2010 >> SC 430 >> Repair and Diagnosis >> Electrical >> Body Electrical >> OEM System Circuits >> Remote Control Mirror >> Notes
April 5, 2026: LEMON Manuals is launched! Read the announcement.

Remote Control Mirror: Notes

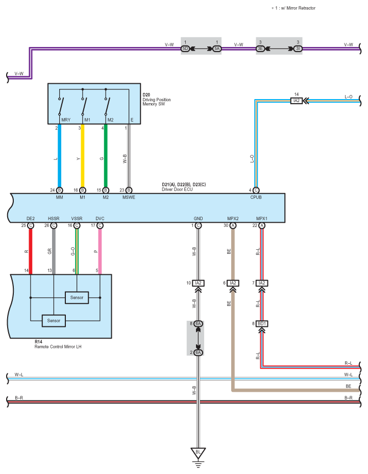
Fig 1: Remote Control Mirror - Circuit Diagram (1 Of 5)
G07605964Courtesy of © TOYOTA, LICENSE AGREEMENT TMS1002
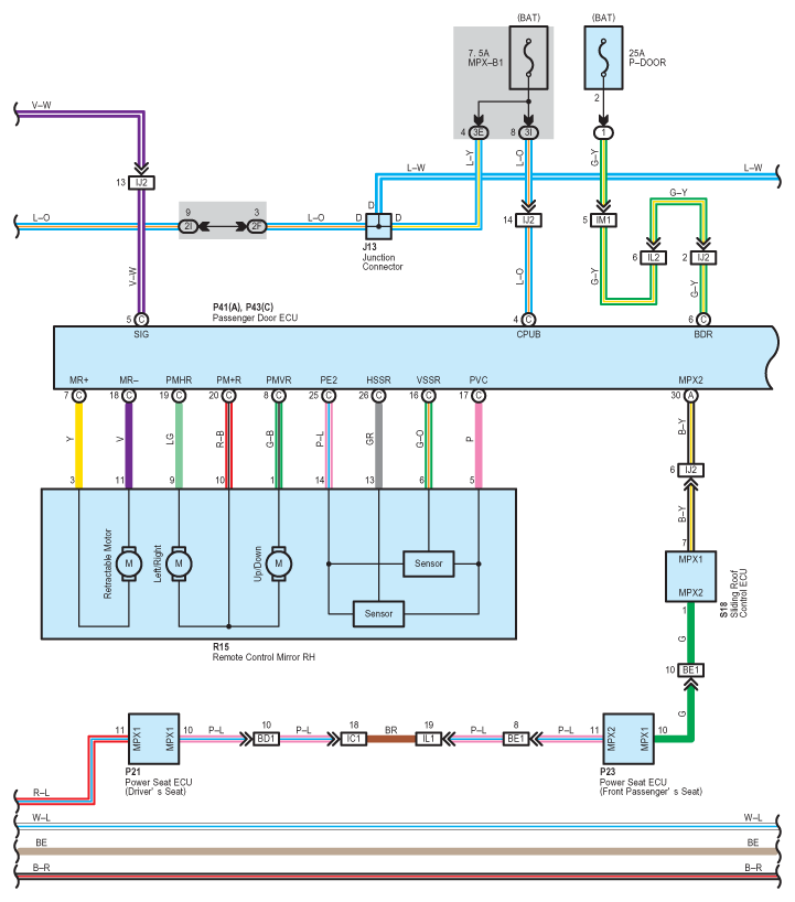
Fig 2: Remote Control Mirror - Circuit Diagram (2 Of 5)
G07605965Courtesy of © TOYOTA, LICENSE AGREEMENT TMS1002
Fig 3: Remote Control Mirror - Circuit Diagram (3 Of 5)
G07605966Courtesy of © TOYOTA, LICENSE AGREEMENT TMS1002
Fig 4: Remote Control Mirror - Circuit Diagram (4 Of 5)
G07605967Courtesy of © TOYOTA, LICENSE AGREEMENT TMS1002
Fig 5: Remote Control Mirror - Circuit Diagram (5 Of 5)
G07605968Courtesy of © TOYOTA, LICENSE AGREEMENT TMS1002