LEMON Manuals: Even more car manuals for everyone: 1960-2025
Home >> Lexus >> 2011 >> CT 200h >> Repair and Diagnosis (Single Page) >> Electrical >> Body Electrical >> OEM System Circuits >> Audio System (w/o LEXUS Navigation System w/o Stereo Component Amplifier) >> Notes
April 5, 2026: LEMON Manuals is launched! Read the announcement.

Audio System (w/o LEXUS Navigation System w/o Stereo Component Amplifier): Notes

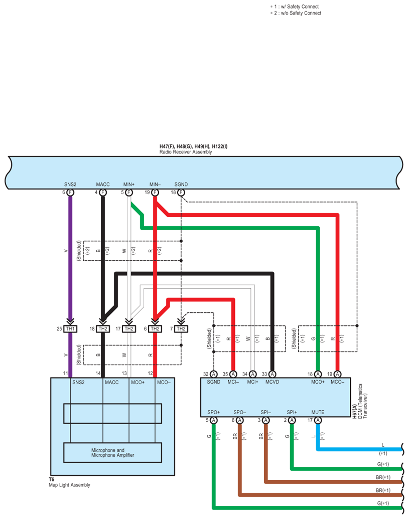
Fig 1: Audio System (W/O Lexus Navigation System W/O Stereo Component Amplifier) - Wiring Diagram (1 Of 5)
G07777197Courtesy of © TOYOTA, LICENSE AGREEMENT TMS1002
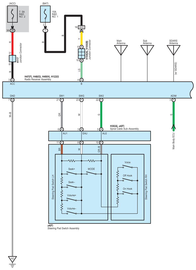
Fig 2: Audio System (W/O Lexus Navigation System W/O Stereo Component Amplifier) - Wiring Diagram (2 Of 5)
G07777198Courtesy of © TOYOTA, LICENSE AGREEMENT TMS1002
Fig 3: Audio System (W/O Lexus Navigation System W/O Stereo Component Amplifier) - Wiring Diagram (3 Of 5)
G07777199Courtesy of © TOYOTA, LICENSE AGREEMENT TMS1002
Fig 4: Audio System (W/O Lexus Navigation System W/O Stereo Component Amplifier) - Wiring Diagram (4 Of 5)
G07777200Courtesy of © TOYOTA, LICENSE AGREEMENT TMS1002
Fig 5: Audio System (W/O Lexus Navigation System W/O Stereo Component Amplifier) - Wiring Diagram (5 Of 5)
G07777201Courtesy of © TOYOTA, LICENSE AGREEMENT TMS1002