LEMON Manuals: Even more car manuals for everyone: 1960-2025
Home >> Lexus >> 2011 >> ES 350 >> Repair and Diagnosis >> Electrical >> Body Electrical >> OEM System Circuits >> Adaptive Front-Lighting System >> Notes
April 5, 2026: LEMON Manuals is launched! Read the announcement.

Adaptive Front-Lighting System: Notes

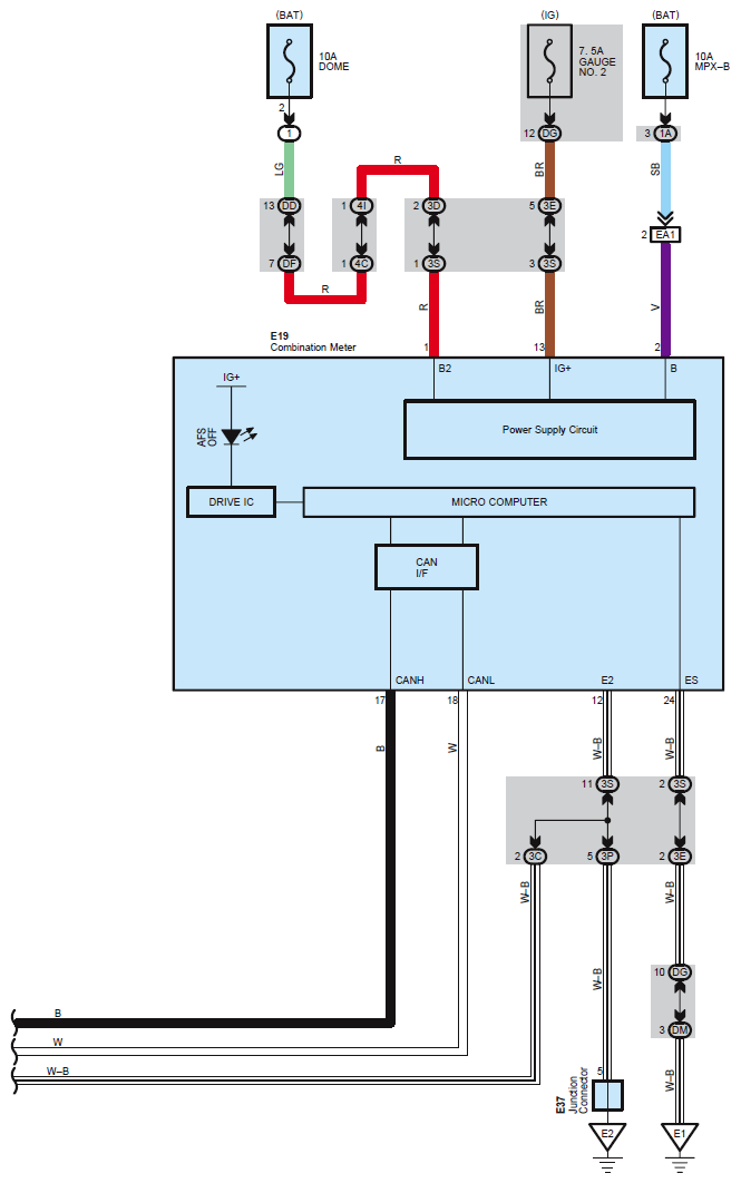
Fig 1: Adaptive Front-Lighting System - Circuit Diagram (1 Of 4)
G07569610Courtesy of © TOYOTA, LICENSE AGREEMENT TMS1002
Fig 2: Adaptive Front-Lighting System - Circuit Diagram (2 Of 4)
G07569611Courtesy of © TOYOTA, LICENSE AGREEMENT TMS1002
Fig 3: Adaptive Front-Lighting System - Circuit Diagram (3 Of 4)
G07569612Courtesy of © TOYOTA, LICENSE AGREEMENT TMS1002
Fig 4: Adaptive Front-Lighting System - Circuit Diagram (4 Of 4)
G07569613Courtesy of © TOYOTA, LICENSE AGREEMENT TMS1002