LEMON Manuals: Even more car manuals for everyone: 1960-2025
Home >> Lexus >> 2011 >> ES 350 >> Repair and Diagnosis >> External Pages >> Different car >> Section 109 (OEM Junction Block, Ecu & Fuse/Relay Locations) >> Relay Block Identification >> Engine Room Relay Block And Engine Room Junction Block Inner Circuit
April 5, 2026: LEMON Manuals is launched! Read the announcement.

Engine Room Relay Block And Engine Room Junction Block Inner Circuit

WARNING: This page is about a different car, the 2010 Lexus ES 350. However, it is still accessible from the selected car via links, so may be relevant.
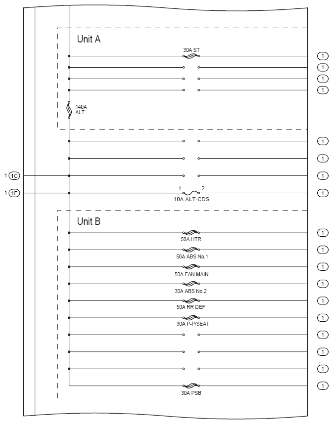
Fig 1: Engine Room R/B And Engine Room J/B Inner Circuit Relay Locations (1 Of 4)
G07550338Courtesy of © TOYOTA, LICENSE AGREEMENT TMS1002
Fig 2: Engine Room R/B And Engine Room J/B Inner Circuit Relay Locations (2 Of 4)
G07550339Courtesy of © TOYOTA, LICENSE AGREEMENT TMS1002
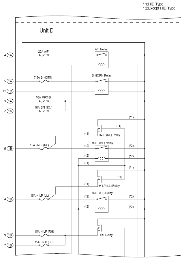
Fig 3: Engine Room R/B And Engine Room J/B Inner Circuit Relay Locations (3 Of 4)
G07550340Courtesy of © TOYOTA, LICENSE AGREEMENT TMS1002
ENGINE ROOM R/B AND J/B INNER CIRCUIT RELAY IDENTIFICATION

RELAY DESCRIPTION
A/F Relay
S-Horn Relay
H-LP (RL) Relay
H-LP (RL) Relay
H-LP (LL) Relay
H-LP (LL) Relay
DRL Relay
Fig 4: Engine Room R/B And Engine Room J/B Inner Circuit Relay Locations (4 Of 4)
G07550341Courtesy of © TOYOTA, LICENSE AGREEMENT TMS1002
ENGINE ROOM R/B AND J/B INNER CIRCUIT RELAY IDENTIFICATION

RELAY DESCRIPTION
Horn Relay
EFI Relay
C/OPN Relay