LEMON Manuals: Even more car manuals for everyone: 1960-2025
Home >> Lexus >> 2011 >> GS 460 >> Repair and Diagnosis >> Electrical >> Body Electrical >> OEM System Circuits >> Illumination >> Notes
April 5, 2026: LEMON Manuals is launched! Read the announcement.

OEM System Circuits: Illumination: Notes

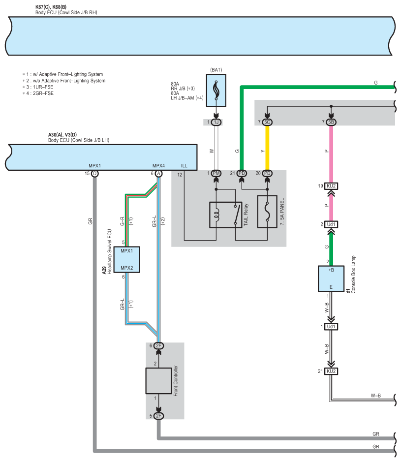
Fig 1: Illumination - Circuit Diagram (1 Of 10)
G07573071Courtesy of © TOYOTA, LICENSE AGREEMENT TMS1002
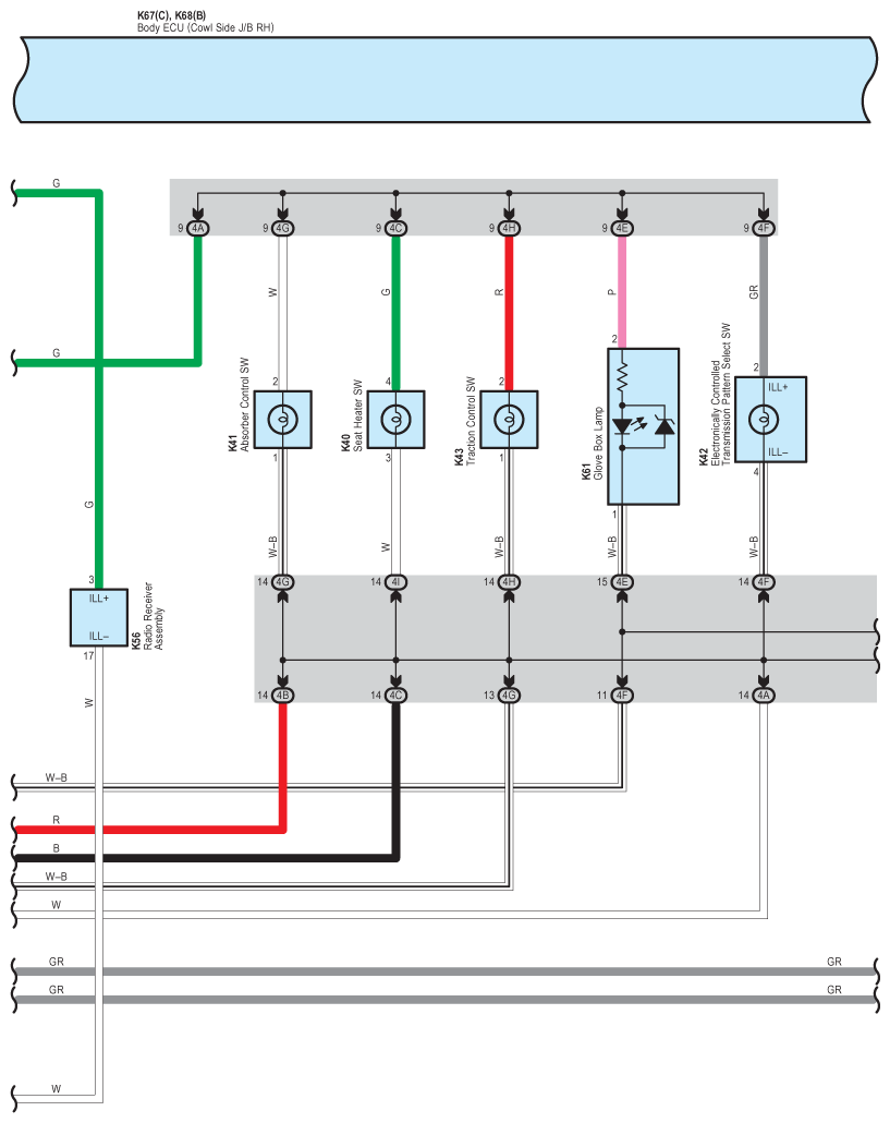
Fig 2: Illumination - Circuit Diagram (2 Of 10)
G07573072Courtesy of © TOYOTA, LICENSE AGREEMENT TMS1002
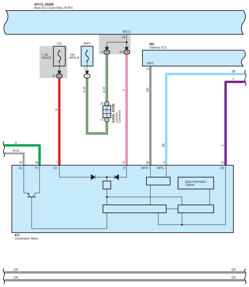
Fig 3: Illumination - Circuit Diagram (3 Of 10)
G07573073Courtesy of © TOYOTA, LICENSE AGREEMENT TMS1002
Fig 4: Illumination - Circuit Diagram (4 Of 10)
G07573074Courtesy of © TOYOTA, LICENSE AGREEMENT TMS1002
Fig 5: Illumination - Circuit Diagram (5 Of 10)
G07573075Courtesy of © TOYOTA, LICENSE AGREEMENT TMS1002
Fig 6: Illumination - Circuit Diagram (6 Of 10)
G07573076Courtesy of © TOYOTA, LICENSE AGREEMENT TMS1002
Fig 7: Illumination - Circuit Diagram (7 Of 10)
G07573077Courtesy of © TOYOTA, LICENSE AGREEMENT TMS1002
Fig 8: Illumination - Circuit Diagram (8 Of 10)
G07573078Courtesy of © TOYOTA, LICENSE AGREEMENT TMS1002
Fig 9: Illumination - Circuit Diagram (9 Of 10)
G07573079Courtesy of © TOYOTA, LICENSE AGREEMENT TMS1002
Fig 10: Illumination - Circuit Diagram (10 Of 10)
G07573080Courtesy of © TOYOTA, LICENSE AGREEMENT TMS1002