LEMON Manuals
: Even more car manuals for everyone: 1960-2025
Home
>>
Lexus
>>
2011
>>
GS 460
>>
Repair and Diagnosis
>>
Electrical
>>
Body Electrical
>>
OEM System Circuits
>>
Tire Pressure Warning System
>>
Notes
April 5, 2026:
LEMON Manuals is launched!
Read the announcement.
Tire Pressure Warning System: Notes
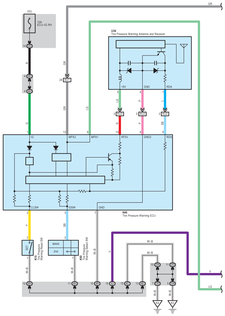
Fig 1: Tire Pressure Warning System - Circuit Diagram (1 Of 3)
Courtesy of © TOYOTA, LICENSE AGREEMENT TMS1002
Fig 2: Tire Pressure Warning System - Circuit Diagram (2 Of 3)
Courtesy of © TOYOTA, LICENSE AGREEMENT TMS1002
Fig 3: Tire Pressure Warning System - Circuit Diagram (3 Of 3)
Courtesy of © TOYOTA, LICENSE AGREEMENT TMS1002