LEMON Manuals: Even more car manuals for everyone: 1960-2025
Home >> Lexus >> 2011 >> HS 250h >> Repair and Diagnosis (Single Page) >> Accessories & Equipment >> Anti-Theft Systems >> Smart Access System With Push-Button Start (For Start Function) (Diagnostic Codes & Symptom Tests) >> SMART ACCESS SYSTEM WITH PUSH-BUTTON START (For Start Function) >> Symptom Tests >> Power Source Mode does not Change to ON (IG and ACC) >> Wiring Diagram
April 5, 2026: LEMON Manuals is launched! Read the announcement.

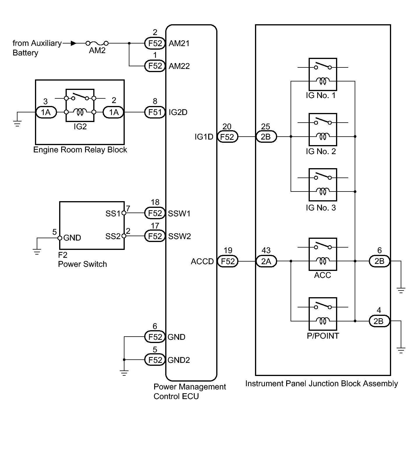
Power Source Mode does not Change to ON (IG and ACC): Wiring Diagram

Fig 1: Identifying IG and ACC Wiring Diagram
GTY281722Courtesy of © TOYOTA, LICENSE AGREEMENT TMS1002