LEMON Manuals: Even more car manuals for everyone: 1960-2025
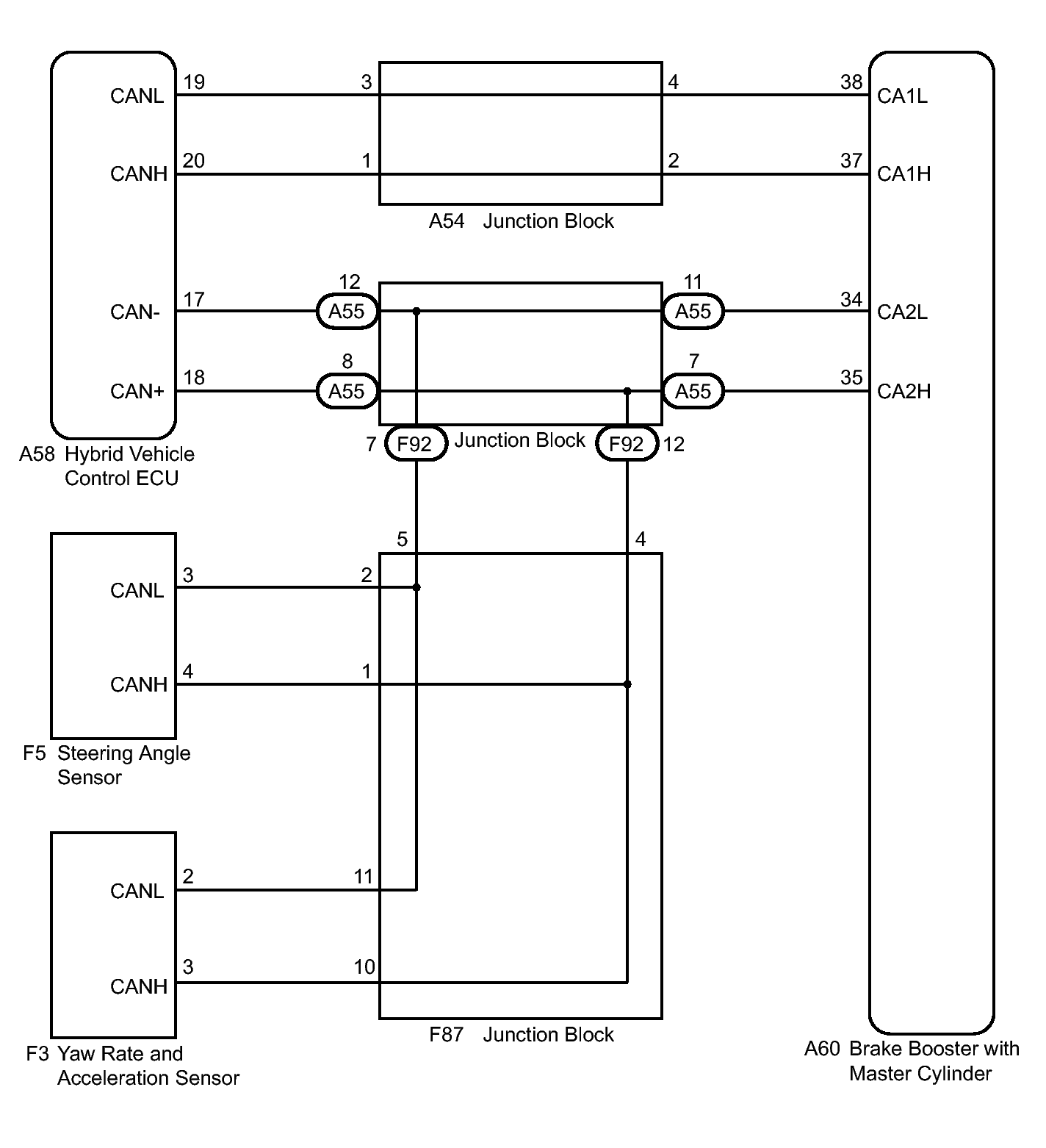
Home >> Lexus >> 2011 >> HS 250h >> Repair and Diagnosis (Single Page) >> Brakes >> Traction Control >> Electronically Controlled Brake System (Diagnostic Codes & Circuit Tests) >> Electronically Controlled Brake System >> DTC U0073/94: Control Module Communication Bus OFF; DTC U0123/62: Lost Communication with Yaw Rate Sensor Module; DTC U0124/95: Lost Communication with Lateral Acceleration Sensor Module; DTC U0126/63: Lost Communication with Steering Angle Sensor Module; DTC U0293/59: Communication Error from HV ECU >> Wiring Diagram
April 5, 2026: LEMON Manuals is launched! Read the announcement.

DTC U0073/94: Control Module Communication Bus OFF; DTC U0123/62: Lost Communication with Yaw Rate Sensor Module; DTC U0124/95: Lost Communication with Lateral Acceleration Sensor Module; DTC U0126/63: Lost Communication with Steering Angle Sensor Module; DTC U0293/59: Communication Error from HV ECU: Wiring Diagram

Fig 1: CAN Communication Line (CAN No. 1 Bus) - Wiring Diagram
GTY256160Courtesy of © TOYOTA, LICENSE AGREEMENT TMS1002