LEMON Manuals: Even more car manuals for everyone: 1960-2025
Home >> Lexus >> 2011 >> HS 250h >> Repair and Diagnosis (Single Page) >> Electrical >> Body Electrical >> OEM System Circuits >> Audio System (w/o LEXUS Navigation System) and Safety Connect >> Notes
April 5, 2026: LEMON Manuals is launched! Read the announcement.

Audio System (w/o LEXUS Navigation System) and Safety Connect: Notes

Fig 1: Audio System (W/O Lexus Navigation System) And Safety Connect - Circuit Diagram (1 Of 12)
G07578473Courtesy of © TOYOTA, LICENSE AGREEMENT TMS1002
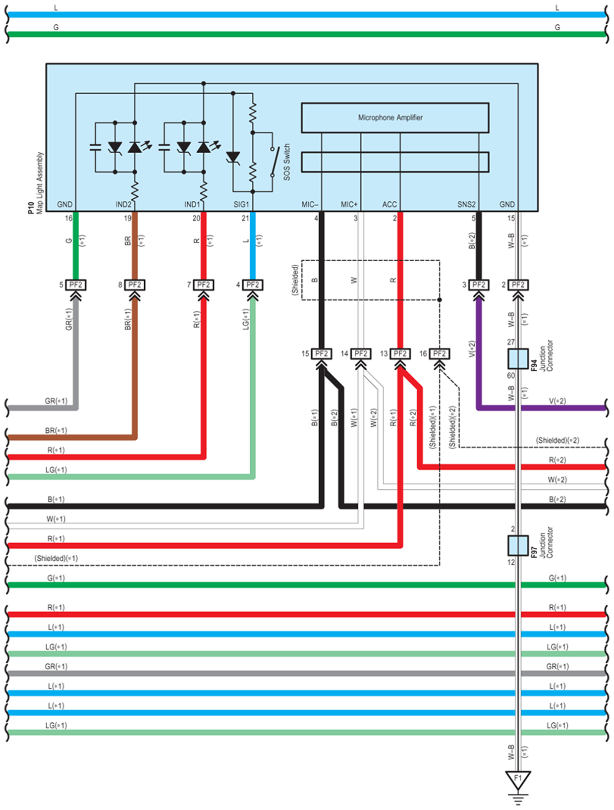
Fig 2: Audio System (W/O Lexus Navigation System) And Safety Connect - Circuit Diagram (2 Of 12)
G07578474Courtesy of © TOYOTA, LICENSE AGREEMENT TMS1002
Fig 3: Audio System (W/O Lexus Navigation System) And Safety Connect - Circuit Diagram (3 Of 12)
G07578475Courtesy of © TOYOTA, LICENSE AGREEMENT TMS1002
Fig 4: Audio System (W/O Lexus Navigation System) And Safety Connect - Circuit Diagram (4 Of 12)
G07578476Courtesy of © TOYOTA, LICENSE AGREEMENT TMS1002
Fig 5: Audio System (W/O Lexus Navigation System) And Safety Connect - Circuit Diagram (5 Of 12)
G07578477Courtesy of © TOYOTA, LICENSE AGREEMENT TMS1002
Fig 6: Audio System (W/O Lexus Navigation System) And Safety Connect - Circuit Diagram (6 Of 12)
G07578478Courtesy of © TOYOTA, LICENSE AGREEMENT TMS1002
Fig 7: Audio System (W/O Lexus Navigation System) And Safety Connect - Circuit Diagram (7 Of 12)
G07578479Courtesy of © TOYOTA, LICENSE AGREEMENT TMS1002
Fig 8: Audio System (W/O Lexus Navigation System) And Safety Connect - Circuit Diagram (8 Of 12)
G07578480Courtesy of © TOYOTA, LICENSE AGREEMENT TMS1002
Fig 9: Audio System (W/O Lexus Navigation System) And Safety Connect - Circuit Diagram (9 Of 12)
G07578481Courtesy of © TOYOTA, LICENSE AGREEMENT TMS1002
Fig 10: Audio System (W/O Lexus Navigation System) And Safety Connect - Circuit Diagram (10 Of 12)
G07578482Courtesy of © TOYOTA, LICENSE AGREEMENT TMS1002
Fig 11: Audio System (W/O Lexus Navigation System) And Safety Connect - Circuit Diagram (11 Of 12)
G07578483Courtesy of © TOYOTA, LICENSE AGREEMENT TMS1002
Fig 12: Audio System (W/O Lexus Navigation System) And Safety Connect - Circuit Diagram (12 Of 12)
G07578484Courtesy of © TOYOTA, LICENSE AGREEMENT TMS1002