LEMON Manuals: Even more car manuals for everyone: 1960-2025
Home >> Lexus >> 2011 >> HS 250h >> Repair and Diagnosis (Single Page) >> Electrical >> Motors, Switches, Relays >> OEM System Circuits >> Audio System (w/ LEXUS Navigation System), LEXUS Navigation System, LEXUS ENFORM and Parking Assist (Rear View Monitor) (w/o Wide-View Front Monitor) >> Notes
April 5, 2026: LEMON Manuals is launched! Read the announcement.

Audio System (w/ LEXUS Navigation System), LEXUS Navigation System, LEXUS ENFORM and Parking Assist (Rear View Monitor) (w/o Wide-View Front Monitor): Notes

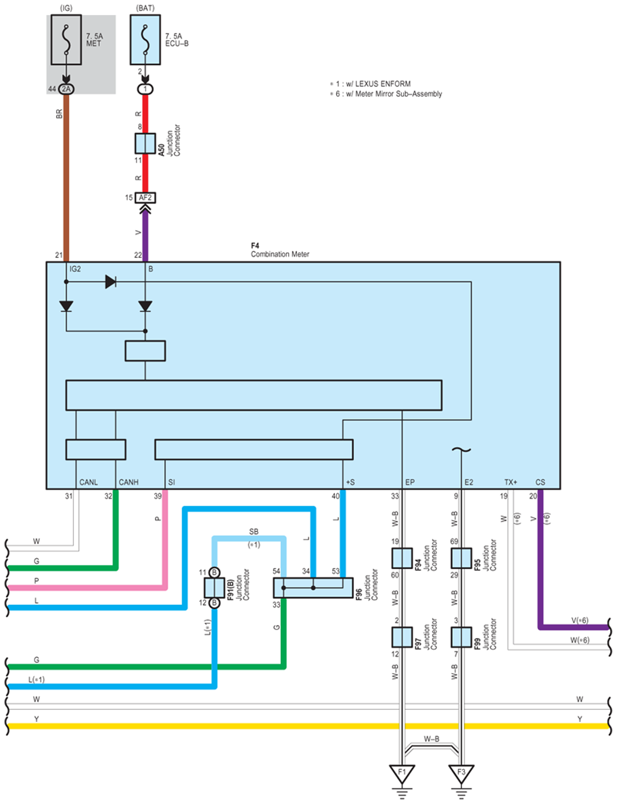
Fig 1: Audio System (W/ Lexus Navigation System), Lexus Navigation System And Lexus Enform And Parking Assist (Rear View Monitor) - Circuit Diagram (1 Of 26)
G07578447Courtesy of © TOYOTA, LICENSE AGREEMENT TMS1002
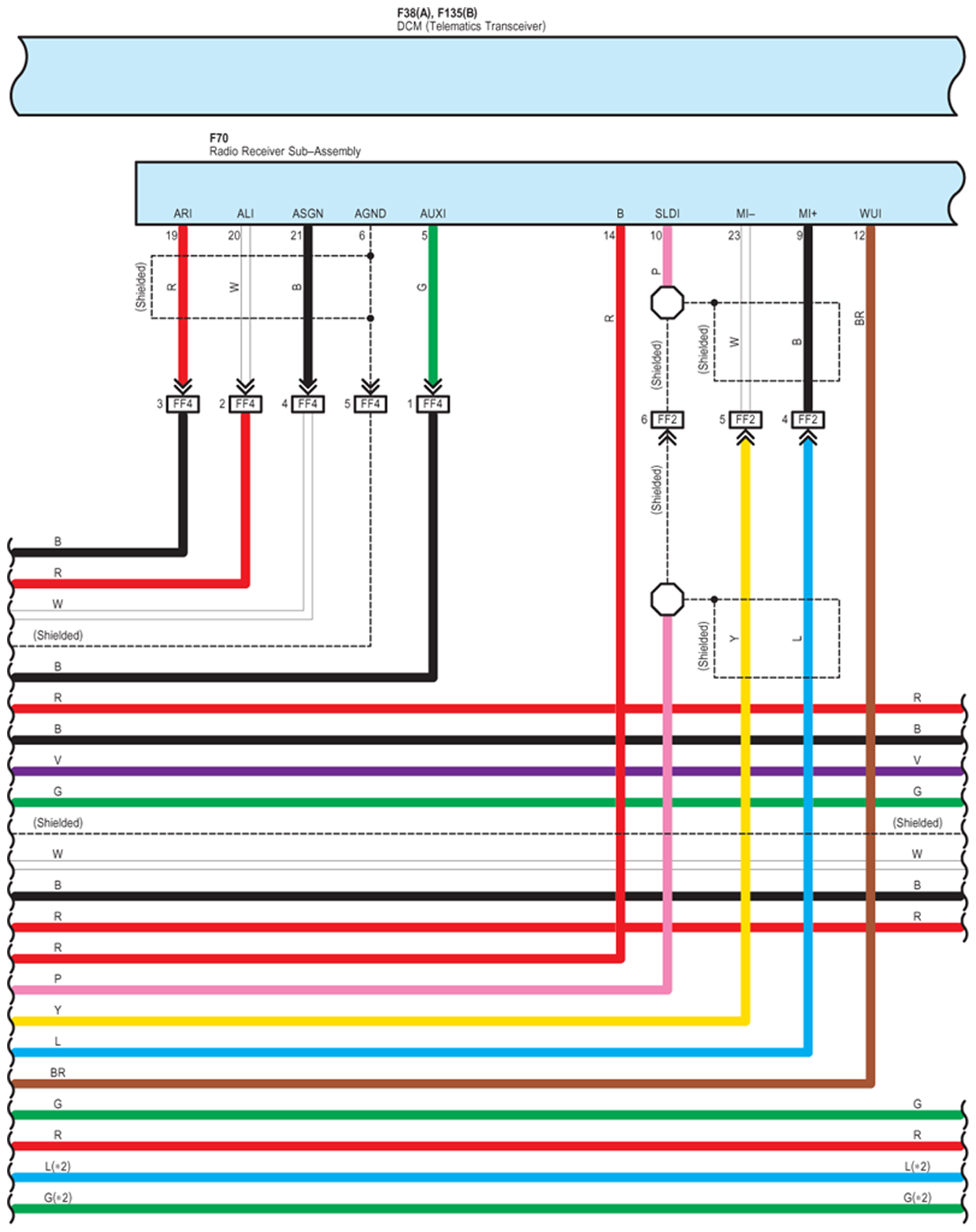
Fig 2: Audio System (W/ Lexus Navigation System), Lexus Navigation System And Lexus Enform And Parking Assist (Rear View Monitor) - Circuit Diagram (2 Of 26)
G07578448Courtesy of © TOYOTA, LICENSE AGREEMENT TMS1002
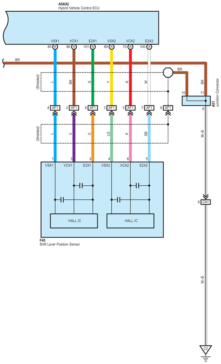
Fig 3: Audio System (W/ Lexus Navigation System), Lexus Navigation System And Lexus Enform And Parking Assist (Rear View Monitor) - Circuit Diagram (3 Of 26)
G07578449Courtesy of © TOYOTA, LICENSE AGREEMENT TMS1002
Fig 4: Audio System (W/ Lexus Navigation System), Lexus Navigation System And Lexus Enform And Parking Assist (Rear View Monitor) - Circuit Diagram (4 Of 26)
G07578450Courtesy of © TOYOTA, LICENSE AGREEMENT TMS1002
Fig 5: Audio System (W/ Lexus Navigation System), Lexus Navigation System And Lexus Enform And Parking Assist (Rear View Monitor) - Circuit Diagram (5 Of 26)
G07578451Courtesy of © TOYOTA, LICENSE AGREEMENT TMS1002
Fig 6: Audio System (W/ Lexus Navigation System), Lexus Navigation System And Lexus Enform And Parking Assist (Rear View Monitor) - Circuit Diagram (6 Of 26)
G07578452Courtesy of © TOYOTA, LICENSE AGREEMENT TMS1002
Fig 7: Audio System (W/ Lexus Navigation System), Lexus Navigation System And Lexus Enform And Parking Assist (Rear View Monitor) - Circuit Diagram (7 Of 26)
G07578453Courtesy of © TOYOTA, LICENSE AGREEMENT TMS1002
Fig 8: Audio System (W/ Lexus Navigation System), Lexus Navigation System And Lexus Enform And Parking Assist (Rear View Monitor) - Circuit Diagram (8 Of 26)
G07578454Courtesy of © TOYOTA, LICENSE AGREEMENT TMS1002
Fig 9: Audio System (W/ Lexus Navigation System), Lexus Navigation System And Lexus Enform And Parking Assist (Rear View Monitor) - Circuit Diagram (9 Of 26)
G07578455Courtesy of © TOYOTA, LICENSE AGREEMENT TMS1002
Fig 10: Audio System (W/ Lexus Navigation System), Lexus Navigation System And Lexus Enform And Parking Assist (Rear View Monitor) - Circuit Diagram (10 Of 26)
G07578456Courtesy of © TOYOTA, LICENSE AGREEMENT TMS1002
Fig 11: Audio System (W/ Lexus Navigation System), Lexus Navigation System And Lexus Enform And Parking Assist (Rear View Monitor) - Circuit Diagram (11 Of 26)
G07578457Courtesy of © TOYOTA, LICENSE AGREEMENT TMS1002
Fig 12: Audio System (W/ Lexus Navigation System), Lexus Navigation System And Lexus Enform And Parking Assist (Rear View Monitor) - Circuit Diagram (12 Of 26)
G07578458Courtesy of © TOYOTA, LICENSE AGREEMENT TMS1002
Fig 13: Audio System (W/ Lexus Navigation System), Lexus Navigation System And Lexus Enform And Parking Assist (Rear View Monitor) - Circuit Diagram (13 Of 26)
G07578459Courtesy of © TOYOTA, LICENSE AGREEMENT TMS1002
Fig 14: Audio System (W/ Lexus Navigation System), Lexus Navigation System And Lexus Enform And Parking Assist (Rear View Monitor) - Circuit Diagram (14 Of 26)
G07578460Courtesy of © TOYOTA, LICENSE AGREEMENT TMS1002
Fig 15: Audio System (W/ Lexus Navigation System), Lexus Navigation System And Lexus Enform And Parking Assist (Rear View Monitor) - Circuit Diagram (15 Of 26)
G07578461Courtesy of © TOYOTA, LICENSE AGREEMENT TMS1002
Fig 16: Audio System (W/ Lexus Navigation System), Lexus Navigation System And Lexus Enform And Parking Assist (Rear View Monitor) - Circuit Diagram (16 Of 26)
G07578462Courtesy of © TOYOTA, LICENSE AGREEMENT TMS1002
Fig 17: Audio System (W/ Lexus Navigation System), Lexus Navigation System And Lexus Enform And Parking Assist (Rear View Monitor) - Circuit Diagram (17 Of 26)
G07578463Courtesy of © TOYOTA, LICENSE AGREEMENT TMS1002
Fig 18: Audio System (W/ Lexus Navigation System), Lexus Navigation System And Lexus Enform And Parking Assist (Rear View Monitor) - Circuit Diagram (18 Of 26)
G07578464Courtesy of © TOYOTA, LICENSE AGREEMENT TMS1002
Fig 19: Audio System (W/ Lexus Navigation System), Lexus Navigation System And Lexus Enform And Parking Assist (Rear View Monitor) - Circuit Diagram (19 Of 26)
G07578465Courtesy of © TOYOTA, LICENSE AGREEMENT TMS1002
Fig 20: Audio System (W/ Lexus Navigation System), Lexus Navigation System And Lexus Enform And Parking Assist (Rear View Monitor) - Circuit Diagram (20 Of 26)
G07578466Courtesy of © TOYOTA, LICENSE AGREEMENT TMS1002
Fig 21: Audio System (W/ Lexus Navigation System), Lexus Navigation System And Lexus Enform And Parking Assist (Rear View Monitor) - Circuit Diagram (21 Of 26)
G07578467Courtesy of © TOYOTA, LICENSE AGREEMENT TMS1002
Fig 22: Audio System (W/ Lexus Navigation System), Lexus Navigation System And Lexus Enform And Parking Assist (Rear View Monitor) - Circuit Diagram (22 Of 26)
G07578468Courtesy of © TOYOTA, LICENSE AGREEMENT TMS1002
Fig 23: Audio System (W/ Lexus Navigation System), Lexus Navigation System And Lexus Enform And Parking Assist (Rear View Monitor) - Circuit Diagram (23 Of 26)
G07578469Courtesy of © TOYOTA, LICENSE AGREEMENT TMS1002
Fig 24: Audio System (W/ Lexus Navigation System), Lexus Navigation System And Lexus Enform And Parking Assist (Rear View Monitor) - Circuit Diagram (24 Of 26)
G07578470Courtesy of © TOYOTA, LICENSE AGREEMENT TMS1002
Fig 25: Audio System (W/ Lexus Navigation System), Lexus Navigation System And Lexus Enform And Parking Assist (Rear View Monitor) - Circuit Diagram (25 Of 26)
G07578471Courtesy of © TOYOTA, LICENSE AGREEMENT TMS1002
Fig 26: Audio System (W/ Lexus Navigation System), Lexus Navigation System And Lexus Enform And Parking Assist (Rear View Monitor) - Circuit Diagram (26 Of 26)
G07578472Courtesy of © TOYOTA, LICENSE AGREEMENT TMS1002