LEMON Manuals: Even more car manuals for everyone: 1960-2025
Home >> Lexus >> 2011 >> HS 250h >> Repair and Diagnosis >> External Pages >> Different car >> Section 109 (OEM System Circuits) >> Adaptive Front-Lighting System or Headlight Beam Level Control >> Notes
April 5, 2026: LEMON Manuals is launched! Read the announcement.

Adaptive Front-Lighting System or Headlight Beam Level Control: Notes

WARNING: This page is about a different car, the 2010 Lexus HS 250h. However, it is still accessible from the selected car via links, so may be relevant.
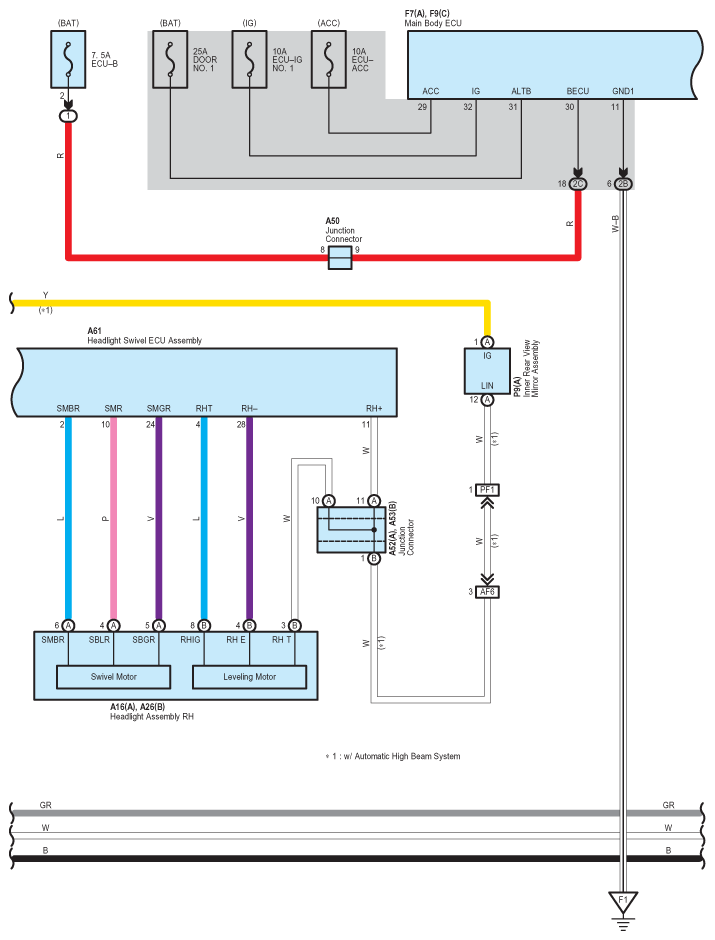
Fig 1: Adaptive Front-Lighting System Or Headlight Beam Level Control - Circuit Diagram (1 Of 5)
G07558562Courtesy of © TOYOTA, LICENSE AGREEMENT TMS1002
Fig 2: Adaptive Front-Lighting System Or Headlight Beam Level Control - Circuit Diagram (2 Of 5)
G07558563Courtesy of © TOYOTA, LICENSE AGREEMENT TMS1002
Fig 3: Adaptive Front-Lighting System Or Headlight Beam Level Control - Circuit Diagram (3 Of 5)
G07558564Courtesy of © TOYOTA, LICENSE AGREEMENT TMS1002
Fig 4: Adaptive Front-Lighting System Or Headlight Beam Level Control - Circuit Diagram (4 Of 5)
G07558565Courtesy of © TOYOTA, LICENSE AGREEMENT TMS1002
Fig 5: Adaptive Front-Lighting System Or Headlight Beam Level Control - Circuit Diagram (5 Of 5)
G07558566Courtesy of © TOYOTA, LICENSE AGREEMENT TMS1002