LEMON Manuals: Even more car manuals for everyone: 1960-2025
Home >> Lexus >> 2011 >> HS 250h >> Repair and Diagnosis >> External Pages >> Different car >> Section 109 (OEM System Circuits) >> Dynamic Radar Cruise Control or Cruise Control >> Notes
April 5, 2026: LEMON Manuals is launched! Read the announcement.

Dynamic Radar Cruise Control or Cruise Control: Notes

WARNING: This page is about a different car, the 2010 Lexus HS 250h. However, it is still accessible from the selected car via links, so may be relevant.
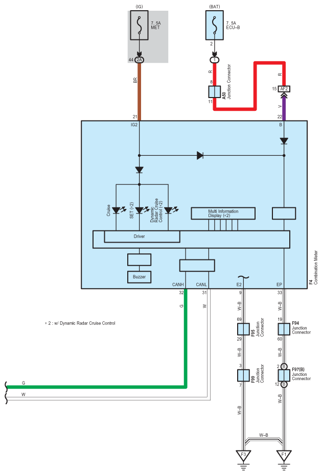
Fig 1: Dynamic Radar Cruise Control Or Cruise Control - Circuit Diagram (1 Of 17)
G07558416Courtesy of © TOYOTA, LICENSE AGREEMENT TMS1002
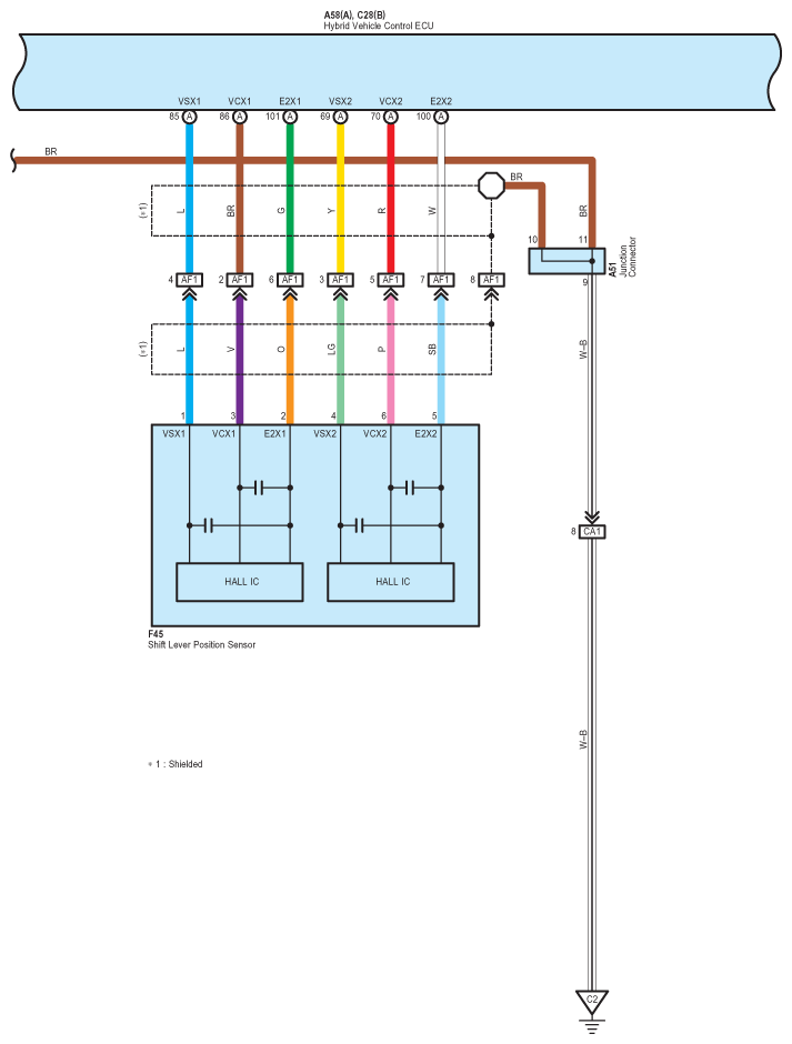
Fig 2: Dynamic Radar Cruise Control Or Cruise Control - Circuit Diagram (2 Of 17)
G07558417Courtesy of © TOYOTA, LICENSE AGREEMENT TMS1002
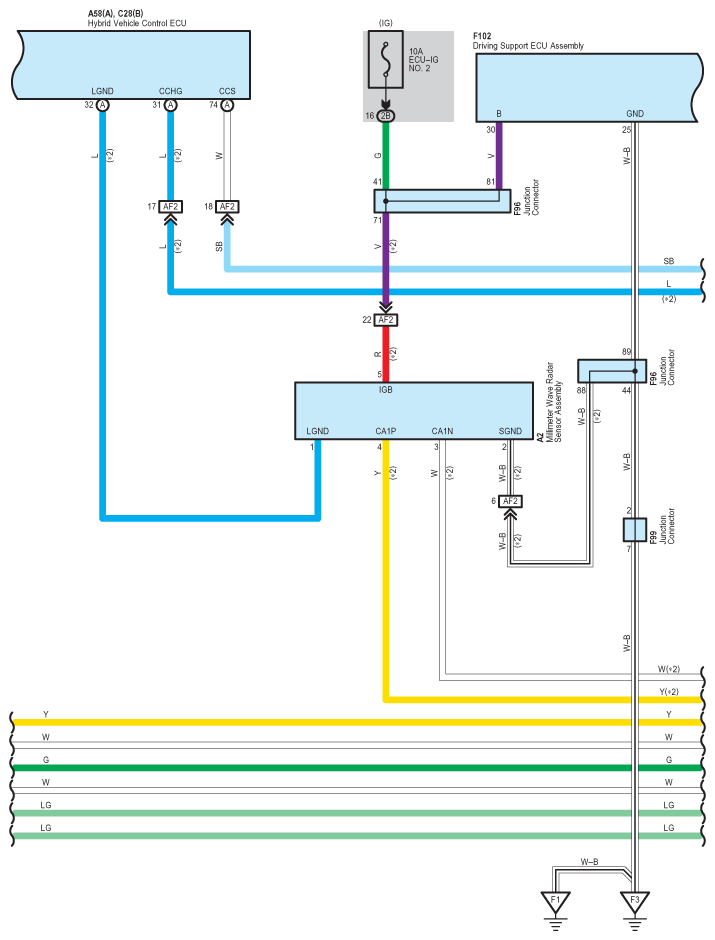
Fig 3: Dynamic Radar Cruise Control Or Cruise Control - Circuit Diagram (3 Of 17)
G07558418Courtesy of © TOYOTA, LICENSE AGREEMENT TMS1002
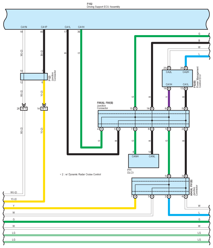
Fig 4: Dynamic Radar Cruise Control Or Cruise Control - Circuit Diagram (4 Of 17)
G07558419Courtesy of © TOYOTA, LICENSE AGREEMENT TMS1002
Fig 5: Dynamic Radar Cruise Control Or Cruise Control - Circuit Diagram (5 Of 17)
G07558420Courtesy of © TOYOTA, LICENSE AGREEMENT TMS1002
Fig 6: Dynamic Radar Cruise Control Or Cruise Control - Circuit Diagram (6 Of 17)
G07558421Courtesy of © TOYOTA, LICENSE AGREEMENT TMS1002
Fig 7: Dynamic Radar Cruise Control Or Cruise Control - Circuit Diagram (7 Of 17)
G07558422Courtesy of © TOYOTA, LICENSE AGREEMENT TMS1002
Fig 8: Dynamic Radar Cruise Control Or Cruise Control - Circuit Diagram (8 Of 17)
G07558423Courtesy of © TOYOTA, LICENSE AGREEMENT TMS1002
Fig 9: Dynamic Radar Cruise Control Or Cruise Control - Circuit Diagram (9 Of 17)
G07558424Courtesy of © TOYOTA, LICENSE AGREEMENT TMS1002
Fig 10: Dynamic Radar Cruise Control Or Cruise Control - Circuit Diagram (10 Of 17)
G07558425Courtesy of © TOYOTA, LICENSE AGREEMENT TMS1002
Fig 11: Dynamic Radar Cruise Control Or Cruise Control - Circuit Diagram (11 Of 17)
G07558426Courtesy of © TOYOTA, LICENSE AGREEMENT TMS1002
Fig 12: Dynamic Radar Cruise Control Or Cruise Control - Circuit Diagram (12 Of 17)
G07558427Courtesy of © TOYOTA, LICENSE AGREEMENT TMS1002
Fig 13: Dynamic Radar Cruise Control Or Cruise Control - Circuit Diagram (13 Of 17)
G07558428Courtesy of © TOYOTA, LICENSE AGREEMENT TMS1002
Fig 14: Dynamic Radar Cruise Control Or Cruise Control - Circuit Diagram (14 Of 17)
G07558429Courtesy of © TOYOTA, LICENSE AGREEMENT TMS1002
Fig 15: Dynamic Radar Cruise Control Or Cruise Control - Circuit Diagram (15 Of 17)
G07558430Courtesy of © TOYOTA, LICENSE AGREEMENT TMS1002
Fig 16: Dynamic Radar Cruise Control Or Cruise Control - Circuit Diagram (16 Of 17)
G07558431Courtesy of © TOYOTA, LICENSE AGREEMENT TMS1002
Fig 17: Dynamic Radar Cruise Control Or Cruise Control - Circuit Diagram (17 Of 17)
G07558432Courtesy of © TOYOTA, LICENSE AGREEMENT TMS1002