LEMON Manuals: Even more car manuals for everyone: 1960-2025
Home >> Lexus >> 2011 >> HS 250h >> Repair and Diagnosis >> External Pages >> Different car >> Section 109 (OEM System Circuits) >> EPS >> Notes
April 5, 2026: LEMON Manuals is launched! Read the announcement.

Section 109 (OEM System Circuits): EPS: Notes

WARNING: This page is about a different car, the 2010 Lexus HS 250h. However, it is still accessible from the selected car via links, so may be relevant.
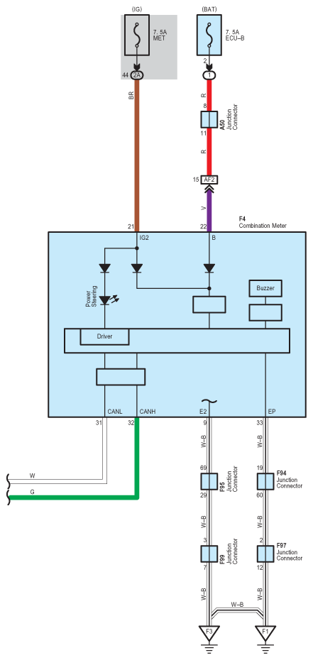
Fig 1: EPS - Circuit Diagram (1 Of 4)
G07558525Courtesy of © TOYOTA, LICENSE AGREEMENT TMS1002
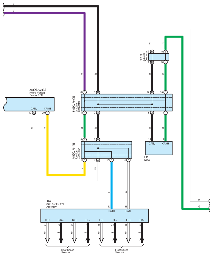
Fig 2: EPS - Circuit Diagram (2 Of 4)
G07558526Courtesy of © TOYOTA, LICENSE AGREEMENT TMS1002
Fig 3: EPS - Circuit Diagram (3 Of 4)
G07558527Courtesy of © TOYOTA, LICENSE AGREEMENT TMS1002
Fig 4: EPS - Circuit Diagram (4 Of 4)
G07558528Courtesy of © TOYOTA, LICENSE AGREEMENT TMS1002