LEMON Manuals: Even more car manuals for everyone: 1960-2025
Home >> Lexus >> 2011 >> HS 250h >> Repair and Diagnosis >> External Pages >> Different car >> Section 109 (OEM System Circuits) >> Hybrid System >> Notes
April 5, 2026: LEMON Manuals is launched! Read the announcement.

Hybrid System: Notes

WARNING: This page is about a different car, the 2010 Lexus HS 250h. However, it is still accessible from the selected car via links, so may be relevant.
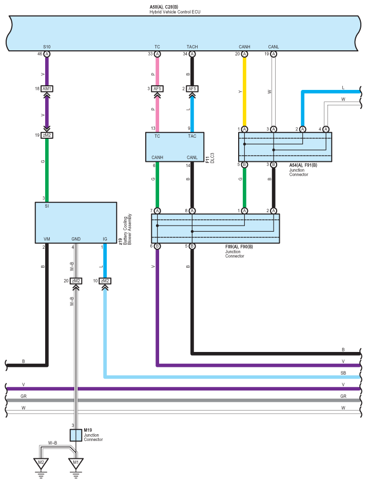
Fig 1: Hybrid System - Circuit Diagram (1 Of 30)
G07558386Courtesy of © TOYOTA, LICENSE AGREEMENT TMS1002
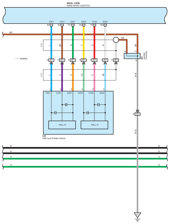
Fig 2: Hybrid System - Circuit Diagram (2 Of 30)
G07558387Courtesy of © TOYOTA, LICENSE AGREEMENT TMS1002
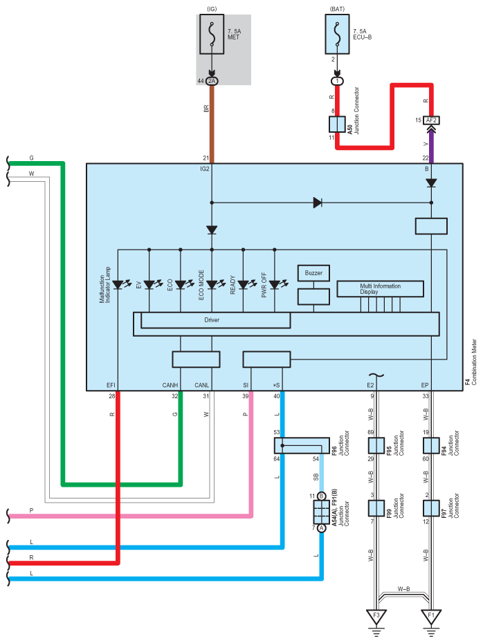
Fig 3: Hybrid System - Circuit Diagram (3 Of 30)
G07558388Courtesy of © TOYOTA, LICENSE AGREEMENT TMS1002
Fig 4: Hybrid System - Circuit Diagram (4 Of 30)
G07558389Courtesy of © TOYOTA, LICENSE AGREEMENT TMS1002
Fig 5: Hybrid System - Circuit Diagram (5 Of 30)
G07558390Courtesy of © TOYOTA, LICENSE AGREEMENT TMS1002
Fig 6: Hybrid System - Circuit Diagram (6 Of 30)
G07558391Courtesy of © TOYOTA, LICENSE AGREEMENT TMS1002
Fig 7: Hybrid System - Circuit Diagram (7 Of 30)
G07558392Courtesy of © TOYOTA, LICENSE AGREEMENT TMS1002
Fig 8: Hybrid System - Circuit Diagram (8 Of 30)
G07558393Courtesy of © TOYOTA, LICENSE AGREEMENT TMS1002
Fig 9: Hybrid System - Circuit Diagram (9 Of 30)
G07558394Courtesy of © TOYOTA, LICENSE AGREEMENT TMS1002
Fig 10: Hybrid System - Circuit Diagram (10 Of 30)
G07558395Courtesy of © TOYOTA, LICENSE AGREEMENT TMS1002
Fig 11: Hybrid System - Circuit Diagram (11 Of 30)
G07558396Courtesy of © TOYOTA, LICENSE AGREEMENT TMS1002
Fig 12: Hybrid System - Circuit Diagram (12 Of 30)
G07558397Courtesy of © TOYOTA, LICENSE AGREEMENT TMS1002
Fig 13: Hybrid System - Circuit Diagram (13 Of 30)
G07558398Courtesy of © TOYOTA, LICENSE AGREEMENT TMS1002
Fig 14: Hybrid System - Circuit Diagram (14 Of 30)
G07558399Courtesy of © TOYOTA, LICENSE AGREEMENT TMS1002
Fig 15: Hybrid System - Circuit Diagram (15 Of 30)
G07558400Courtesy of © TOYOTA, LICENSE AGREEMENT TMS1002
Fig 16: Hybrid System - Circuit Diagram (16 Of 30)
G07558401Courtesy of © TOYOTA, LICENSE AGREEMENT TMS1002
Fig 17: Hybrid System - Circuit Diagram (17 Of 30)
G07558402Courtesy of © TOYOTA, LICENSE AGREEMENT TMS1002
Fig 18: Hybrid System - Circuit Diagram (18 Of 30)
G07558403Courtesy of © TOYOTA, LICENSE AGREEMENT TMS1002
Fig 19: Hybrid System - Circuit Diagram (19 Of 30)
G07558404Courtesy of © TOYOTA, LICENSE AGREEMENT TMS1002
Fig 20: Hybrid System - Circuit Diagram (20 Of 30)
G07558405Courtesy of © TOYOTA, LICENSE AGREEMENT TMS1002
Fig 21: Hybrid System - Circuit Diagram (21 Of 30)
G07558406Courtesy of © TOYOTA, LICENSE AGREEMENT TMS1002
Fig 22: Hybrid System - Circuit Diagram (22 Of 30)
G07558407Courtesy of © TOYOTA, LICENSE AGREEMENT TMS1002
Fig 23: Hybrid System - Circuit Diagram (23 Of 30)
G07558408Courtesy of © TOYOTA, LICENSE AGREEMENT TMS1002
Fig 24: Hybrid System - Circuit Diagram (24 Of 30)
G07558409Courtesy of © TOYOTA, LICENSE AGREEMENT TMS1002
Fig 25: Hybrid System - Circuit Diagram (25 Of 30)
G07558410Courtesy of © TOYOTA, LICENSE AGREEMENT TMS1002
Fig 26: Hybrid System - Circuit Diagram (26 Of 30)
G07558411Courtesy of © TOYOTA, LICENSE AGREEMENT TMS1002
Fig 27: Hybrid System - Circuit Diagram (27 Of 30)
G07558412Courtesy of © TOYOTA, LICENSE AGREEMENT TMS1002
Fig 28: Hybrid System - Circuit Diagram (28 Of 30)
G07558413Courtesy of © TOYOTA, LICENSE AGREEMENT TMS1002
Fig 29: Hybrid System - Circuit Diagram (29 Of 30)
G07558414Courtesy of © TOYOTA, LICENSE AGREEMENT TMS1002
Fig 30: Hybrid System - Circuit Diagram (30 Of 30)
G07558415Courtesy of © TOYOTA, LICENSE AGREEMENT TMS1002