LEMON Manuals: Even more car manuals for everyone: 1960-2025
Home >> Lexus >> 2011 >> HS 250h >> Repair and Diagnosis >> External Pages >> Different car >> Section 109 (OEM System Circuits) >> Remote Control Mirror (w/ Seat Position Memory) >> Notes
April 5, 2026: LEMON Manuals is launched! Read the announcement.

Remote Control Mirror (w/ Seat Position Memory): Notes

WARNING: This page is about a different car, the 2010 Lexus HS 250h. However, it is still accessible from the selected car via links, so may be relevant.
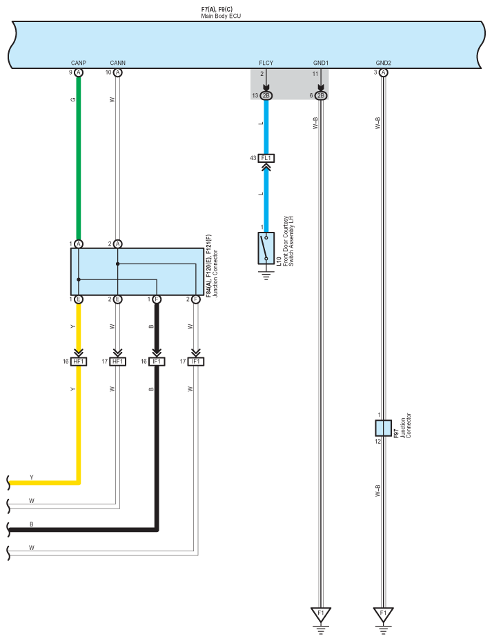
Fig 1: Remote Control Mirror (W/ Seat Position Memory) - Circuit Diagram (1 Of 6)
G07558593Courtesy of © TOYOTA, LICENSE AGREEMENT TMS1002
Fig 2: Remote Control Mirror (W/ Seat Position Memory) - Circuit Diagram (2 Of 6)
G07558594Courtesy of © TOYOTA, LICENSE AGREEMENT TMS1002
Fig 3: Remote Control Mirror (W/ Seat Position Memory) - Circuit Diagram (3 Of 6)
G07558595Courtesy of © TOYOTA, LICENSE AGREEMENT TMS1002
Fig 4: Remote Control Mirror (W/ Seat Position Memory) - Circuit Diagram (4 Of 6)
G07558596Courtesy of © TOYOTA, LICENSE AGREEMENT TMS1002
Fig 5: Remote Control Mirror (W/ Seat Position Memory) - Circuit Diagram (5 Of 6)
G07558597Courtesy of © TOYOTA, LICENSE AGREEMENT TMS1002
Fig 6: Remote Control Mirror (W/ Seat Position Memory) - Circuit Diagram (6 Of 6)
G07558598Courtesy of © TOYOTA, LICENSE AGREEMENT TMS1002