LEMON Manuals: Even more car manuals for everyone: 1960-2025
Home >> Lexus >> 2011 >> IS 350 Base, AWD >> Repair and Diagnosis (Single Page) >> Electrical >> Motors, Switches, Relays >> OEM System Circuits >> Audio System (w/ LEXUS Navigation System), LEXUS Navigation System and Parking Assist (Rear View Monitor) >> Notes
April 5, 2026: LEMON Manuals is launched! Read the announcement.

Audio System (w/ LEXUS Navigation System), LEXUS Navigation System and Parking Assist (Rear View Monitor): Notes

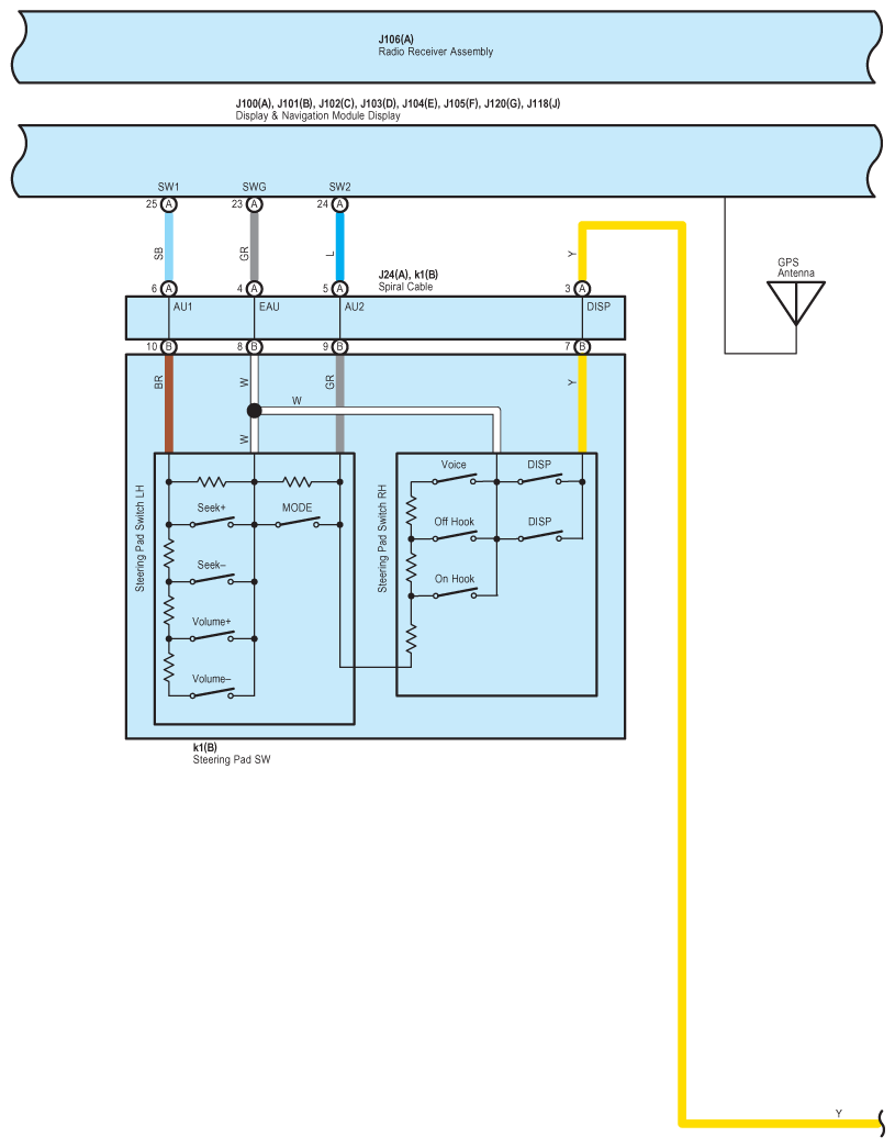
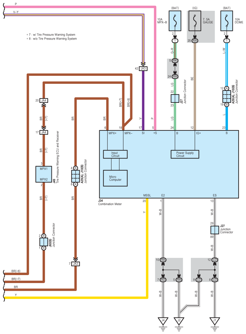
Fig 1: Audio System (W/ Lexus Navigation System), Lexus Navigation System And Parking Assist (Rear View Monitor) - Circuit Diagram (1 Of 17)
G07581436Courtesy of © TOYOTA, LICENSE AGREEMENT TMS1002
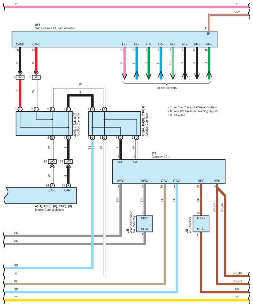
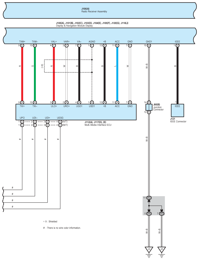
Fig 2: Audio System (W/ Lexus Navigation System), Lexus Navigation System And Parking Assist (Rear View Monitor) - Circuit Diagram (2 Of 17)
G07581437Courtesy of © TOYOTA, LICENSE AGREEMENT TMS1002
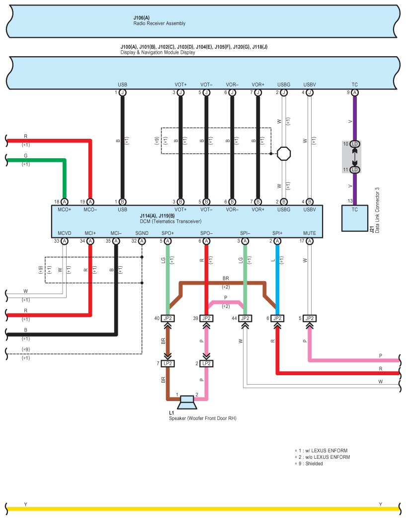
Fig 3: Audio System (W/ Lexus Navigation System), Lexus Navigation System And Parking Assist (Rear View Monitor) - Circuit Diagram (3 Of 17)
G07581438Courtesy of © TOYOTA, LICENSE AGREEMENT TMS1002
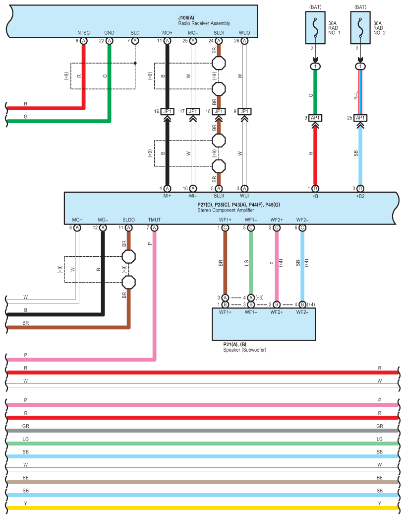
Fig 4: Audio System (W/ Lexus Navigation System), Lexus Navigation System And Parking Assist (Rear View Monitor) - Circuit Diagram (4 Of 17)
G07581439Courtesy of © TOYOTA, LICENSE AGREEMENT TMS1002
Fig 5: Audio System (W/ Lexus Navigation System), Lexus Navigation System And Parking Assist (Rear View Monitor) - Circuit Diagram (5 Of 17)
G07581440Courtesy of © TOYOTA, LICENSE AGREEMENT TMS1002
Fig 6: Audio System (W/ Lexus Navigation System), Lexus Navigation System And Parking Assist (Rear View Monitor) - Circuit Diagram (6 Of 17)
G07581441Courtesy of © TOYOTA, LICENSE AGREEMENT TMS1002
Fig 7: Audio System (W/ Lexus Navigation System), Lexus Navigation System And Parking Assist (Rear View Monitor) - Circuit Diagram (7 Of 17)
G07581442Courtesy of © TOYOTA, LICENSE AGREEMENT TMS1002
Fig 8: Audio System (W/ Lexus Navigation System), Lexus Navigation System And Parking Assist (Rear View Monitor) - Circuit Diagram (8 Of 17)
G07581443Courtesy of © TOYOTA, LICENSE AGREEMENT TMS1002
Fig 9: Audio System (W/ Lexus Navigation System), Lexus Navigation System And Parking Assist (Rear View Monitor) - Circuit Diagram (9 Of 17)
G07581444Courtesy of © TOYOTA, LICENSE AGREEMENT TMS1002
Fig 10: Audio System (W/ Lexus Navigation System), Lexus Navigation System And Parking Assist (Rear View Monitor) - Circuit Diagram (10 Of 17)
G07581445Courtesy of © TOYOTA, LICENSE AGREEMENT TMS1002
Fig 11: Audio System (W/ Lexus Navigation System), Lexus Navigation System And Parking Assist (Rear View Monitor) - Circuit Diagram (11 Of 17)
G07581446Courtesy of © TOYOTA, LICENSE AGREEMENT TMS1002
Fig 12: Audio System (W/ Lexus Navigation System), Lexus Navigation System And Parking Assist (Rear View Monitor) - Circuit Diagram (12 Of 17)
G07581447Courtesy of © TOYOTA, LICENSE AGREEMENT TMS1002
Fig 13: Audio System (W/ Lexus Navigation System), Lexus Navigation System And Parking Assist (Rear View Monitor) - Circuit Diagram (13 Of 17)
G07581448Courtesy of © TOYOTA, LICENSE AGREEMENT TMS1002
Fig 14: Audio System (W/ Lexus Navigation System), Lexus Navigation System And Parking Assist (Rear View Monitor) - Circuit Diagram (14 Of 17)
G07581449Courtesy of © TOYOTA, LICENSE AGREEMENT TMS1002
Fig 15: Audio System (W/ Lexus Navigation System), Lexus Navigation System And Parking Assist (Rear View Monitor) - Circuit Diagram (15 Of 17)
G07581450Courtesy of © TOYOTA, LICENSE AGREEMENT TMS1002
Fig 16: Audio System (W/ Lexus Navigation System), Lexus Navigation System And Parking Assist (Rear View Monitor) - Circuit Diagram (16 Of 17)
G07581451Courtesy of © TOYOTA, LICENSE AGREEMENT TMS1002
Fig 17: Audio System (W/ Lexus Navigation System), Lexus Navigation System And Parking Assist (Rear View Monitor) - Circuit Diagram (17 Of 17)
G07581452Courtesy of © TOYOTA, LICENSE AGREEMENT TMS1002