LEMON Manuals: Even more car manuals for everyone: 1960-2025
Home >> Lexus >> 2011 >> IS 350 Base, AWD >> Repair and Diagnosis (Single Page) >> Engine Performance >> System >> Engine Control System (Diagnostic Codes (P060D-U0101) & Circuit Tests) >> SFI System >> Circuit Tests >> ECM Power Source Circuit >> Procedure
April 5, 2026: LEMON Manuals is launched! Read the announcement.

ECM Power Source Circuit: Procedure

  1. INSPECT ECM (+B, +B1 VOLTAGE) 
    1. Turn the engine switch on (IG).
      Fig 1: Identifying E4 & A5 ECM Connectors (+B, +B1)
      GTY123102Courtesy of © TOYOTA, LICENSE AGREEMENT TMS1002
    2. Measure the voltage according to the value(s) in the table below.

      Standard voltage

      Tester Connection Specified Condition
      +B (A5-6) - E1 (E4-7) 9 to 14 V
      +B1 (A5-5) - E1 (E4-7) 9 to 14 V

    OK → PROCEED TO NEXT CIRCUIT INSPECTION SHOWN IN PROBLEM SYMPTOMS TABLE 

    NG: Go to next step 

  2. CHECK HARNESS AND CONNECTOR (ECM - BODY GROUND) 
    1. Disconnect the E4 ECM connector.
    2. Measure the resistance according to the value(s) in the table below.

      Standard resistance (Check for open)

      Tester Connection Specified Condition
      E1 (E4-7) - Body ground Below 1 Ω
    3. Reconnect the ECM connector.

    NG → REPAIR OR REPLACE HARNESS OR CONNECTOR 

    OK: Go to next step 

  3. INSPECT ECM (IGSW VOLTAGE) 
    1. Turn the engine switch on (IG).
      Fig 2: Identifying E4 & A5 ECM Connector (IGSW)
      GTY146222Courtesy of © TOYOTA, LICENSE AGREEMENT TMS1002
    2. Measure the voltage according to the value(s) in the table below.

      Standard voltage

      Tester Connection Specified Condition
      IGSW (A5-17) - E1 (E4-7) 9 to 14 V

    OK → See step   6 

    NG: Go to next step 

  4. CHECK FUSE (IGN FUSE) 
    1. Remove the IGN fuse from the cowl side junction block RH.
      Fig 3: Identifying IGN Fuse
      GTY359665Courtesy of © TOYOTA, LICENSE AGREEMENT TMS1002
    2. Measure the resistance of the IGN fuse.

      Standard resistance

      Below 1 Ω

    3. Reinstall the IGN fuse.

    NG → REPLACE IGN FUSE 

    OK: Go to next step 

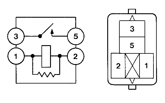
  5. INSPECT IG2 RELAY 
    1. Remove the IG2 relay from the engine room R/B No. 2.
      Fig 4: Inspecting IG2 Relay
      GTY100984Courtesy of © TOYOTA, LICENSE AGREEMENT TMS1002
    2. Measure the resistance according to the value(s) in the table below.

      Standard resistance

      Tester Connection Specified Condition
      3 - 5 10 kΩ or higher
      3 - 5 Below 1 Ω
      (when battery voltage applied to terminals 1 and 2)
    3. Reinstall the IG2 relay.

    NG → REPLACE IG2 RELAY 

    OK → GO TO SMART ACCESS SYSTEM WITH PUSH-BUTTON START 

  6. INSPECT ECM (MREL VOLTAGE) 
    1. Turn the engine switch on (IG).
      Fig 5: Identifying E4 & A5 ECM Connector (MREL)
      GTY122741Courtesy of © TOYOTA, LICENSE AGREEMENT TMS1002
    2. Measure the voltage according to the value(s) in the table below.

      Standard voltage

      Tester Connection Specified Condition
      MREL (A5-13) - E1 (E4-7) 9 to 14 V

    NG → See step   10 

    OK: Go to next step 

  7. CHECK FUSE (EFI FUSE) 
    1. Remove the EFI fuse from the engine room R/B No. 2.
      Fig 6: Identifying EFI Fuse
      GTY145460Courtesy of © TOYOTA, LICENSE AGREEMENT TMS1002
    2. Measure the resistance of the EFI fuse.

      Standard resistance

      Below 1 Ω

    3. Reinstall the EFI fuse.

    NG → REPLACE EFI FUSE 

    OK: Go to next step 

  8. INSPECT INTEGRATION RELAY (EFI MAIN RELAY) 
    1. Remove the integration relay from the engine room R/B No. 2.
      Fig 7: Identifying Integration Relay
      GTY276826Courtesy of © TOYOTA, LICENSE AGREEMENT TMS1002
    2. Measure the resistance according to the value(s) in the table below.

      Standard resistance

      Tester Connection Specified Condition
      2A-5 - 2A-8 10 kΩ or higher
      Below 1 Ω
      (when battery voltage applied to terminals 2A-6 and 2A-7)
    3. Reinstall the integration relay.

    NG → REPLACE INTEGRATION RELAY 

    OK: Go to next step 

  9. CHECK HARNESS AND CONNECTOR (INTEGRATION RELAY- ECM, INTEGRATION RELAY - BODY GROUND) 
    1. Check the harness and the connectors between the integration relay and the ECM.
      1. Remove the integration relay from the engine room R/B No. 2.
      2. Disconnect the A5 ECM connector.
      3. Measure the resistance according to the value(s) in the table below.

        Standard resistance (Check for open)

        Tester Connection Specified Condition
        2A-6 - MREL (A5-13) Below 1 Ω

        Standard resistance (Check for short)

        Tester Connection Specified Condition
        2A-6 or MREL (A5-13) - Body ground 10 kΩ or higher
      4. Reconnect the ECM connector.
    2. Check the harness and the connectors between the integration relay and body ground.
      1. Measure the resistance according to the value(s) in the table below.

        Standard resistance (Check for open)

        Tester Connection Specified condition
        2A-7 - Body ground Below 1 Ω
      2. Reinstall the integration relay.

    NG → REPAIR OR REPLACE HARNESS OR CONNECTOR 

    OK → CHECK AND REPAIR HARNESS AND CONNECTOR (TERMINAL +B OF ECM - BATTERY POSITIVE TERMINAL) 

  10. REPLACE ECM. Refer to  REMOVAL