LEMON Manuals: Even more car manuals for everyone: 1960-2025
Home >> Lexus >> 2011 >> IS 350C >> Repair and Diagnosis >> Electrical >> Body Electrical >> OEM System Circuits >> Clock >> Notes
April 5, 2026: LEMON Manuals is launched! Read the announcement.

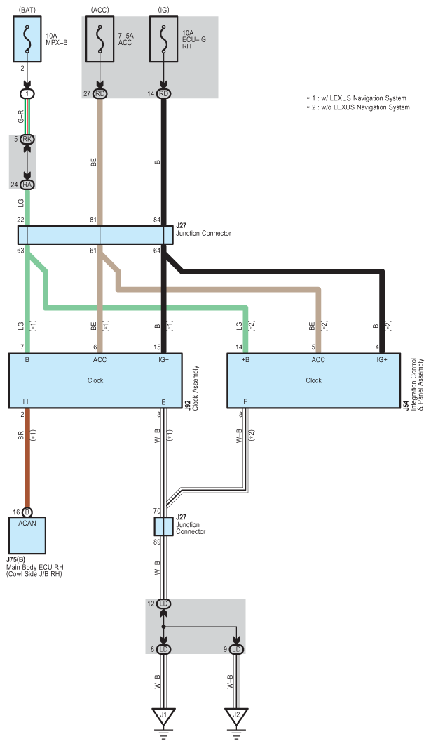
OEM System Circuits: Clock: Notes

Fig 1: Clock - Circuit Diagram
G07585645Courtesy of © TOYOTA, LICENSE AGREEMENT TMS1002