LEMON Manuals: Even more car manuals for everyone: 1960-2025
Home >> Lexus >> 2011 >> IS 350C >> Repair and Diagnosis >> Electrical >> Body Electrical >> OEM System Circuits >> Smart Access System with Push-Button Start >> Notes
April 5, 2026: LEMON Manuals is launched! Read the announcement.

Smart Access System with Push-Button Start: Notes

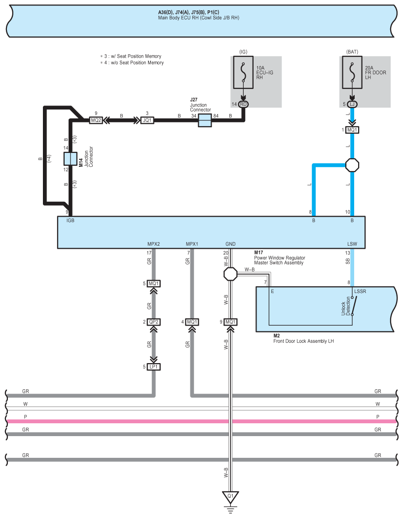
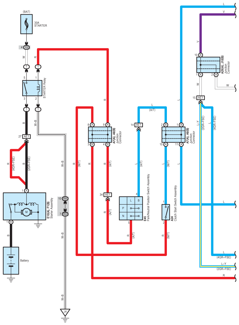
Fig 1: Smart Access System With Push-Button Start - Circuit Diagram (1 Of 18)
G07585319Courtesy of © TOYOTA, LICENSE AGREEMENT TMS1002
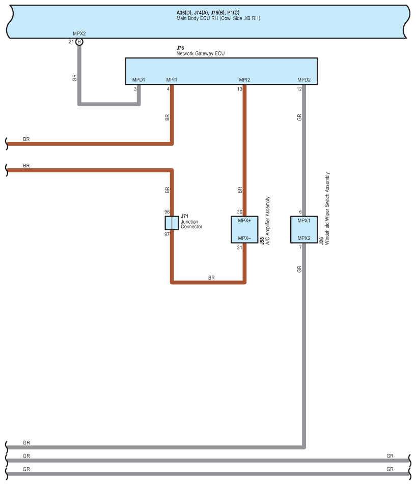
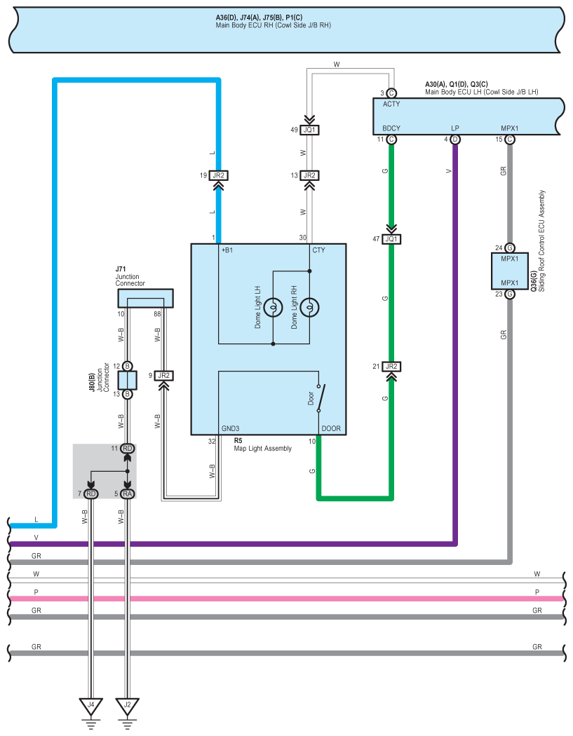
Fig 2: Smart Access System With Push-Button Start - Circuit Diagram (2 Of 18)
G07585320Courtesy of © TOYOTA, LICENSE AGREEMENT TMS1002
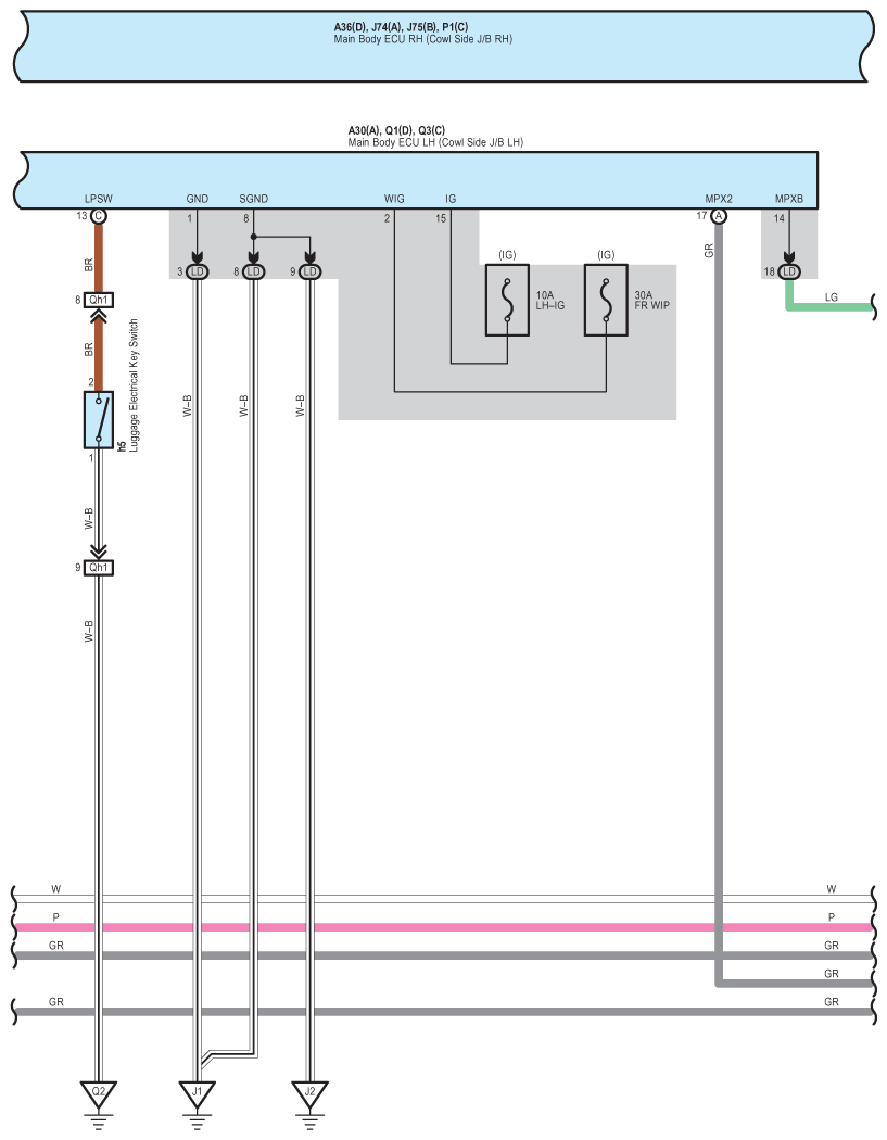
Fig 3: Smart Access System With Push-Button Start - Circuit Diagram (3 Of 18)
G07585321Courtesy of © TOYOTA, LICENSE AGREEMENT TMS1002
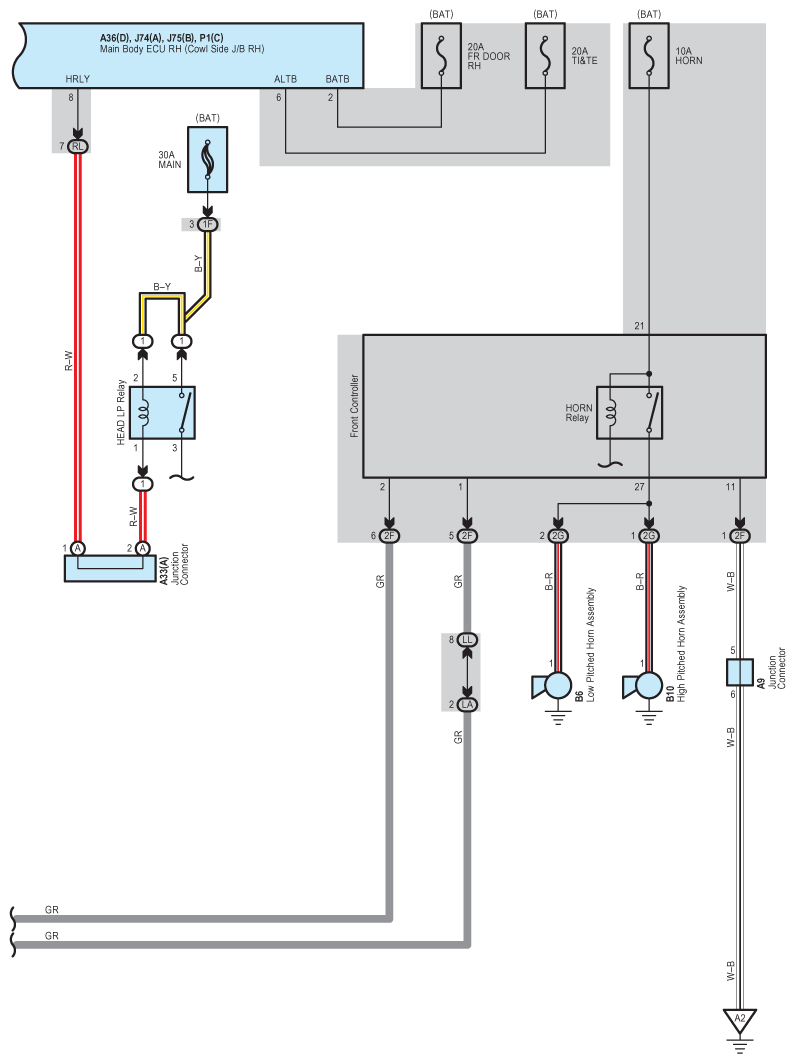
Fig 4: Smart Access System With Push-Button Start - Circuit Diagram (4 Of 18)
G07585322Courtesy of © TOYOTA, LICENSE AGREEMENT TMS1002
Fig 5: Smart Access System With Push-Button Start - Circuit Diagram (5 Of 18)
G07585323Courtesy of © TOYOTA, LICENSE AGREEMENT TMS1002
Fig 6: Smart Access System With Push-Button Start - Circuit Diagram (6 Of 18)
G07585324Courtesy of © TOYOTA, LICENSE AGREEMENT TMS1002
Fig 7: Smart Access System With Push-Button Start - Circuit Diagram (7 Of 18)
G07585325Courtesy of © TOYOTA, LICENSE AGREEMENT TMS1002
Fig 8: Smart Access System With Push-Button Start - Circuit Diagram (8 Of 18)
G07585326Courtesy of © TOYOTA, LICENSE AGREEMENT TMS1002
Fig 9: Smart Access System With Push-Button Start - Circuit Diagram (9 Of 18)
G07585327Courtesy of © TOYOTA, LICENSE AGREEMENT TMS1002
Fig 10: Smart Access System With Push-Button Start - Circuit Diagram (10 Of 18)
G07585328Courtesy of © TOYOTA, LICENSE AGREEMENT TMS1002
Fig 11: Smart Access System With Push-Button Start - Circuit Diagram (11 Of 18)
G07585329Courtesy of © TOYOTA, LICENSE AGREEMENT TMS1002
Fig 12: Smart Access System With Push-Button Start - Circuit Diagram (12 Of 18)
G07585330Courtesy of © TOYOTA, LICENSE AGREEMENT TMS1002
Fig 13: Smart Access System With Push-Button Start - Circuit Diagram (13 Of 18)
G07585331Courtesy of © TOYOTA, LICENSE AGREEMENT TMS1002
Fig 14: Smart Access System With Push-Button Start - Circuit Diagram (14 Of 18)
G07585332Courtesy of © TOYOTA, LICENSE AGREEMENT TMS1002
Fig 15: Smart Access System With Push-Button Start - Circuit Diagram (15 Of 18)
G07585333Courtesy of © TOYOTA, LICENSE AGREEMENT TMS1002
Fig 16: Smart Access System With Push-Button Start - Circuit Diagram (16 Of 18)
G07585334Courtesy of © TOYOTA, LICENSE AGREEMENT TMS1002
Fig 17: Smart Access System With Push-Button Start - Circuit Diagram (17 Of 18)
G07585335Courtesy of © TOYOTA, LICENSE AGREEMENT TMS1002
Fig 18: Smart Access System With Push-Button Start - Circuit Diagram (18 Of 18)
G07585336Courtesy of © TOYOTA, LICENSE AGREEMENT TMS1002