LEMON Manuals: Even more car manuals for everyone: 1960-2025
Home >> Lexus >> 2011 >> LS 460 RWD >> Repair and Diagnosis (Single Page) >> Electrical >> Body Electrical >> OEM System Circuits >> Audio System, LEXUS Navigation System, Parking Assist (Rear View Monitor) and Multi-Display (w/o LEXUS Navigation System) >> Notes
April 5, 2026: LEMON Manuals is launched! Read the announcement.

Audio System, LEXUS Navigation System, Parking Assist (Rear View Monitor) and Multi-Display (w/o LEXUS Navigation System): Notes

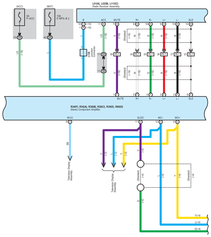
Fig 1: Audio System, Lexus Navigation System, Parking Assist (Rear View Monitor) And Multi-Display (W/O Lexus Navigation System) - Circuit Diagram (1 Of 24)
G07565185Courtesy of © TOYOTA, LICENSE AGREEMENT TMS1002
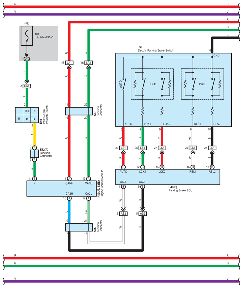
Fig 2: Audio System, Lexus Navigation System, Parking Assist (Rear View Monitor) And Multi-Display (W/O Lexus Navigation System) - Circuit Diagram (2 Of 24)
G07565186Courtesy of © TOYOTA, LICENSE AGREEMENT TMS1002
Fig 3: Audio System, Lexus Navigation System, Parking Assist (Rear View Monitor) And Multi-Display (W/O Lexus Navigation System) - Circuit Diagram (3 Of 24)
G07565187Courtesy of © TOYOTA, LICENSE AGREEMENT TMS1002
Fig 4: Audio System, Lexus Navigation System, Parking Assist (Rear View Monitor) And Multi-Display (W/O Lexus Navigation System) - Circuit Diagram (4 Of 24)
G07565188Courtesy of © TOYOTA, LICENSE AGREEMENT TMS1002
Fig 5: Audio System, Lexus Navigation System, Parking Assist (Rear View Monitor) And Multi-Display (W/O Lexus Navigation System) - Circuit Diagram (5 Of 24)
G07565189Courtesy of © TOYOTA, LICENSE AGREEMENT TMS1002
Fig 6: Audio System, Lexus Navigation System, Parking Assist (Rear View Monitor) And Multi-Display (W/O Lexus Navigation System) - Circuit Diagram (6 Of 24)
G07565190Courtesy of © TOYOTA, LICENSE AGREEMENT TMS1002
Fig 7: Audio System, Lexus Navigation System, Parking Assist (Rear View Monitor) And Multi-Display (W/O Lexus Navigation System) - Circuit Diagram (7 Of 24)
G07565191Courtesy of © TOYOTA, LICENSE AGREEMENT TMS1002
Fig 8: Audio System, Lexus Navigation System, Parking Assist (Rear View Monitor) And Multi-Display (W/O Lexus Navigation System) - Circuit Diagram (8 Of 24)
G07565192Courtesy of © TOYOTA, LICENSE AGREEMENT TMS1002
Fig 9: Audio System, Lexus Navigation System, Parking Assist (Rear View Monitor) And Multi-Display (W/O Lexus Navigation System) - Circuit Diagram (9 Of 24)
G07565193Courtesy of © TOYOTA, LICENSE AGREEMENT TMS1002
Fig 10: Audio System, Lexus Navigation System, Parking Assist (Rear View Monitor) And Multi-Display (W/O Lexus Navigation System) - Circuit Diagram (10 Of 24)
G07565194Courtesy of © TOYOTA, LICENSE AGREEMENT TMS1002
Fig 11: Audio System, Lexus Navigation System, Parking Assist (Rear View Monitor) And Multi-Display (W/O Lexus Navigation System) - Circuit Diagram (11 Of 24)
G07565195Courtesy of © TOYOTA, LICENSE AGREEMENT TMS1002
Fig 12: Audio System, Lexus Navigation System, Parking Assist (Rear View Monitor) And Multi-Display (W/O Lexus Navigation System) - Circuit Diagram (12 Of 24)
G07565196Courtesy of © TOYOTA, LICENSE AGREEMENT TMS1002
Fig 13: Audio System, Lexus Navigation System, Parking Assist (Rear View Monitor) And Multi-Display (W/O Lexus Navigation System) - Circuit Diagram (13 Of 24)
G07565197Courtesy of © TOYOTA, LICENSE AGREEMENT TMS1002
Fig 14: Audio System, Lexus Navigation System, Parking Assist (Rear View Monitor) And Multi-Display (W/O Lexus Navigation System) - Circuit Diagram (14 Of 24)
G07565198Courtesy of © TOYOTA, LICENSE AGREEMENT TMS1002
Fig 15: Audio System, Lexus Navigation System, Parking Assist (Rear View Monitor) And Multi-Display (W/O Lexus Navigation System) - Circuit Diagram (15 Of 24)
G07565199Courtesy of © TOYOTA, LICENSE AGREEMENT TMS1002
Fig 16: Audio System, Lexus Navigation System, Parking Assist (Rear View Monitor) And Multi-Display (W/O Lexus Navigation System) - Circuit Diagram (16 Of 24)
G07565200Courtesy of © TOYOTA, LICENSE AGREEMENT TMS1002
Fig 17: Audio System, Lexus Navigation System, Parking Assist (Rear View Monitor) And Multi-Display (W/O Lexus Navigation System) - Circuit Diagram (17 Of 24)
G07565201Courtesy of © TOYOTA, LICENSE AGREEMENT TMS1002
Fig 18: Audio System, Lexus Navigation System, Parking Assist (Rear View Monitor) And Multi-Display (W/O Lexus Navigation System) - Circuit Diagram (18 Of 24)
G07565202Courtesy of © TOYOTA, LICENSE AGREEMENT TMS1002
Fig 19: Audio System, Lexus Navigation System, Parking Assist (Rear View Monitor) And Multi-Display (W/O Lexus Navigation System) - Circuit Diagram (19 Of 24)
G07565203Courtesy of © TOYOTA, LICENSE AGREEMENT TMS1002
Fig 20: Audio System, Lexus Navigation System, Parking Assist (Rear View Monitor) And Multi-Display (W/O Lexus Navigation System) - Circuit Diagram (20 Of 24)
G07565204Courtesy of © TOYOTA, LICENSE AGREEMENT TMS1002
Fig 21: Audio System, Lexus Navigation System, Parking Assist (Rear View Monitor) And Multi-Display (W/O Lexus Navigation System) - Circuit Diagram (21 Of 24)
G07565205Courtesy of © TOYOTA, LICENSE AGREEMENT TMS1002
Fig 22: Audio System, Lexus Navigation System, Parking Assist (Rear View Monitor) And Multi-Display (W/O Lexus Navigation System) - Circuit Diagram (22 Of 24)
G07565206Courtesy of © TOYOTA, LICENSE AGREEMENT TMS1002
Fig 23: Audio System, Lexus Navigation System, Parking Assist (Rear View Monitor) And Multi-Display (W/O Lexus Navigation System) - Circuit Diagram (23 Of 24)
G07565207Courtesy of © TOYOTA, LICENSE AGREEMENT TMS1002
Fig 24: Audio System, Lexus Navigation System, Parking Assist (Rear View Monitor) And Multi-Display (W/O Lexus Navigation System) - Circuit Diagram (24 Of 24)
G07565208Courtesy of © TOYOTA, LICENSE AGREEMENT TMS1002