LEMON Manuals: Even more car manuals for everyone: 1960-2025
Home >> Lexus >> 2011 >> LX 570 >> Repair and Diagnosis (Single Page) >> Accessories & Equipment >> Anti-Theft Systems >> Smart Access System With Push-Button Start (For Start Function) (Diagnostic Codes & Circuit Tests) >> SMART ACCESS SYSTEM WITH PUSH-BUTTON START (for Start Function) >> Circuit Tests >> Engine does not Start (08/2011 - ) >> Description
April 5, 2026: LEMON Manuals is launched! Read the announcement.

Engine does not Start (08/2011 - ): Description

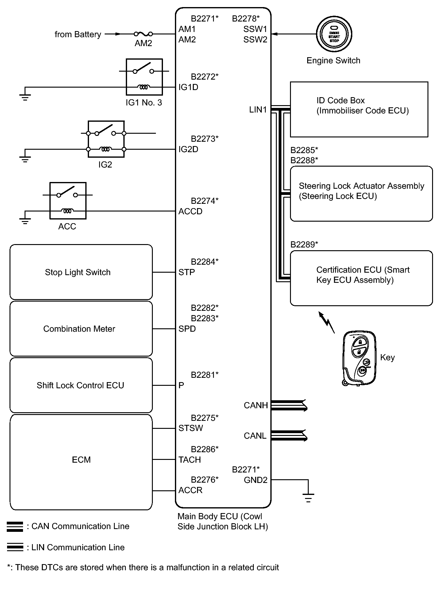
  1. ENGINE START SYSTEM OPERATION 
    1. When the engine switch is pressed with the brake pedal depressed and the shift lever in P, the main body ECU determines that it is an engine start request.
    2. The certification ECU (smart key ECU assembly) and other ECUs perform key verification via the LIN communication line. The engine switch indicator light illuminates in green.
    3. The main body ECU activates the IG1 No. 3 relay, ACC relay and integration relay (IG2 relay).
    4. The certification ECU (smart key ECU assembly) outputs a steering unlock signal. The signal is sent to the steering lock ECU via the LIN communication line.
    5. The main body ECU sends an engine start request signal to the ECM.
    6. The main body ECU deactivates the ACC relay until the ECU detects an engine start.
    7. The ECU reactivates the ACC relay and turns off the engine switch indicator light.
      Symbols of Main Body ECU Signals
      SSW1/SSW2 Engine switch on (ACC), on (IG) signal
      IG1D IG1 No. 3 relay operation signal
      ACCD ACC relay operation signal
      IG2D Integration relay (IG2 relay) operation signal
      STP Stop light switch signal
      P Shift lock signal
      TACH Engine start detection signal
      STSW Starter activation request signal
      ACCR ACC cut request signal
    Fig 1: Engine - Circuit Diagram
    GTY352428Courtesy of © TOYOTA, LICENSE AGREEMENT TMS1002