LEMON Manuals: Even more car manuals for everyone: 1960-2025
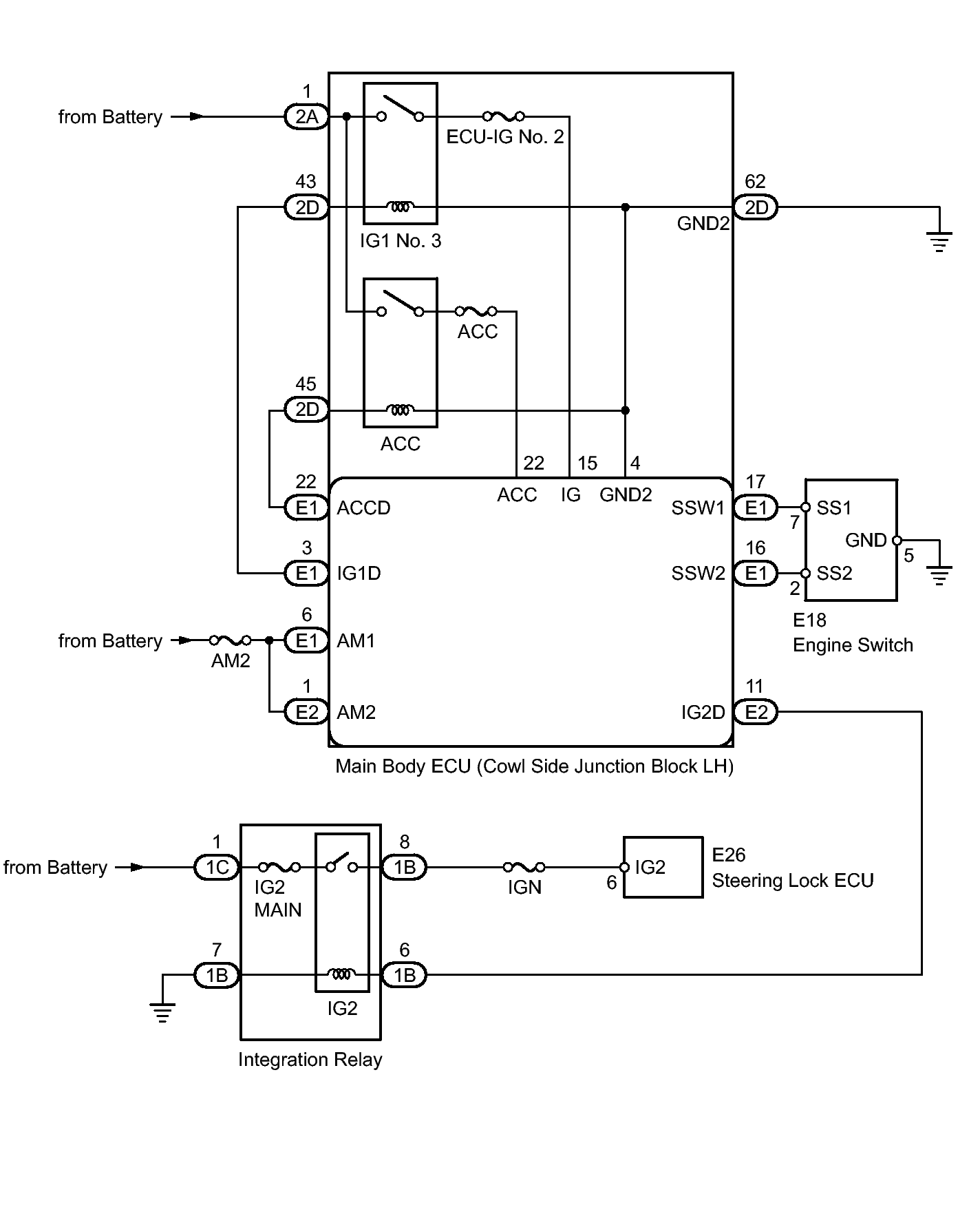
Home >> Lexus >> 2011 >> LX 570 >> Repair and Diagnosis (Single Page) >> Accessories & Equipment >> Anti-Theft Systems >> Smart Access System With Push-Button Start (For Start Function) (Diagnostic Codes & Circuit Tests) >> SMART ACCESS SYSTEM WITH PUSH-BUTTON START (for Start Function) >> Circuit Tests >> Power Source Mode does not Change (08/2011 - ) >> Wiring Diagram
April 5, 2026: LEMON Manuals is launched! Read the announcement.

Power Source Mode does not Change (08/2011 - ): Wiring Diagram

Fig 1: Power Source Mode - Wiring Diagram
GTY360433Courtesy of © TOYOTA, LICENSE AGREEMENT TMS1002