LEMON Manuals: Even more car manuals for everyone: 1960-2025
Home >> Lexus >> 2011 >> LX 570 >> Repair and Diagnosis (Single Page) >> Electrical >> Fuses & Circuit Breakers >> OEM Junction Block, Ecu & Fuse/Relay Locations >> Relay Block Identification >> Engine Room Relay Block Assembly And Engine Room Junction Block Assembly Inner Circuit
April 5, 2026: LEMON Manuals is launched! Read the announcement.

Engine Room Relay Block Assembly And Engine Room Junction Block Assembly Inner Circuit

Fig 1: Engine Room R/B And J/B Assemblies Inner Circuit Diagram (View A)
G07575399Courtesy of © TOYOTA, LICENSE AGREEMENT TMS1002
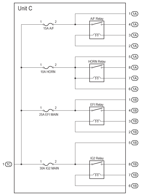
Fig 2: Engine Room Relay Block And J/B Assemblies Inner Circuit Diagram (View C)
G07575400Courtesy of © TOYOTA, LICENSE AGREEMENT TMS1002
ENGINE ROOM R/B AND J/B INNER CIRCUIT RELAY IDENTIFICATION (VIEW C)

RELAY DESCRIPTION
A/F Relay
Horn Relay
EFI Relay
IG2 Relay