LEMON Manuals: Even more car manuals for everyone: 1960-2025
Home >> Lexus >> 2011 >> RX 350 AWD >> Repair and Diagnosis (Single Page) >> Accessories & Equipment >> Anti-Theft Systems >> Smart Access System With Push-Button Start (For Start Function) (Diagnostic Codes & Symptom Tests) >> SMART ACCESS SYSTEM WITH PUSH-BUTTON START (for Start Function) >> Symptom Tests >> Engine does not Start >> Procedure
April 5, 2026: LEMON Manuals is launched! Read the announcement.

Engine does not Start: Procedure

  1. CHECK IF ENGINE STARTS 
    1. Place the electrical key on the driver seat.
    2. Move the shift lever to P.
    3. Depress the brake pedal.
    4. Check that the engine switch indicator light is green. Then press the engine switch to check if the engine starts.

      OK

      Engine can be started.

    NG → See step   2 

    OK → END (ENGINE START PERMISSION CONDITIONS WERE NOT SATISFIED) 

  2. CHECK FOR DTC 
    1. Connect the Techstream to the DLC3.
    2. Turn the engine switch on (IG).
    3. Turn the Techstream on.
    4. Enter the following menus: Body Electrical / each ECU / Trouble Code.
    5. Check for DTCs.

      OK

      DTC is not output.

    NG → GO TO  DIAGNOSTIC TROUBLE CODE CHART 

    OK: Go to next step 

  3. READ VALUE USING TECHSTREAM 
    1. Enter the following menus: Body Electrical / Smart Access / Data List.
    2. Read the Data List according to the display on the Techstream.
      SMART ACCESS

      Tester Display Measurement Item/Range Normal Condition Diagnostic Note
      Power Supply Open Open in ECU/NG (Past) or OK NG (Past): Open in ECU
      OK: No malfunction
      -

      OK

      OK (No malfunction) appears on the screen.

    NG → See step   23 

    OK: Go to next step 

  4. CHECK POWER SOURCE CONDITION 
    1. Check if the power source mode changes.
      1. When the key is inside the vehicle and the shift lever is in P, check that the power source mode changes.

        Result

        Result Proceed to
        OK: off → on (ACC) → on (IG) → off A
        Power source mode does not change to on (IG and ACC) B
        Power source mode does not change to on (IG) C
        Power source mode does not change to on (ACC) D

    B → See step   24 

    C → See step   25 

    D → See step   26 

    A: Go to next step 

  5. CHECK CRANKING FUNCTION 
    1. Check the engine cranking function.
      1. When there is fuel in the fuel tank, the key is inside the vehicle, and the shift lever is in P, check that depressing the brake pedal and pressing the engine switch cranks the engine.

        OK

        Engine cranks.

    NG → See step   6 

    OK → See step   27 

  6. INSPECT PARK/NEUTRAL POSITION SWITCH ASSEMBLY 
    1. Disconnect the D8 connector.
      Fig 1: D8 Connector
      GTY355384Courtesy of © TOYOTA, LICENSE AGREEMENT TMS1002
    2. Measure the resistance according to the value(s) in the table below.

      Standard Resistance

      Tester Connection Condition Specified Condition
      D8-4 (B) - D8-9 (L) Shift lever in P or N Below 1 Ω
      D8-4 (B) - D8-9 (L) Shift lever not in P or N 10 kΩ or higher
      TEXT IN ILLUSTRATION

      *1 Components without harness connected
      (Park/Neutral Position Switch)

    NG → See step   20 

    OK: Go to next step 

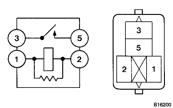
  7. INSPECT STARTER RELAY ASSEMBLY 
    1. Remove the ST relay from the engine room relay block assembly.
      Fig 2: Identifying Relay Test Terminals
      GTY100961Courtesy of © TOYOTA, LICENSE AGREEMENT TMS1002
    2. Measure the resistance according to the value(s) in the table below.

      Standard Resistance

      Tester Connection Condition Specified Condition
      3 - 5 Battery voltage not applied to terminals 1 and 2 10 kΩ or higher
      3 - 5 Battery voltage applied to terminals 1 and 2 Below 1 Ω

    NG → See step   20 

    OK: Go to next step 

  8. CHECK HARNESS AND CONNECTOR (POWER MANAGEMENT CONTROL ECU - BODY GROUND) 
    1. Disconnect the F7 connector from the power management control ECU.
      Fig 3: F7 Connector
      GTY357347Courtesy of © TOYOTA, LICENSE AGREEMENT TMS1002
    2. The shift lever is in P or N.
    3. Measure the resistance according to the value(s) in the table below.

      Standard Resistance

      Tester Connection Condition Specified Condition
      F7-3 (STAR) - Body ground Always 93.8 to 136.4 Ω
      TEXT IN ILLUSTRATION

      *1 Front view of wire harness connector
      (to Power Management Control ECU)

    NG → See step   20 

    OK: Go to next step 

  9. READ VALUE USING TECHSTREAM (STOP LIGHT SWITCH ASSEMBLY) 
    1. Enter the following menus: Body Electrical / Power Source Control / Data List.
    2. Read the Data List according to the display on the Techstream.
      POWER SOURCE CONTROL

      Tester Display Measurement Item/Range Normal Condition Diagnostic Note
      Stop Light Switch1 Stop light switch 1/ON or OFF ON: Brake pedal depressed
      OFF: Brake pedal released
      -

      OK

      ON (brake pedal depressed) and OFF (brake pedal released) appear on the screen.

    NG → See step   16 

    OK: Go to next step 

  10. READ VALUE USING TECHSTREAM (STEERING UNLOCK SWITCH) 
    1. Enter the following menus: Body Electrical / Power Source Control / Date List.
    2. Read the Data List according to the display on the Techstream.
      POWER SOURCE CONTROL

      Tester Display Measurement Item/Range Normal Condition Diagnostic Note
      Steering Unlock Switch Steering unlock condition/ON or OFF ON: Steering is unlocked
      OFF: Steering is locked
      -

      OK

      ON (steering is unlocked) and OFF (steering is unlocked) appear on the screen.

    NG → See step   18 

    OK: Go to next step 

  11. CHECK STEERING LOCK 
    1. Turn the engine switch from off to on (ACC) and check that the steering lock moves to the unlocked position when the engine switch is on (ACC).

      OK

      Lock moves to unlocked position.

    NG → See step   28 

    OK: Go to next step 

  12. READ VALUE USING TECHSTREAM (L CODE) 
    1. Enter the following menus: Body Electrical / Smart Access / Data List.
    2. Read the Data List according to the display on the Techstream.
      SMART ACCESS

      Tester Display Measurement Item/Range Normal Condition Diagnostic Note
      L Code Check L code certification result/OK or NG OK: L code certification result normal
      NG: L code certification result abnormal
      -

      OK

      OK appears on the screen.

    NG → See step   29 

    OK: Go to next step 

  13. READ VALUE USING TECHSTREAM (ENGINE START REQUEST) 
    1. Enter the following menus: Body Electrical / Smart Access / Data List.
    2. Read the Data List according to the display on the Techstream.
      SMART ACCESS

      Tester Display Measurement Item/Range Normal Condition Diagnostic Note
      Engine Start Request Start request signal response/OK or NG OK: Start request condition signal received
      NG: Start request condition signal not received
      -

      OK

      OK appears on the screen.

    NG → See step   30 

    OK: Go to next step 

  14. READ VALUE USING TECHSTREAM (S CODE) 
    1. Enter the following menus: Body Electrical / Smart Access / Data List.
    2. Read the Data List according to the display on the Techstream.
      SMART ACCESS

      Tester Display Measurement Item/Range Normal Condition Diagnostic Note
      S Code Check S code certification result/OK or NG OK: S code certification result normal
      NG: S code certification result abnormal
      -

      OK

      OK (S code certification result normal) appears on the screen.

    NG → See step   31 

    OK: Go to next step 

  15. READ VALUE USING TECHSTREAM (STARTER REQUEST SIGNAL) 
    1. Enter the following menu: Body Electrical / Power Source Control / Data List.
    2. Read the Data List according to the value(s) in the table below.
      POWER SOURCE CONTROL

      Tester Display Measurement Item/Range Normal Condition Specified Condition
      Starter Request Signal Starter request signal monitor/ON or OFF ON: ST relay is ON
      OFF: ST relay is OFF
      Engine switch pressed and held with shift lever in P or N

      OK

      ON (ST relay on) and OFF (ST relay off) appear on the screen.

    NG → See step   32 

    OK → See step   33 

  16. INSPECT STOP LIGHT SWITCH ASSEMBLY See step   3 

    NG → See step   34 

    OK: Go to next step 

  17. CHECK HARNESS AND CONNECTOR (STOP LIGHT SWITCH ASSEMBLY - POWER MANAGEMENT CONTROL ECU) 
    1. Disconnect the F7 connector from the power management control ECU.
      Fig 4: F7 & A47 Connector
      GTY351923Courtesy of © TOYOTA, LICENSE AGREEMENT TMS1002
    2. Measure the resistance according to the value(s) in the table below.

      Standard Resistance

      Tester Connection Condition Specified Condition
      F7-11 (STP1) - A47-1 Always Below 1 Ω
      F7-11 (STP1) - Body ground Always 10 kΩ or higher
    3. Reconnect the F7 connector to the power management control ECU.
    4. Measure the voltage according to the value(s) in the table below.

      Standard Voltage

      Tester Connection Condition Specified Condition
      F7-11 (STP1) - Body ground Brake pedal released Below 1 V
      F7-11 (STP1) - Body ground Brake pedal depressed Output voltage at terminal AM21 or AM22 -2.5 V or more
      TEXT IN ILLUSTRATION

      *1 Front view of wire harness connector
      (to Power Management Control ECU)
      *2 Front view of wire harness connector
      (to Stop Light Switch Assembly)

    NG → REPAIR OR REPLACE HARNESS OR CONNECTOR 

    OK → See step   35 

  18. CHECK HARNESS AND CONNECTOR (POWER MANAGEMENT CONTROL ECU - STEERING LOCK ECU) See step   5 

    NG → REPAIR OR REPLACE HARNESS OR CONNECTOR 

    OK: Go to next step 

  19. INSPECT STEERING LOCK ACTUATOR ASSEMBLY 
    1. Reconnect the F37 connector to the steering lock actuator assembly (steering lock ECU).
      Fig 5: F37 Connector
      GTY351799Courtesy of © TOYOTA, LICENSE AGREEMENT TMS1002
    2. Measure the resistance according to the value(s) in the table below.

      Standard Resistance

      Tester Connection Condition Specified Condition
      F37-4 (SLP1) - Body ground Steering locked 10 kΩ or higher
      F37-4 (SLP1) - Body ground Steering unlocked Below 1 Ω
      TEXT IN ILLUSTRATION

      *1 Component with harness connected
      (Steering Lock Actuator Assembly (Steering Lock ECU))

    NG → See step   36 

    OK → See step   37 

  20. REPAIR OR REPLACE HARNESS OR CONNECTOR OR ST RELAY OR PARK/NEUTRAL POSITION SWITCH 
    1. Replace with a new or normally functioning part. Repair or replace any damaged wire harness or connector.

    NEXT: Go to next step 

  21. READ VALUE USING TECHSTREAM (STARTER REQUEST SIGNAL) 
    1. Enter the following menus: Body Electrical / Power Source Control / Data List.
    2. Read the Data List according to the display on the Techstream.
      POWER SOURCE CONTROL

      Tester Display Measurement Item/Range Normal Condition Diagnostic Note
      Starter Request Signal Starter request signal monitor/ON or OFF ON: ST relay is on
      OFF: ST relay is off
      -
      NOTE:

      Check that the engine switch indicator is illuminated in green and push the engine switch.

      OK

      ON (ST relay on) and OFF (ST relay off) appear on the screen.

    NG → See step   38 

    OK: Go to next step 

  22. CHECK IF ENGINE STARTS 
    1. Place the electrical key on the driver seat.
    2. Move the shift lever to P.
    3. Depress the brake pedal.
    4. Check that the engine switch indicator light is green. Then press the engine switch to check if the engine starts.

      OK

      Engine can be started.

    NG → CHECK HARNESS AND CONNECTOR (MALFUNCTION IN RELAY CONTACT SIDE CIRCUIT) 

    OK → END 

  23. GO TO STEERING LOCK SYSTEM. Refer to  DTC B2782: Power Source Control ECU Malfunction 
  24. GO TO OTHER FLOW CHART (Power Source Mode does not Change to ON (IG and ACC)). Refer to  Power Source Mode does not Change to ON (IG and ACC)  
  25. GO TO OTHER FLOW CHART (Power Source Mode does not Change to ON (IG)). Refer to  Power Source Mode does not Change to ON (IG)  
  26. GO TO OTHER FLOW CHART (Power Source Mode does not Change to ON (ACC)). Refer to  Power Source Mode does not Change to ON (ACC)  
  27. GO TO SFI SYSTEM. Refer to  PROBLEM SYMPTOMS TABLE 
  28. GO TO STEERING LOCK SYSTEM. Refer to  PROBLEM SYMPTOMS TABLE 
  29. GO TO ENGINE IMMOBILISER SYSTEM. Refer to  HOW TO PROCEED WITH TROUBLESHOOTING 
  30. REPLACE CERTIFICATION ECU (SMART KEY ECU ASSEMBLY). Refer to  REMOVAL 
  31. GO TO ENGINE IMMOBILISER SYSTEM. Refer to  HOW TO PROCEED WITH TROUBLESHOOTING 
  32. REPLACE POWER MANAGEMENT CONTROL ECU. Refer to  REMOVAL 
  33. GO TO SFI SYSTEM. Refer to  PROBLEM SYMPTOMS TABLE 
  34. REPLACE STOP LIGHT SWITCH ASSEMBLY. Refer to  REMOVAL 
  35. REPLACE POWER MANAGEMENT CONTROL ECU. Refer to  REMOVAL 
  36. REPLACE STEERING LOCK ACTUATOR ASSEMBLY (STEERING LOCK ECU). Refer to  DISASSEMBLY - Step 1 
  37. REPLACE POWER MANAGEMENT CONTROL ECU. Refer to  REMOVAL 
  38. REPLACE POWER MANAGEMENT CONTROL ECU. Refer to  REMOVAL