LEMON Manuals: Even more car manuals for everyone: 1960-2025
Home >> Lexus >> 2011 >> RX 350 AWD >> Repair and Diagnosis (Single Page) >> Accessories & Equipment >> Anti-Theft Systems >> Smart Access System With Push-Button Start (For Start Function) (Diagnostic Codes & Symptom Tests) >> SMART ACCESS SYSTEM WITH PUSH-BUTTON START (for Start Function) >> Symptom Tests >> Engine does not Start >> Wiring Diagram
April 5, 2026: LEMON Manuals is launched! Read the announcement.

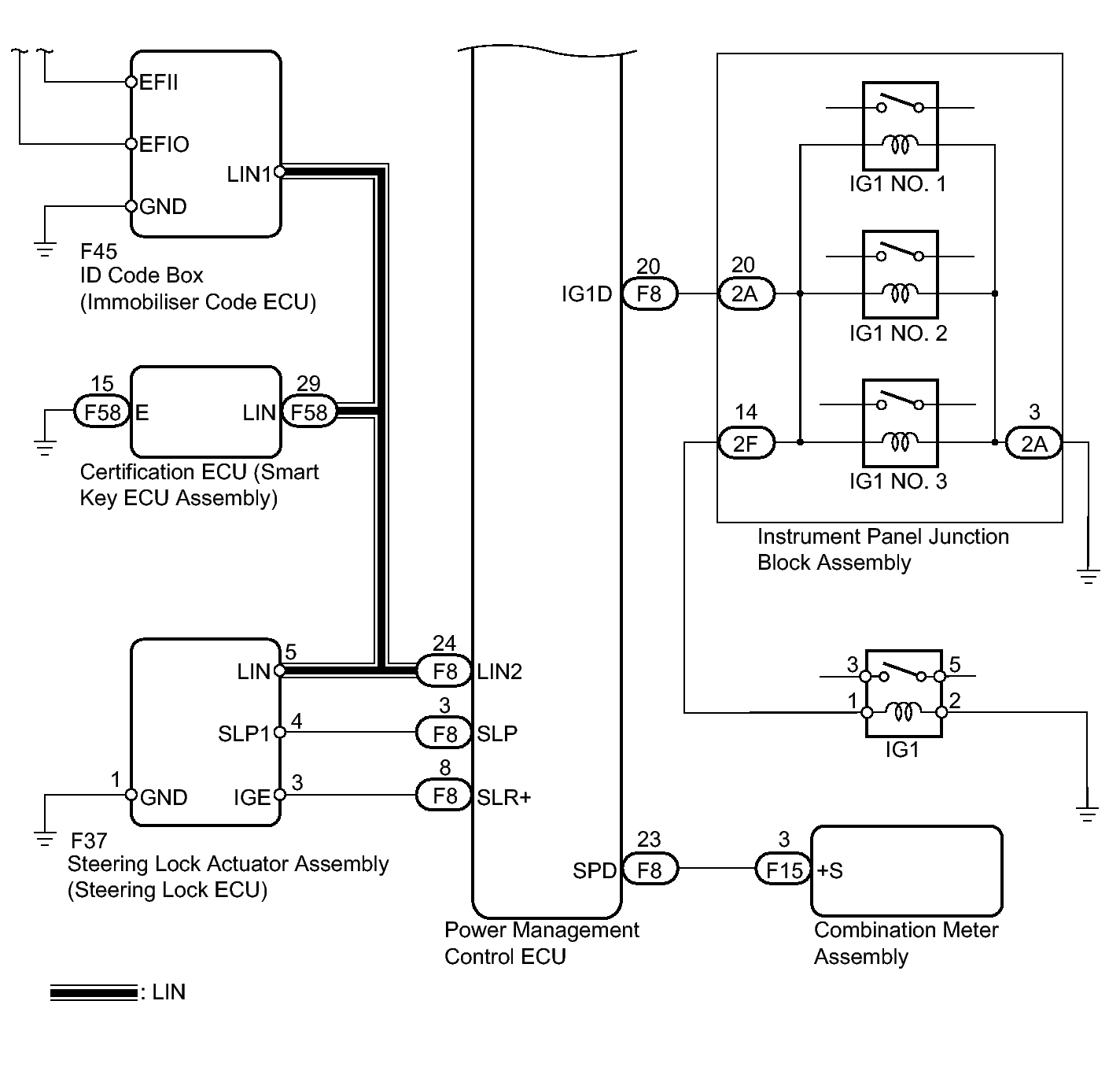
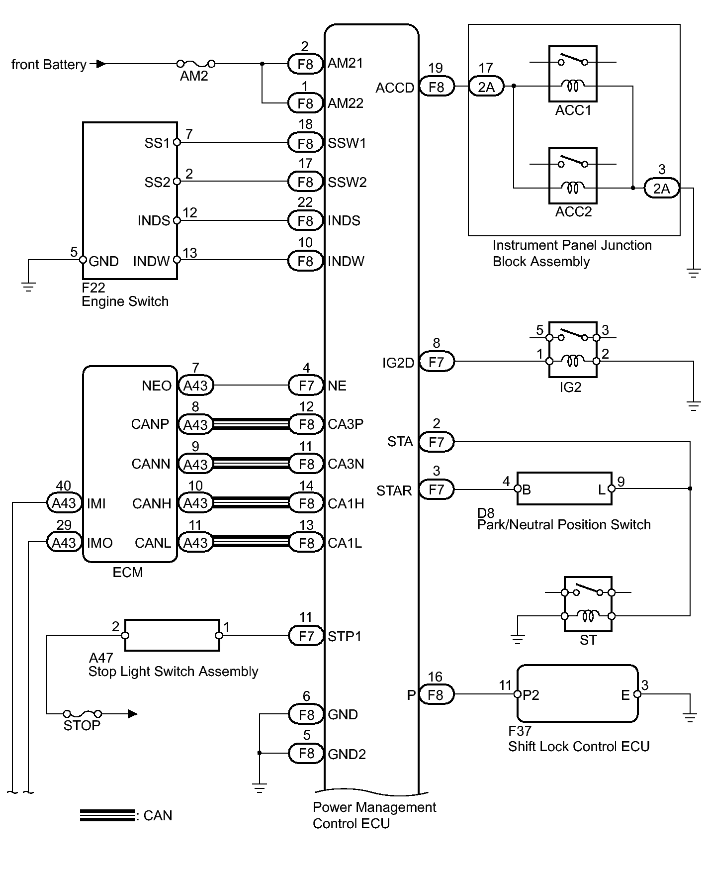
Engine does not Start: Wiring Diagram

Fig 1: Identifying Engine Start System Wiring Diagram (1 Of 2)
GTY358159Courtesy of © TOYOTA, LICENSE AGREEMENT TMS1002
Fig 2: Identifying Engine Start System Wiring Diagram (2 Of 2)
GTY348576Courtesy of © TOYOTA, LICENSE AGREEMENT TMS1002