LEMON Manuals: Even more car manuals for everyone: 1960-2025
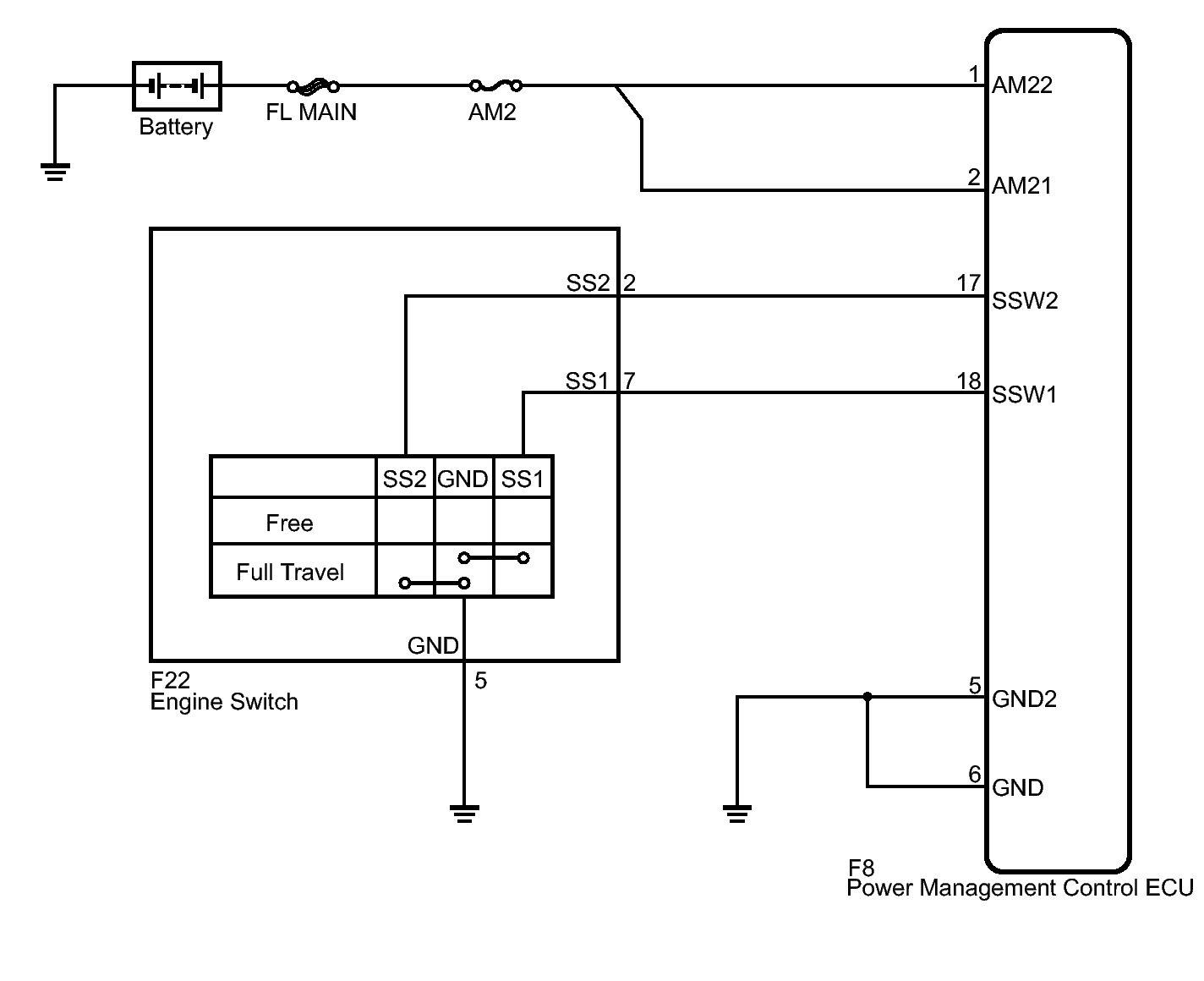
Home >> Lexus >> 2011 >> RX 350 AWD >> Repair and Diagnosis (Single Page) >> Accessories & Equipment >> Anti-Theft Systems >> Smart Access System With Push-Button Start (For Start Function) (Diagnostic Codes & Symptom Tests) >> SMART ACCESS SYSTEM WITH PUSH-BUTTON START (for Start Function) >> Symptom Tests >> Power Source Mode does not Change to ON (IG and ACC) >> Wiring Diagram
April 5, 2026: LEMON Manuals is launched! Read the announcement.

Power Source Mode does not Change to ON (IG and ACC): Wiring Diagram

Fig 1: Identifying Power Source Mode Wiring Diagram
GTY357128Courtesy of © TOYOTA, LICENSE AGREEMENT TMS1002