LEMON Manuals: Even more car manuals for everyone: 1960-2025
Home >> Lexus >> 2011 >> RX 350 AWD >> Repair and Diagnosis (Single Page) >> Body & Frame >> Door Locks >> Smart Access System With Push-Button Start (For Start Function) (Diagnostic Codes & Symptom Tests) >> SMART ACCESS SYSTEM WITH PUSH-BUTTON START (for Start Function) >> DTC B2283: Vehicle Speed Sensor Malfunction >> Wiring Diagram
April 5, 2026: LEMON Manuals is launched! Read the announcement.

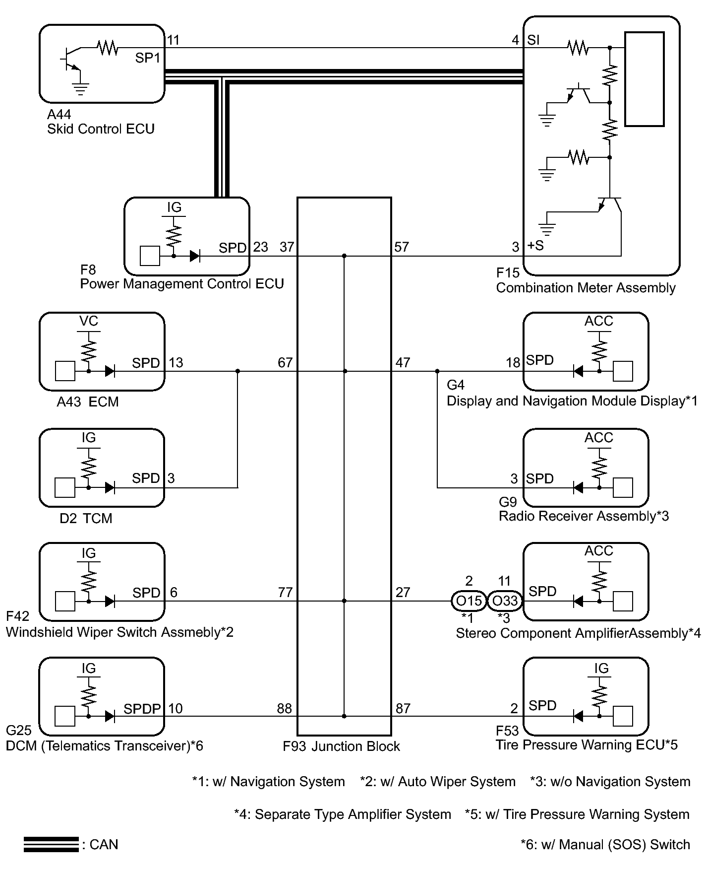
DTC B2283: Vehicle Speed Sensor Malfunction: Wiring Diagram

Fig 1: Identifying Vehicle Speed Sensor Wiring Diagram
GTY357534Courtesy of © TOYOTA, LICENSE AGREEMENT TMS1002