LEMON Manuals: Even more car manuals for everyone: 1960-2025
Home >> Lexus >> 2011 >> RX 350 AWD >> Repair and Diagnosis (Single Page) >> Electrical >> Body Electrical >> OEM Overall Electrical Wiring Diagram >> Overall Electrical Wiring Diagram >> Audio System (w/ LEXUS Navigation System), LEXUS Navigation System, Parking Assist (Rear View Monitor w/ LEXUS Navigation System)
April 5, 2026: LEMON Manuals is launched! Read the announcement.

Audio System (w/ LEXUS Navigation System), LEXUS Navigation System, Parking Assist (Rear View Monitor w/ LEXUS Navigation System)

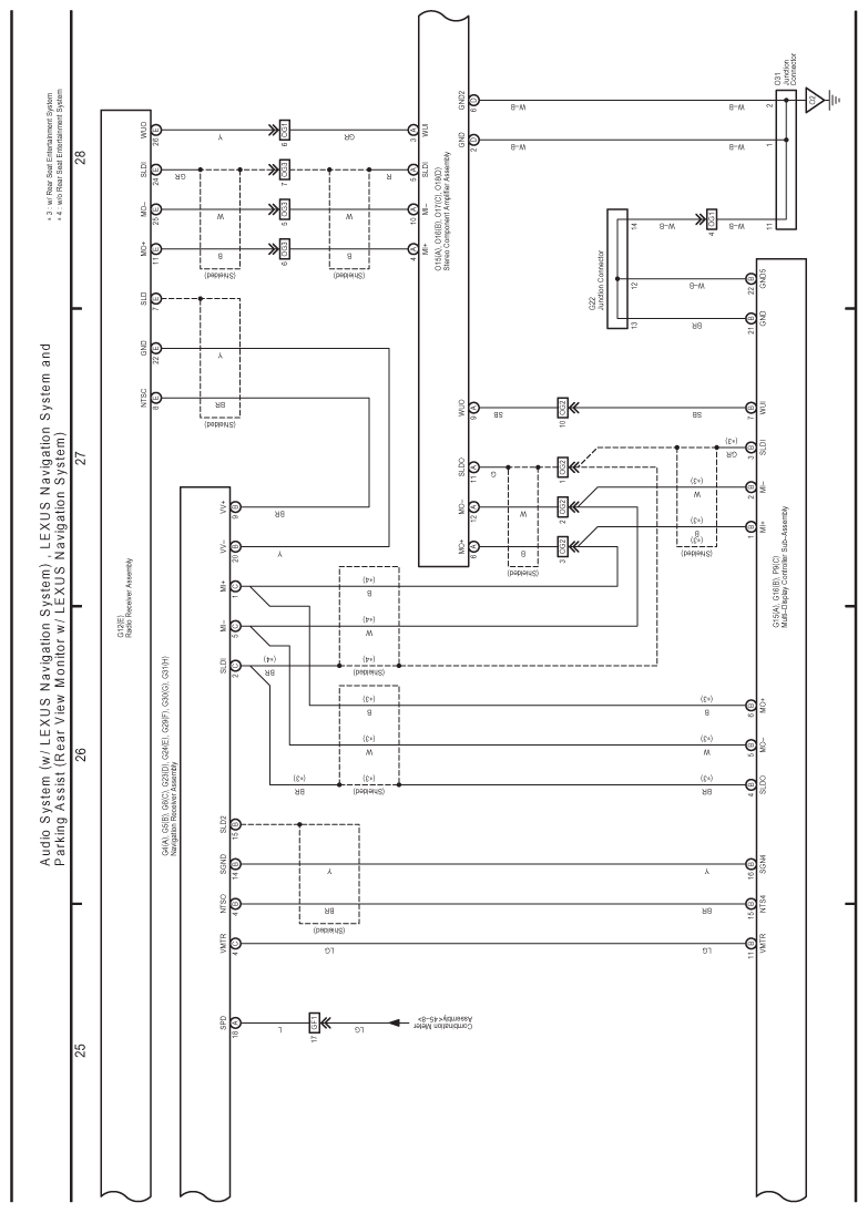
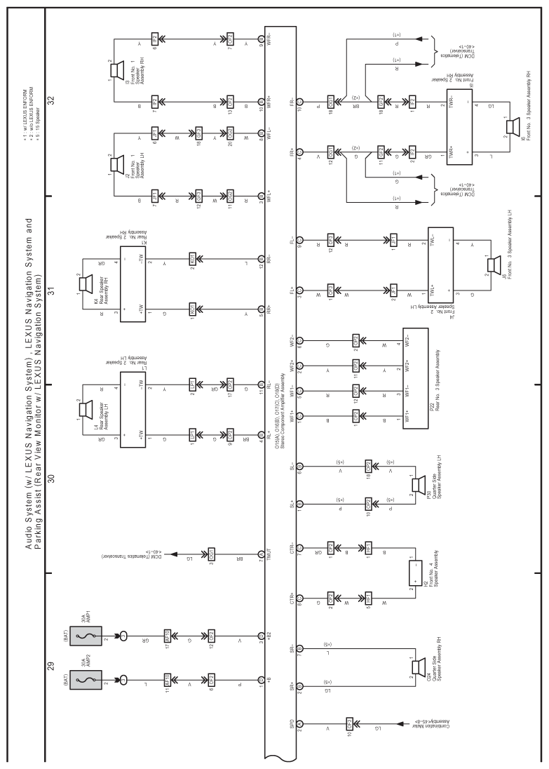
Fig 1: Audio System (W/ Lexus Navigation System), Lexus Navigation System And Parking Assist Electrical Wiring Diagram (1 Of 8)
G07576455Courtesy of © TOYOTA, LICENSE AGREEMENT TMS1002
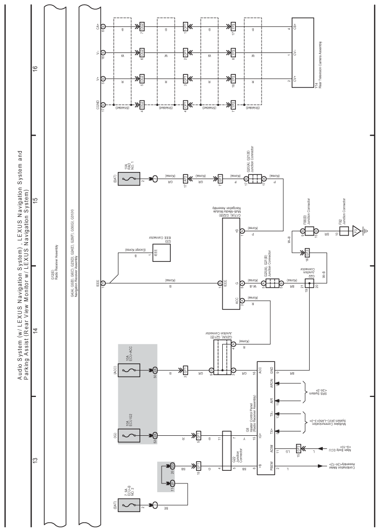
Fig 2: Audio System (W/ Lexus Navigation System), Lexus Navigation System And Parking Assist Electrical Wiring Diagram (2 Of 8)
G07576456Courtesy of © TOYOTA, LICENSE AGREEMENT TMS1002
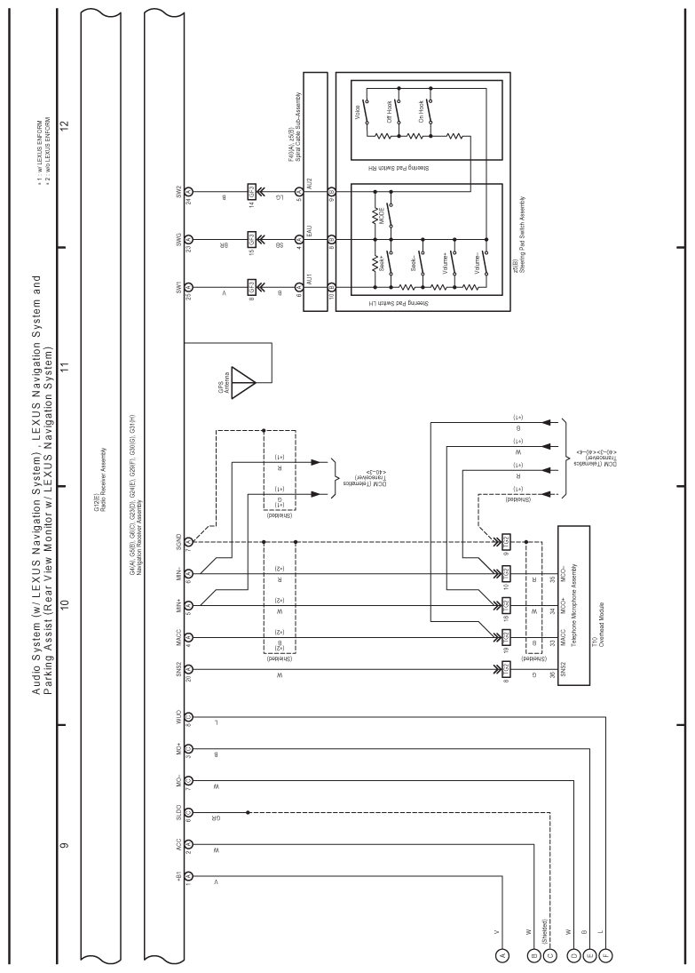
Fig 3: Audio System (W/ Lexus Navigation System), Lexus Navigation System And Parking Assist Electrical Wiring Diagram (3 Of 8)
G07576457Courtesy of © TOYOTA, LICENSE AGREEMENT TMS1002
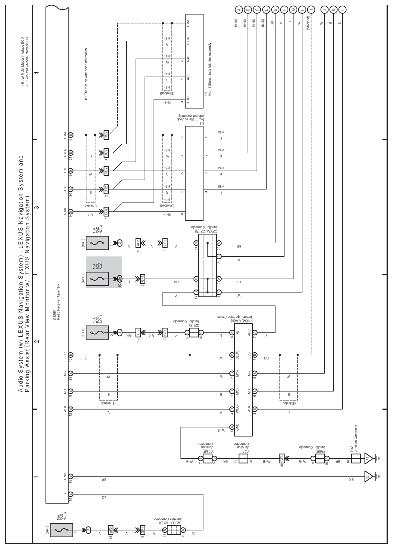
Fig 4: Audio System (W/ Lexus Navigation System), Lexus Navigation System And Parking Assist Electrical Wiring Diagram (4 Of 8)
G07576458Courtesy of © TOYOTA, LICENSE AGREEMENT TMS1002
Fig 5: Audio System (W/ Lexus Navigation System), Lexus Navigation System And Parking Assist Electrical Wiring Diagram (5 Of 8)
G07576459Courtesy of © TOYOTA, LICENSE AGREEMENT TMS1002
Fig 6: Audio System (W/ Lexus Navigation System), Lexus Navigation System And Parking Assist Electrical Wiring Diagram (6 Of 8)
G07576460Courtesy of © TOYOTA, LICENSE AGREEMENT TMS1002
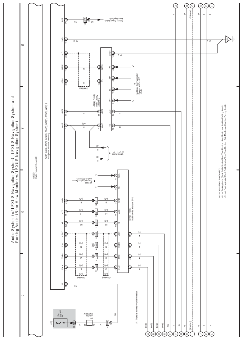
Fig 7: Audio System (W/ Lexus Navigation System), Lexus Navigation System And Parking Assist Electrical Wiring Diagram (7 Of 8)
G07576461Courtesy of © TOYOTA, LICENSE AGREEMENT TMS1002
Fig 8: Audio System (W/ Lexus Navigation System), Lexus Navigation System And Parking Assist Electrical Wiring Diagram (8 Of 8)
G07576462Courtesy of © TOYOTA, LICENSE AGREEMENT TMS1002