LEMON Manuals: Even more car manuals for everyone: 1960-2025
Home >> Lexus >> 2011 >> RX 350 FWD >> Repair and Diagnosis >> Engine Performance >> System >> Engine Control System SFI System [2GR-FE] (Diagnostics - Introduction) >> SFI System >> System Diagram >> System Diagram
April 5, 2026: LEMON Manuals is launched! Read the announcement.

System Diagram

Fig 1: Identifying ECM System Diagram (1 Of 5)
GTY287134Courtesy of © TOYOTA, LICENSE AGREEMENT TMS1002
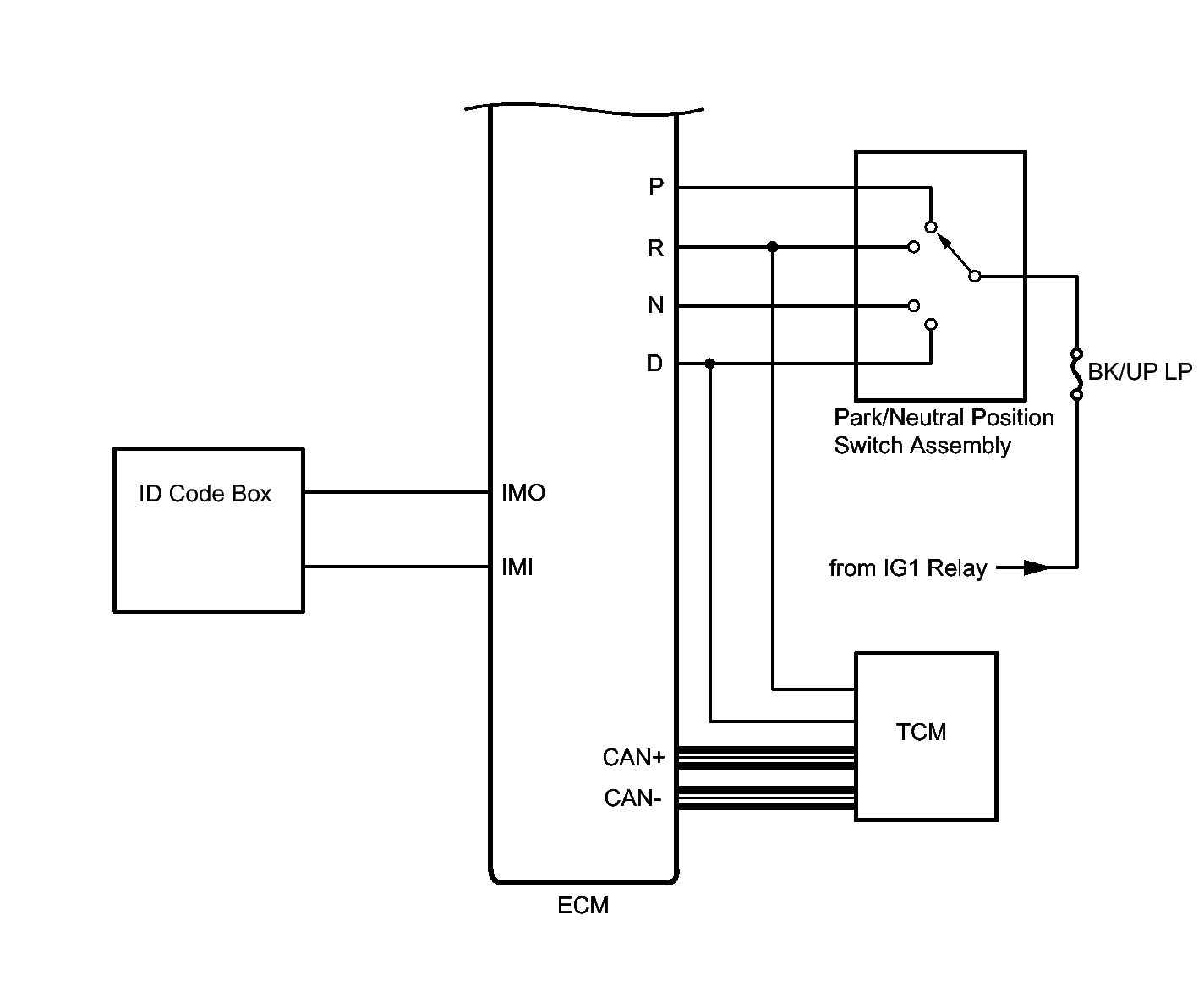
Fig 2: Identifying ECM System Diagram (2 Of 5)
GTY349157Courtesy of © TOYOTA, LICENSE AGREEMENT TMS1002
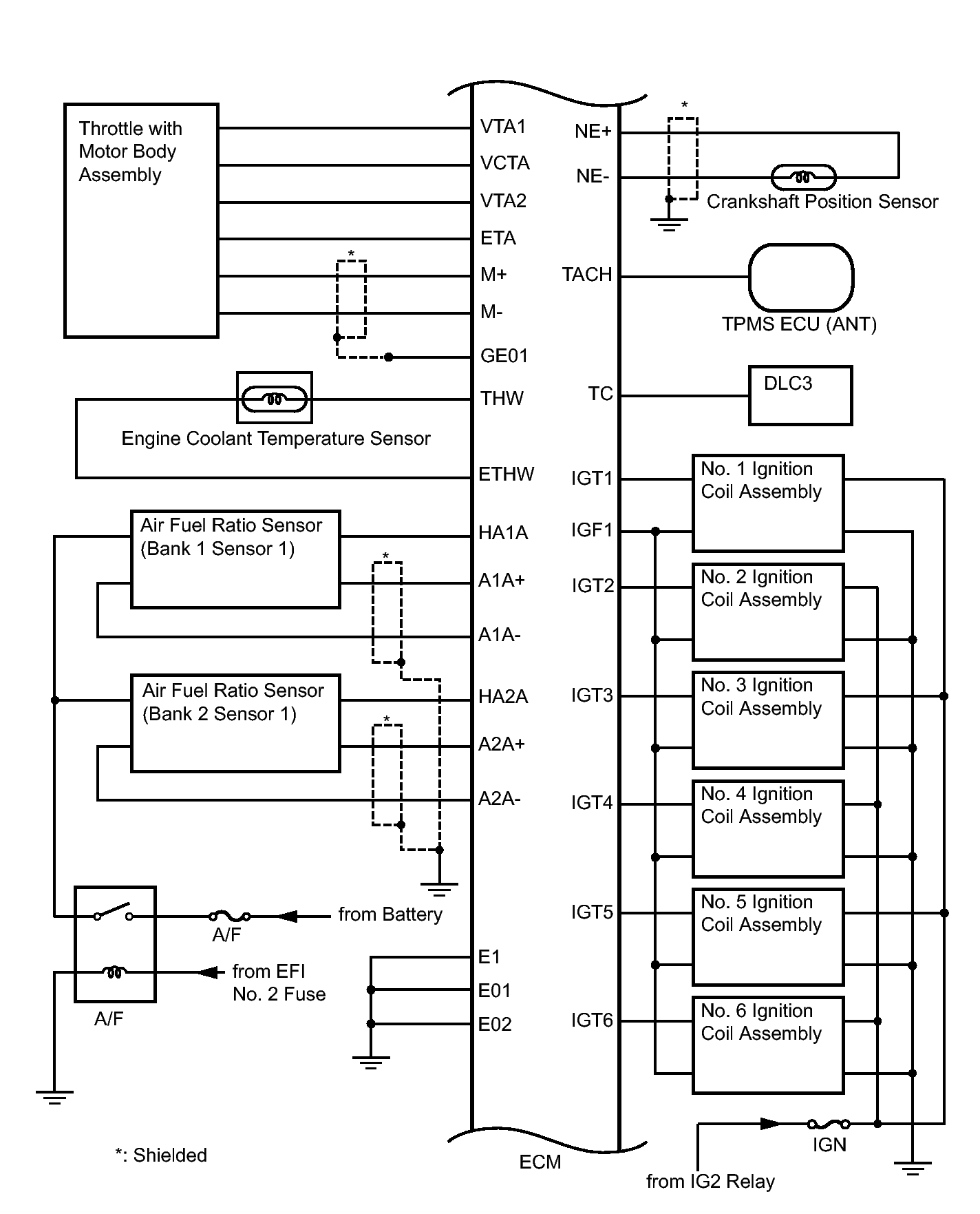
Fig 3: Identifying ECM System Diagram (3 Of 5)
GTY271770Courtesy of © TOYOTA, LICENSE AGREEMENT TMS1002
Fig 4: Identifying ECM System Diagram (4 Of 5)
GTY263679Courtesy of © TOYOTA, LICENSE AGREEMENT TMS1002
Fig 5: Identifying ECM System Diagram (5 Of 5)
GTY261497Courtesy of © TOYOTA, LICENSE AGREEMENT TMS1002