LEMON Manuals: Even more car manuals for everyone: 1960-2025
Home >> Lexus >> 2012 >> GX 460 >> Repair and Diagnosis (Single Page) >> Electrical >> Body Electrical >> OEM Overall Electrical Wiring Diagram >> Overall Electrical Wiring Diagram >> Audio System (17 Speaker w/LEXUS Navigation System), LEXUS Navigation System (17 Speaker), Multi-Terrain Monitor (17 Speaker w/LEXUS Navigation System), Parking Assist (Rear View Monitor and Wide-View Front & Side Monitor) (17 Speaker w/LEXUS Navigation System)
April 5, 2026: LEMON Manuals is launched! Read the announcement.

Audio System (17 Speaker w/LEXUS Navigation System), LEXUS Navigation System (17 Speaker), Multi-Terrain Monitor (17 Speaker w/LEXUS Navigation System), Parking Assist (Rear View Monitor and Wide-View Front & Side Monitor) (17 Speaker w/LEXUS Navigation System)

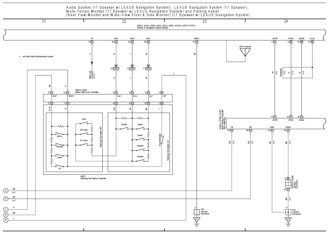
Fig 1: Audio System (17 Speaker W/LEXUS Navigation System), LEXUS Navigation System (17 Speaker), Multi-Terra In Monitor And Parking Assist (Rear View Monitor And Wide-View Front & Side Monitor) Electrical Wiring Diagram (1 Of 13)
G08931899Courtesy of © TOYOTA, LICENSE AGREEMENT TMS1002
Fig 2: Audio System (17 Speaker W/LEXUS Navigation System), LEXUS Navigation System (17 Speaker), Multi-Terra In Monitor And Parking Assist (Rear View Monitor And Wide-View Front & Side Monitor) Electrical Wiring Diagram (2 Of 13)
G08931900Courtesy of © TOYOTA, LICENSE AGREEMENT TMS1002
Fig 3: Audio System (17 Speaker W/LEXUS Navigation System), LEXUS Navigation System (17 Speaker), Multi-Terra In Monitor And Parking Assist (Rear View Monitor And Wide-View Front & Side Monitor) Electrical Wiring Diagram (3 Of 13)
G08931901Courtesy of © TOYOTA, LICENSE AGREEMENT TMS1002
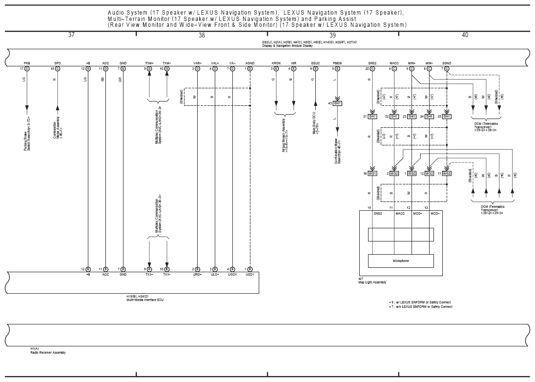
Fig 4: Audio System (17 Speaker W/LEXUS Navigation System), LEXUS Navigation System (17 Speaker), Multi-Terra In Monitor And Parking Assist (Rear View Monitor And Wide-View Front & Side Monitor) Electrical Wiring Diagram (4 Of 13)
G08931902Courtesy of © TOYOTA, LICENSE AGREEMENT TMS1002
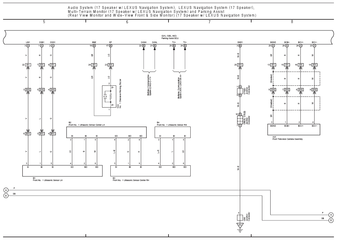
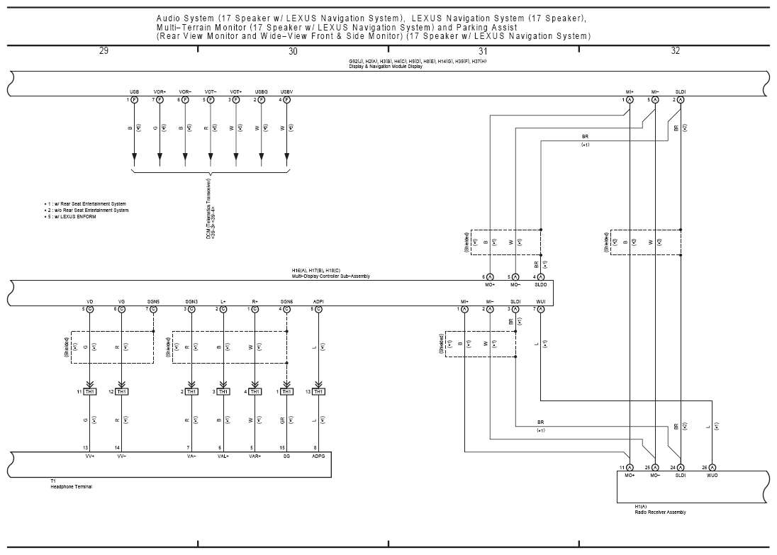
Fig 5: Audio System (17 Speaker W/LEXUS Navigation System), LEXUS Navigation System (17 Speaker), Multi-Terra In Monitor And Parking Assist (Rear View Monitor And Wide-View Front & Side Monitor) Electrical Wiring Diagram (5 Of 13)
G08931903Courtesy of © TOYOTA, LICENSE AGREEMENT TMS1002
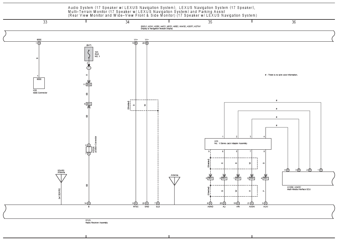
Fig 6: Audio System (17 Speaker W/LEXUS Navigation System), LEXUS Navigation System (17 Speaker), Multi-Terra In Monitor And Parking Assist (Rear View Monitor And Wide-View Front & Side Monitor) Electrical Wiring Diagram (6 Of 13)
G08931904Courtesy of © TOYOTA, LICENSE AGREEMENT TMS1002
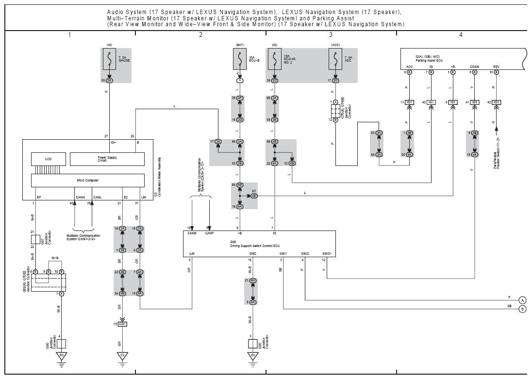
Fig 7: Audio System (17 Speaker W/LEXUS Navigation System), LEXUS Navigation System (17 Speaker), Multi-Terra In Monitor And Parking Assist (Rear View Monitor And Wide-View Front & Side Monitor) Electrical Wiring Diagram (7 Of 13)
G08931905Courtesy of © TOYOTA, LICENSE AGREEMENT TMS1002
Fig 8: Audio System (17 Speaker W/LEXUS Navigation System), LEXUS Navigation System (17 Speaker), Multi-Terra In Monitor And Parking Assist (Rear View Monitor And Wide-View Front & Side Monitor) Electrical Wiring Diagram (8 Of 13)
G08931906Courtesy of © TOYOTA, LICENSE AGREEMENT TMS1002
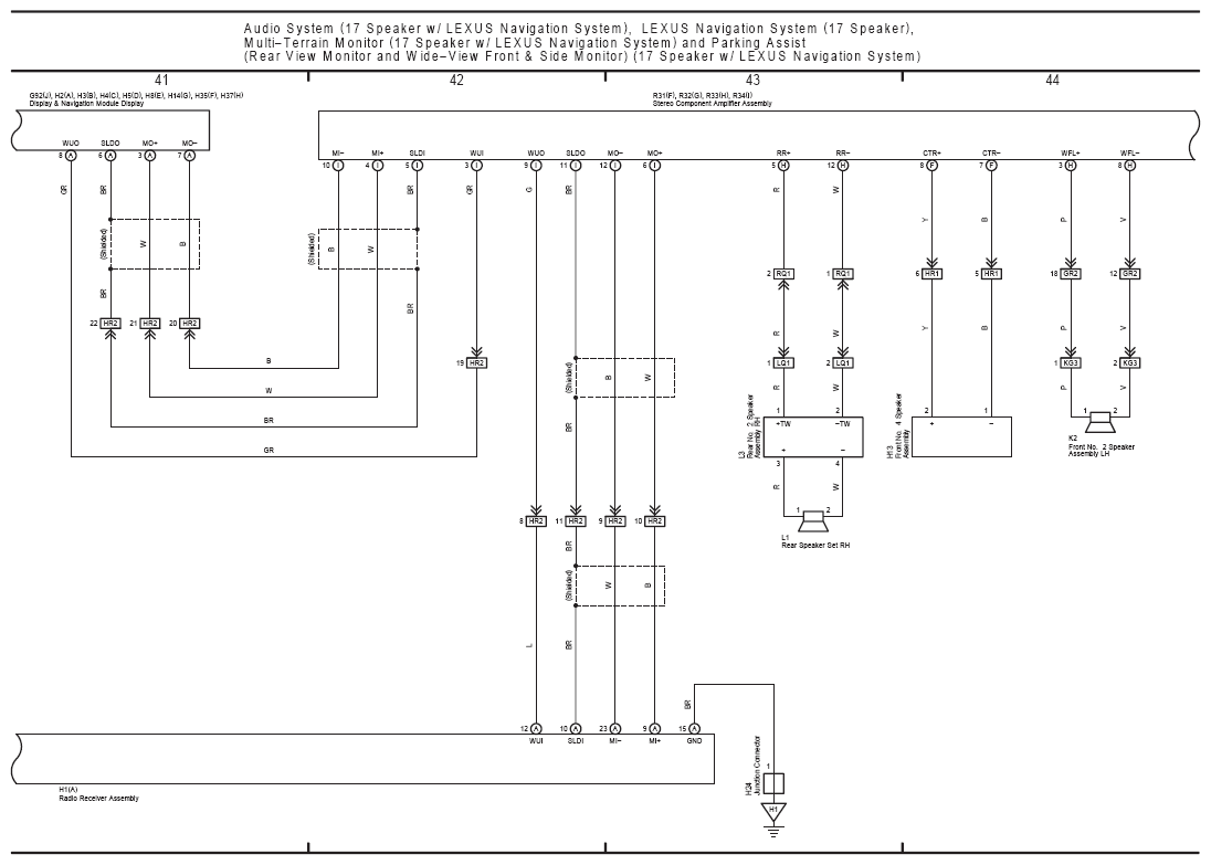
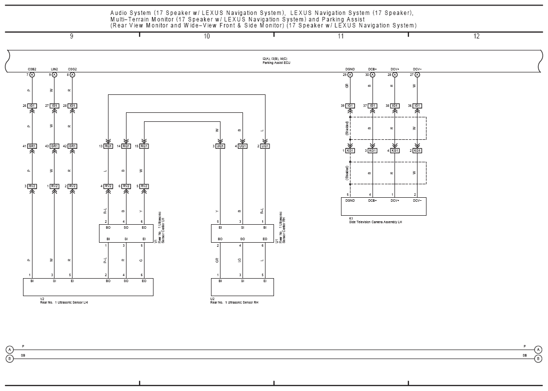
Fig 9: Audio System (17 Speaker W/LEXUS Navigation System), LEXUS Navigation System (17 Speaker), Multi-Terra In Monitor And Parking Assist (Rear View Monitor And Wide-View Front & Side Monitor) Electrical Wiring Diagram (9 Of 13)
G08931907Courtesy of © TOYOTA, LICENSE AGREEMENT TMS1002
Fig 10: Audio System (17 Speaker W/LEXUS Navigation System), LEXUS Navigation System (17 Speaker), Multi-Terra In Monitor And Parking Assist (Rear View Monitor And Wide-View Front & Side Monitor) Electrical Wiring Diagram (10 Of 13)
G08931908Courtesy of © TOYOTA, LICENSE AGREEMENT TMS1002
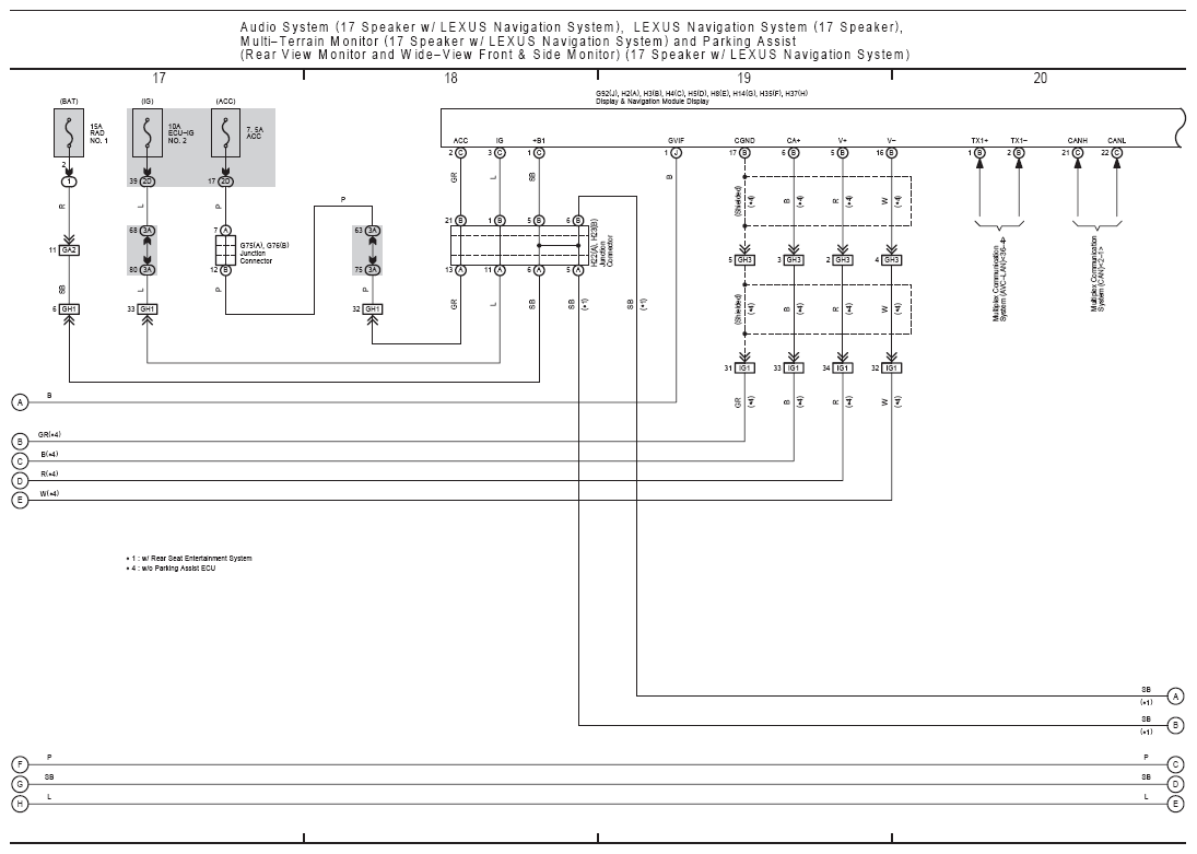
Fig 11: Audio System (17 Speaker W/LEXUS Navigation System), LEXUS Navigation System (17 Speaker), Multi-Terra In Monitor And Parking Assist (Rear View Monitor And Wide-View Front & Side Monitor) Electrical Wiring Diagram (11 Of 13)
G08931909Courtesy of © TOYOTA, LICENSE AGREEMENT TMS1002
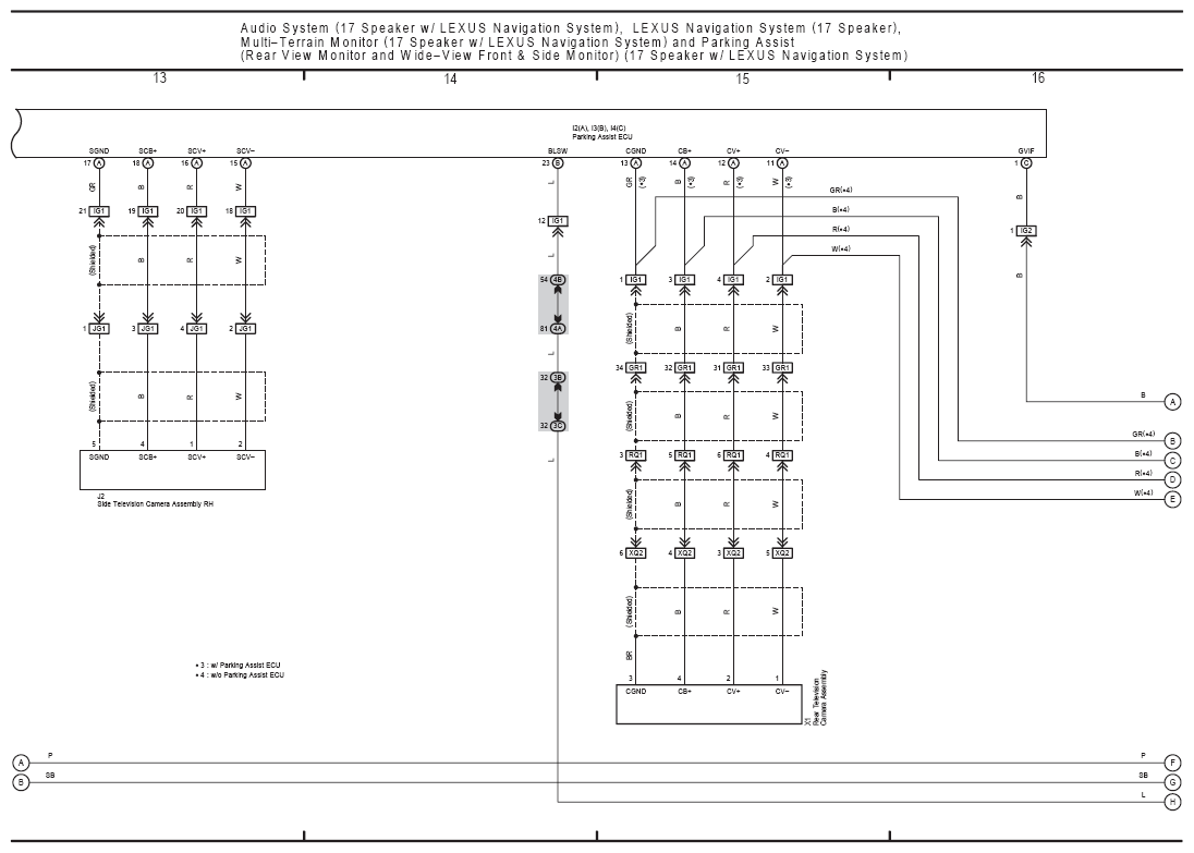
Fig 12: Audio System (17 Speaker W/LEXUS Navigation System), LEXUS Navigation System (17 Speaker), Multi-Terra In Monitor And Parking Assist (Rear View Monitor And Wide-View Front & Side Monitor) Electrical Wiring Diagram (12 Of 13)
G08931910Courtesy of © TOYOTA, LICENSE AGREEMENT TMS1002
Fig 13: Audio System (17 Speaker W/LEXUS Navigation System), LEXUS Navigation System (17 Speaker), Multi-Terra In Monitor And Parking Assist (Rear View Monitor And Wide-View Front & Side Monitor) Electrical Wiring Diagram (13 Of 13)
G08931911Courtesy of © TOYOTA, LICENSE AGREEMENT TMS1002