LEMON Manuals: Even more car manuals for everyone: 1960-2025
Home >> Lexus >> 2012 >> GX 460 >> Repair and Diagnosis (Single Page) >> Electrical >> Body Electrical >> OEM Overall Electrical Wiring Diagram >> Overall Electrical Wiring Diagram >> Audio System (9 Speaker w/LEXUS Navigation System), LEXUS Navigation System (9 Speaker), Multi-Terrain Monitor (9 Speaker w/LEXUS Navigation System), Parking Assist (Rear View Monitor and Wide-View Front & Side Monitor) (9 Speaker w/LEXUS Navigation System)
April 5, 2026: LEMON Manuals is launched! Read the announcement.

Audio System (9 Speaker w/LEXUS Navigation System), LEXUS Navigation System (9 Speaker), Multi-Terrain Monitor (9 Speaker w/LEXUS Navigation System), Parking Assist (Rear View Monitor and Wide-View Front & Side Monitor) (9 Speaker w/LEXUS Navigation System)

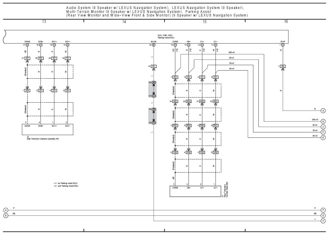
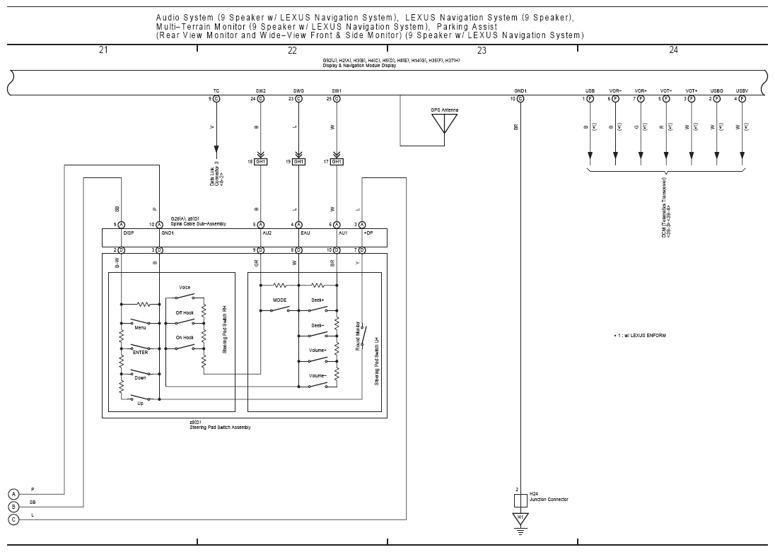
Fig 1: Audio System (9 Speaker W/LEXUS Navigation System), LEXUS Navigation System (9 Speaker), Multi-Terra In Monitor, Parking Assist (Rear View Monitor And Wide-View Front & Side Monitor) Electrical Wiring Diagram (1 Of 11)
G08931912Courtesy of © TOYOTA, LICENSE AGREEMENT TMS1002
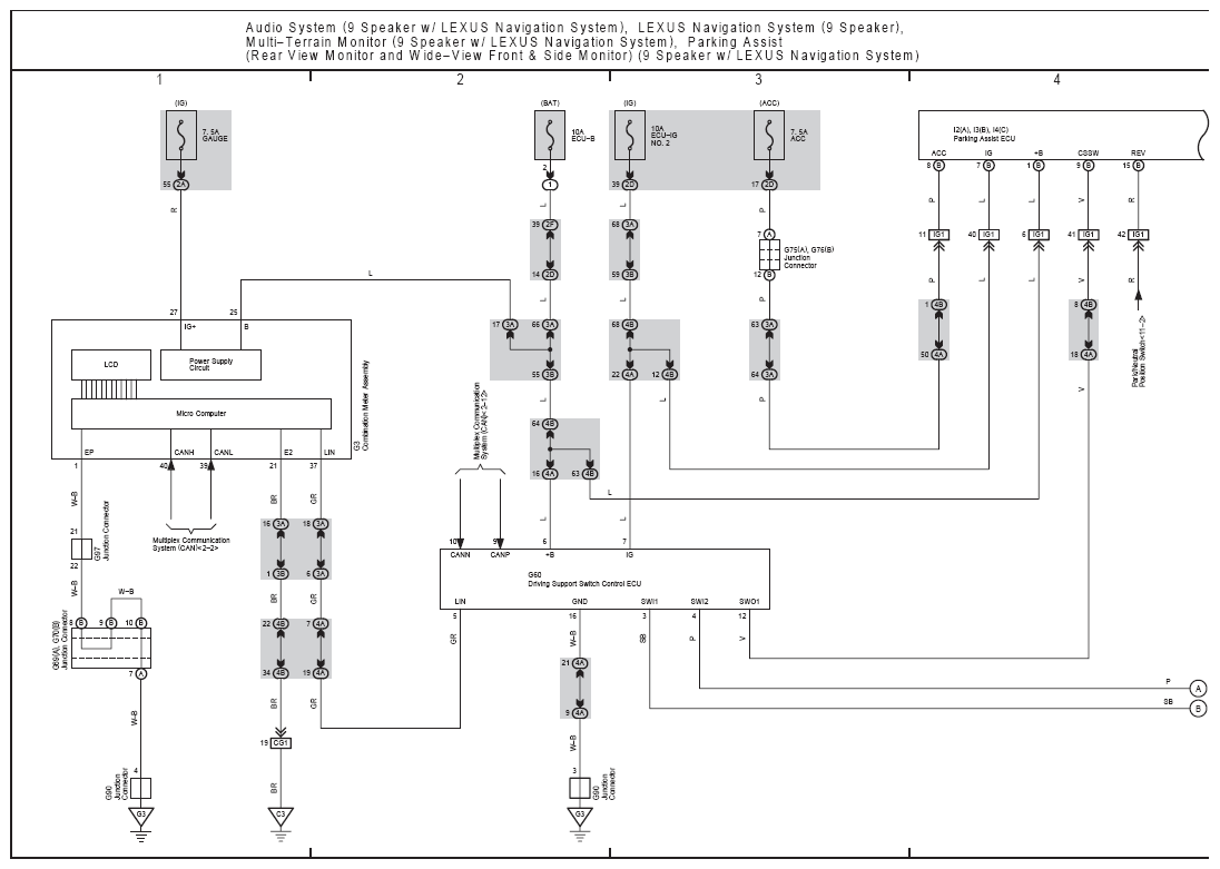
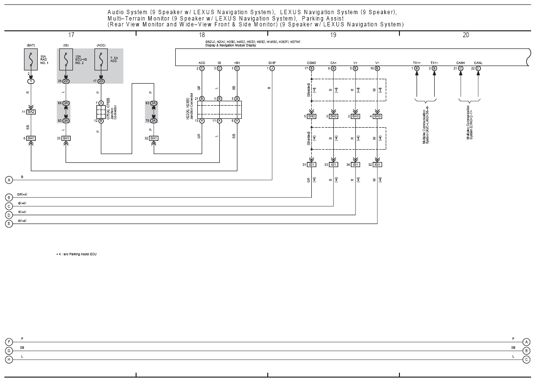
Fig 2: Audio System (9 Speaker W/LEXUS Navigation System), LEXUS Navigation System (9 Speaker), Multi-Terra In Monitor, Parking Assist (Rear View Monitor And Wide-View Front & Side Monitor) Electrical Wiring Diagram (2 Of 11)
G08931913Courtesy of © TOYOTA, LICENSE AGREEMENT TMS1002
Fig 3: Audio System (9 Speaker W/LEXUS Navigation System), LEXUS Navigation System (9 Speaker), Multi-Terra In Monitor, Parking Assist (Rear View Monitor And Wide-View Front & Side Monitor) Electrical Wiring Diagram (3 Of 11)
G08931914Courtesy of © TOYOTA, LICENSE AGREEMENT TMS1002
Fig 4: Audio System (9 Speaker W/LEXUS Navigation System), LEXUS Navigation System (9 Speaker), Multi-Terra In Monitor, Parking Assist (Rear View Monitor And Wide-View Front & Side Monitor) Electrical Wiring Diagram (4 Of 11)
G08931915Courtesy of © TOYOTA, LICENSE AGREEMENT TMS1002
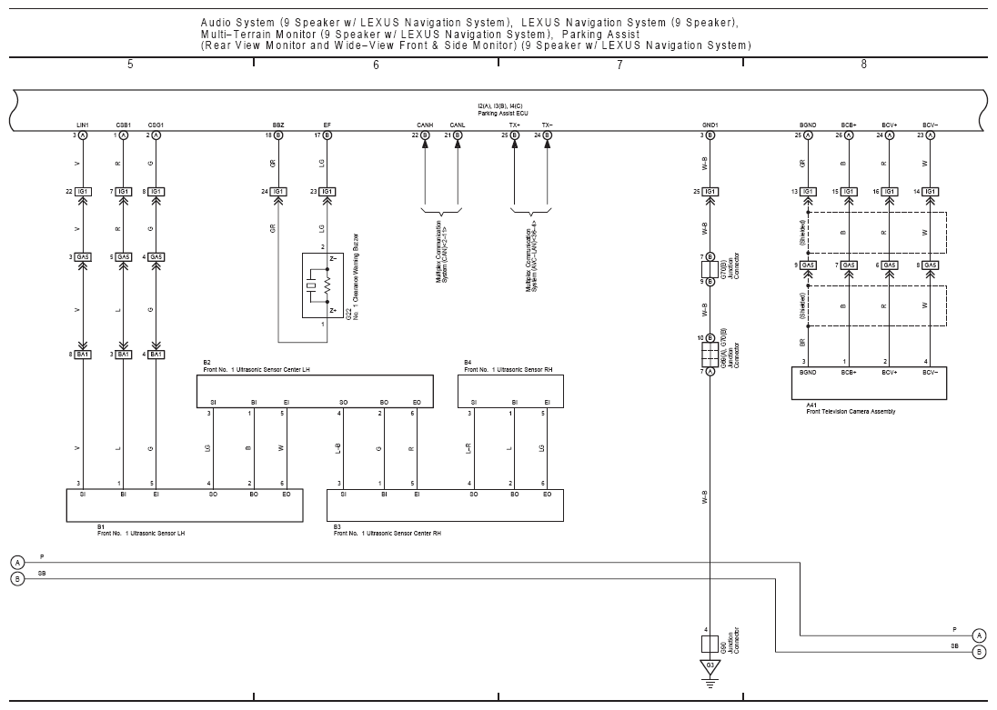
Fig 5: Audio System (9 Speaker W/LEXUS Navigation System), LEXUS Navigation System (9 Speaker), Multi-Terra In Monitor, Parking Assist (Rear View Monitor And Wide-View Front & Side Monitor) Electrical Wiring Diagram (5 Of 11)
G08931916Courtesy of © TOYOTA, LICENSE AGREEMENT TMS1002
Fig 6: Audio System (9 Speaker W/LEXUS Navigation System), LEXUS Navigation System (9 Speaker), Multi-Terra In Monitor, Parking Assist (Rear View Monitor And Wide-View Front & Side Monitor) Electrical Wiring Diagram (6 Of 11)
G08931917Courtesy of © TOYOTA, LICENSE AGREEMENT TMS1002
Fig 7: Audio System (9 Speaker W/LEXUS Navigation System), LEXUS Navigation System (9 Speaker), Multi-Terra In Monitor, Parking Assist (Rear View Monitor And Wide-View Front & Side Monitor) Electrical Wiring Diagram (7 Of 11)
G08931918Courtesy of © TOYOTA, LICENSE AGREEMENT TMS1002
Fig 8: Audio System (9 Speaker W/LEXUS Navigation System), LEXUS Navigation System (9 Speaker), Multi-Terra In Monitor, Parking Assist (Rear View Monitor And Wide-View Front & Side Monitor) Electrical Wiring Diagram (8 Of 11)
G08931919Courtesy of © TOYOTA, LICENSE AGREEMENT TMS1002
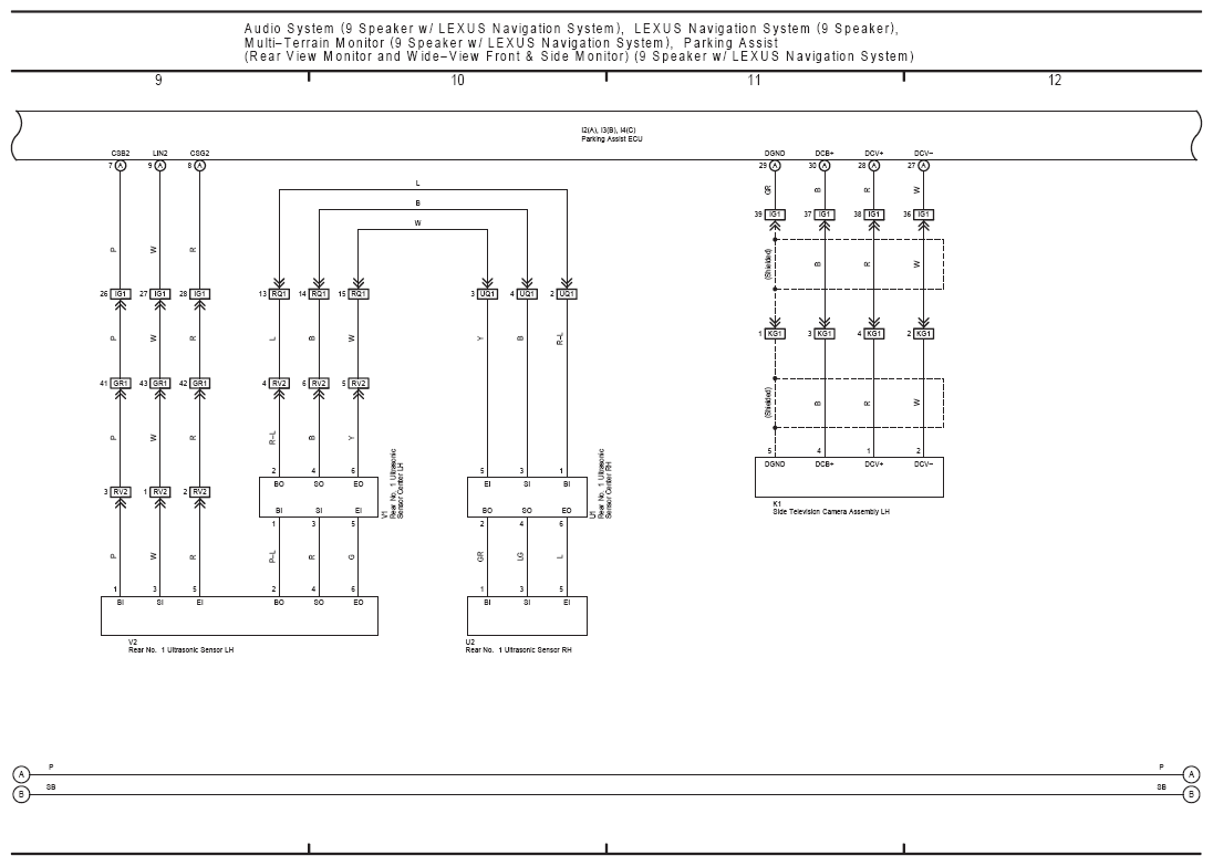
Fig 9: Audio System (9 Speaker W/LEXUS Navigation System), LEXUS Navigation System (9 Speaker), Multi-Terra In Monitor, Parking Assist (Rear View Monitor And Wide-View Front & Side Monitor) Electrical Wiring Diagram (9 Of 11)
G08931920Courtesy of © TOYOTA, LICENSE AGREEMENT TMS1002
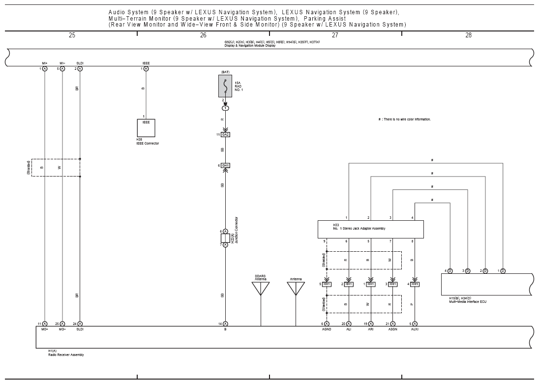
Fig 10: Audio System (9 Speaker W/LEXUS Navigation System), LEXUS Navigation System (9 Speaker), Multi-Terra In Monitor, Parking Assist (Rear View Monitor And Wide-View Front & Side Monitor) Electrical Wiring Diagram (10 Of 11)
G08931921Courtesy of © TOYOTA, LICENSE AGREEMENT TMS1002
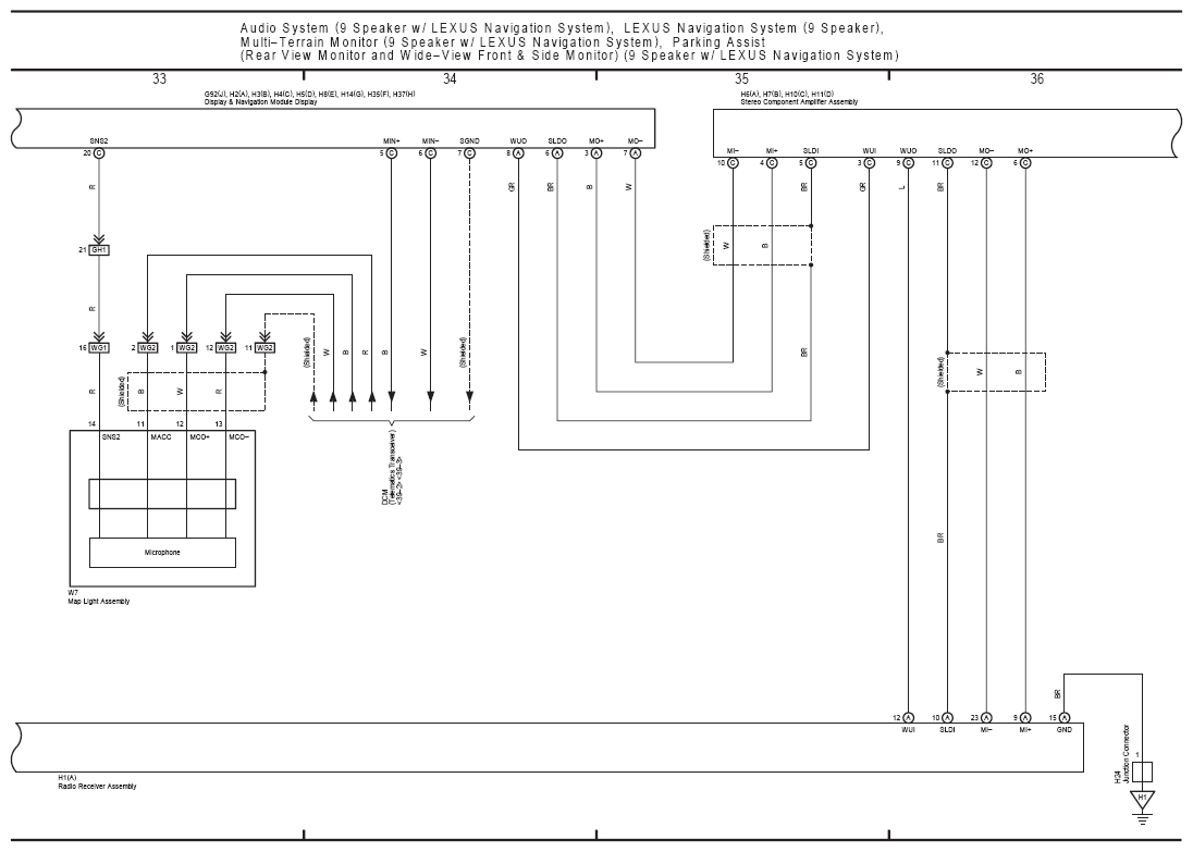
Fig 11: Audio System (9 Speaker W/LEXUS Navigation System), LEXUS Navigation System (9 Speaker), Multi-Terra In Monitor, Parking Assist (Rear View Monitor And Wide-View Front & Side Monitor) Electrical Wiring Diagram (11 Of 11)
G08931922Courtesy of © TOYOTA, LICENSE AGREEMENT TMS1002