LEMON Manuals: Even more car manuals for everyone: 1960-2025
Home >> Lexus >> 2012 >> GX 460 >> Repair and Diagnosis (Single Page) >> Electrical >> Body Electrical >> OEM System Circuits >> Audio System (17 Speaker w/LEXUS Navigation System), LEXUS Navigation System (17 Speaker), Multi-Terrain Monitor (17 Speaker w/LEXUS Navigation System) and Parking Assist (Rear View Monitor and Wide-View Front & Side Monitor) (17 Speaker w/LEXUS Navigation System) >> Notes
April 5, 2026: LEMON Manuals is launched! Read the announcement.

Audio System (17 Speaker w/LEXUS Navigation System), LEXUS Navigation System (17 Speaker), Multi-Terrain Monitor (17 Speaker w/LEXUS Navigation System) and Parking Assist (Rear View Monitor and Wide-View Front & Side Monitor) (17 Speaker w/LEXUS Navigation System): Notes

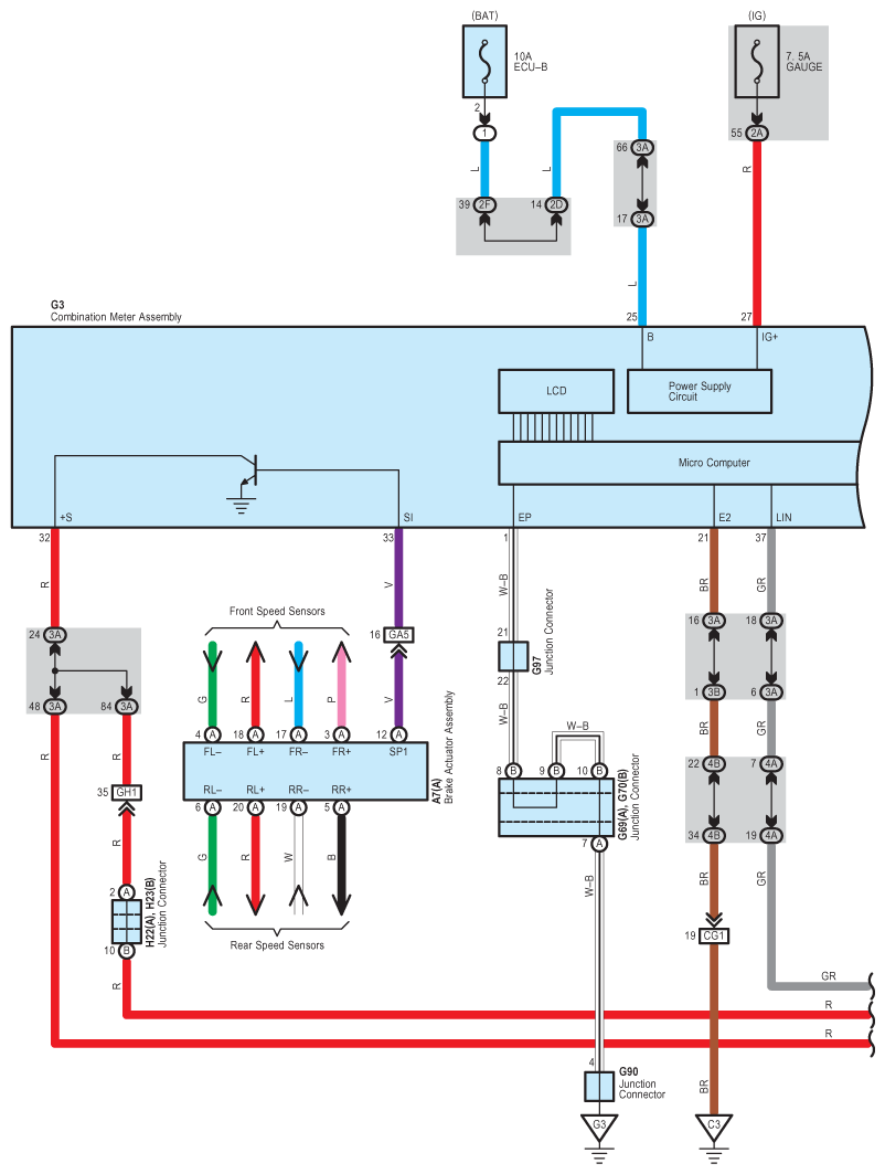
Fig 1: Audio System, Lexus Navigation System, Multi-Terrain Monitor And Parking Assist (Rear View Monitor And Wide-View Front & Side Monitor) - Wiring Diagram (1 Of 29)
G08931133Courtesy of © TOYOTA, LICENSE AGREEMENT TMS1002
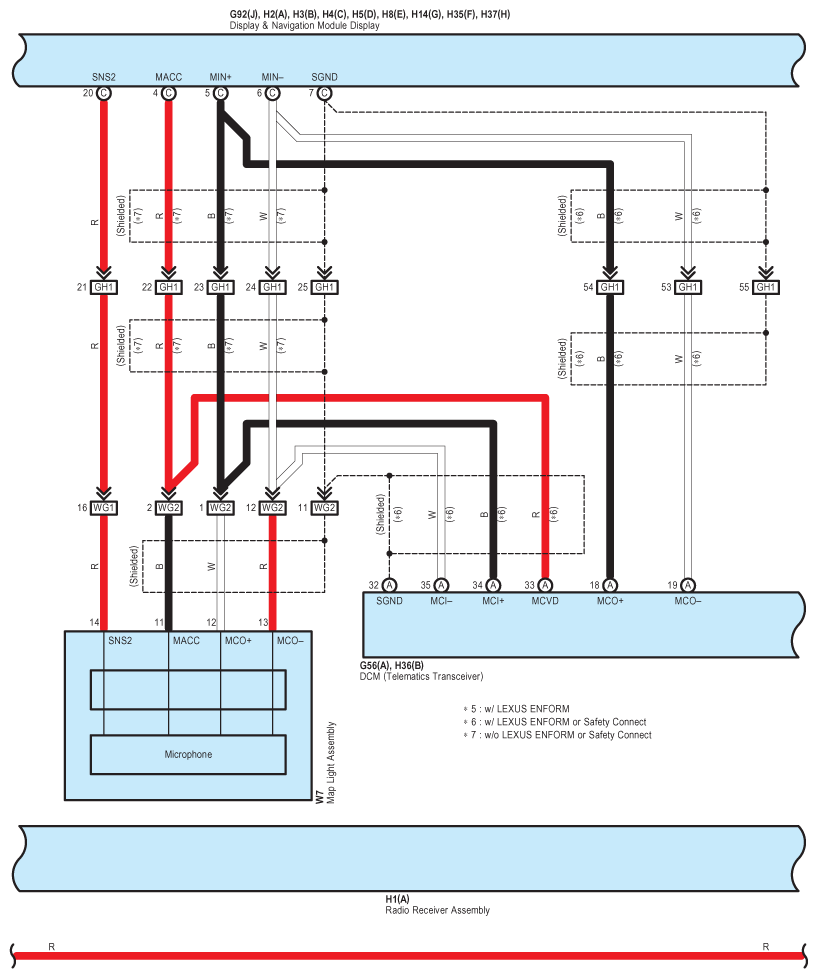
Fig 2: Audio System, Lexus Navigation System, Multi-Terrain Monitor And Parking Assist (Rear View Monitor And Wide-View Front & Side Monitor) - Wiring Diagram (2 Of 29)
G08931134Courtesy of © TOYOTA, LICENSE AGREEMENT TMS1002
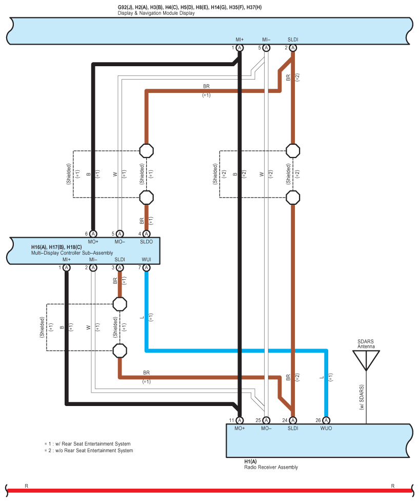
Fig 3: Audio System, Lexus Navigation System, Multi-Terrain Monitor And Parking Assist (Rear View Monitor And Wide-View Front & Side Monitor) - Wiring Diagram (3 Of 29)
G08931135Courtesy of © TOYOTA, LICENSE AGREEMENT TMS1002
Fig 4: Audio System, Lexus Navigation System, Multi-Terrain Monitor And Parking Assist (Rear View Monitor And Wide-View Front & Side Monitor) - Wiring Diagram (4 Of 29)
G08931136Courtesy of © TOYOTA, LICENSE AGREEMENT TMS1002
Fig 5: Audio System, Lexus Navigation System, Multi-Terrain Monitor And Parking Assist (Rear View Monitor And Wide-View Front & Side Monitor) - Wiring Diagram (5 Of 29)
G08931137Courtesy of © TOYOTA, LICENSE AGREEMENT TMS1002
Fig 6: Audio System, Lexus Navigation System, Multi-Terrain Monitor And Parking Assist (Rear View Monitor And Wide-View Front & Side Monitor) - Wiring Diagram (6 Of 29)
G08931138Courtesy of © TOYOTA, LICENSE AGREEMENT TMS1002
Fig 7: Audio System, Lexus Navigation System, Multi-Terrain Monitor And Parking Assist (Rear View Monitor And Wide-View Front & Side Monitor) - Wiring Diagram (7 Of 29)
G08931139Courtesy of © TOYOTA, LICENSE AGREEMENT TMS1002
Fig 8: Audio System, Lexus Navigation System, Multi-Terrain Monitor And Parking Assist (Rear View Monitor And Wide-View Front & Side Monitor) - Wiring Diagram (8 Of 29)
G08931140Courtesy of © TOYOTA, LICENSE AGREEMENT TMS1002
Fig 9: Audio System, Lexus Navigation System, Multi-Terrain Monitor And Parking Assist (Rear View Monitor And Wide-View Front & Side Monitor) - Wiring Diagram (9 Of 29)
G08931141Courtesy of © TOYOTA, LICENSE AGREEMENT TMS1002
Fig 10: Audio System, Lexus Navigation System, Multi-Terrain Monitor And Parking Assist (Rear View Monitor And Wide-View Front & Side Monitor) - Wiring Diagram (10 Of 29)
G08931142Courtesy of © TOYOTA, LICENSE AGREEMENT TMS1002
Fig 11: Audio System, Lexus Navigation System, Multi-Terrain Monitor And Parking Assist (Rear View Monitor And Wide-View Front & Side Monitor) - Wiring Diagram (11 Of 29)
G08931143Courtesy of © TOYOTA, LICENSE AGREEMENT TMS1002
Fig 12: Audio System, Lexus Navigation System, Multi-Terrain Monitor And Parking Assist (Rear View Monitor And Wide-View Front & Side Monitor) - Wiring Diagram (12 Of 29)
G08931144Courtesy of © TOYOTA, LICENSE AGREEMENT TMS1002
Fig 13: Audio System, Lexus Navigation System, Multi-Terrain Monitor And Parking Assist (Rear View Monitor And Wide-View Front & Side Monitor) - Wiring Diagram (13 Of 29)
G08931145Courtesy of © TOYOTA, LICENSE AGREEMENT TMS1002
Fig 14: Audio System, Lexus Navigation System, Multi-Terrain Monitor And Parking Assist (Rear View Monitor And Wide-View Front & Side Monitor) - Wiring Diagram (14 Of 29)
G08931146Courtesy of © TOYOTA, LICENSE AGREEMENT TMS1002
Fig 15: Audio System, Lexus Navigation System, Multi-Terrain Monitor And Parking Assist (Rear View Monitor And Wide-View Front & Side Monitor) - Wiring Diagram (15 Of 29)
G08931147Courtesy of © TOYOTA, LICENSE AGREEMENT TMS1002
Fig 16: Audio System, Lexus Navigation System, Multi-Terrain Monitor And Parking Assist (Rear View Monitor And Wide-View Front & Side Monitor) - Wiring Diagram (16 Of 29)
G08931148Courtesy of © TOYOTA, LICENSE AGREEMENT TMS1002
Fig 17: Audio System, Lexus Navigation System, Multi-Terrain Monitor And Parking Assist (Rear View Monitor And Wide-View Front & Side Monitor) - Wiring Diagram (17 Of 29)
G08931149Courtesy of © TOYOTA, LICENSE AGREEMENT TMS1002
Fig 18: Audio System, Lexus Navigation System, Multi-Terrain Monitor And Parking Assist (Rear View Monitor And Wide-View Front & Side Monitor) - Wiring Diagram (18 Of 29)
G08931150Courtesy of © TOYOTA, LICENSE AGREEMENT TMS1002
Fig 19: Audio System, Lexus Navigation System, Multi-Terrain Monitor And Parking Assist (Rear View Monitor And Wide-View Front & Side Monitor) - Wiring Diagram (19 Of 29)
G08931151Courtesy of © TOYOTA, LICENSE AGREEMENT TMS1002
Fig 20: Audio System, Lexus Navigation System, Multi-Terrain Monitor And Parking Assist (Rear View Monitor And Wide-View Front & Side Monitor) - Wiring Diagram (20 Of 29)
G08931152Courtesy of © TOYOTA, LICENSE AGREEMENT TMS1002
Fig 21: Audio System, Lexus Navigation System, Multi-Terrain Monitor And Parking Assist (Rear View Monitor And Wide-View Front & Side Monitor) - Wiring Diagram (21 Of 29)
G08931153Courtesy of © TOYOTA, LICENSE AGREEMENT TMS1002
Fig 22: Audio System, Lexus Navigation System, Multi-Terrain Monitor And Parking Assist (Rear View Monitor And Wide-View Front & Side Monitor) - Wiring Diagram (22 Of 29)
G08931154Courtesy of © TOYOTA, LICENSE AGREEMENT TMS1002
Fig 23: Audio System, Lexus Navigation System, Multi-Terrain Monitor And Parking Assist (Rear View Monitor And Wide-View Front & Side Monitor) - Wiring Diagram (23 Of 29)
G08931155Courtesy of © TOYOTA, LICENSE AGREEMENT TMS1002
Fig 24: Audio System, Lexus Navigation System, Multi-Terrain Monitor And Parking Assist (Rear View Monitor And Wide-View Front & Side Monitor) - Wiring Diagram (24 Of 29)
G08931156Courtesy of © TOYOTA, LICENSE AGREEMENT TMS1002
Fig 25: Audio System, Lexus Navigation System, Multi-Terrain Monitor And Parking Assist (Rear View Monitor And Wide-View Front & Side Monitor) - Wiring Diagram (25 Of 29)
G08931157Courtesy of © TOYOTA, LICENSE AGREEMENT TMS1002
Fig 26: Audio System, Lexus Navigation System, Multi-Terrain Monitor And Parking Assist (Rear View Monitor And Wide-View Front & Side Monitor) - Wiring Diagram (26 Of 29)
G08931158Courtesy of © TOYOTA, LICENSE AGREEMENT TMS1002
Fig 27: Audio System, Lexus Navigation System, Multi-Terrain Monitor And Parking Assist (Rear View Monitor And Wide-View Front & Side Monitor) - Wiring Diagram (27 Of 29)
G08931159Courtesy of © TOYOTA, LICENSE AGREEMENT TMS1002
Fig 28: Audio System, Lexus Navigation System, Multi-Terrain Monitor And Parking Assist (Rear View Monitor And Wide-View Front & Side Monitor) - Wiring Diagram (28 Of 29)
G08931160Courtesy of © TOYOTA, LICENSE AGREEMENT TMS1002
Fig 29: Audio System, Lexus Navigation System, Multi-Terrain Monitor And Parking Assist (Rear View Monitor And Wide-View Front & Side Monitor) - Wiring Diagram (29 Of 29)
G08931161Courtesy of © TOYOTA, LICENSE AGREEMENT TMS1002