LEMON Manuals: Even more car manuals for everyone: 1960-2025
Home >> Lexus >> 2012 >> GX 460 >> Repair and Diagnosis (Single Page) >> Electrical >> Body Electrical >> OEM System Circuits >> Audio System (9 Speaker w/LEXUS Navigation System), LEXUS Navigation System (9 Speaker), Multi-Terrain Monitor (9 Speaker w/LEXUS Navigation System) and Parking Assist (Rear View Monitor and Wide-View Front & Side Monitor) (9 Speaker w/LEXUS Navigation System) >> Notes
April 5, 2026: LEMON Manuals is launched! Read the announcement.

Audio System (9 Speaker w/LEXUS Navigation System), LEXUS Navigation System (9 Speaker), Multi-Terrain Monitor (9 Speaker w/LEXUS Navigation System) and Parking Assist (Rear View Monitor and Wide-View Front & Side Monitor) (9 Speaker w/LEXUS Navigation System): Notes

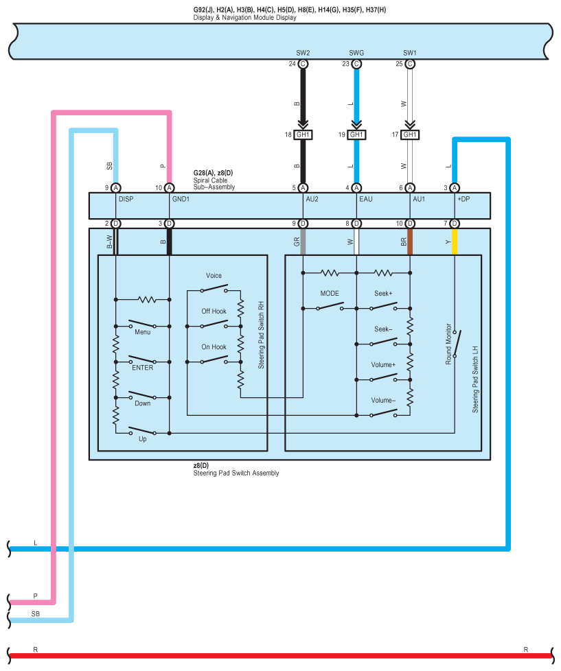
Fig 1: Audio System, Lexus Navigation System, Multi-Terrain Monitor And Parking Assist (9 Speaker W/Lexus Navigation System) - Wiring Diagram (1 Of 23)
G08931162Courtesy of © TOYOTA, LICENSE AGREEMENT TMS1002
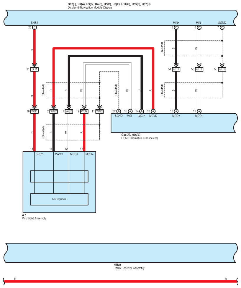
Fig 2: Audio System, Lexus Navigation System, Multi-Terrain Monitor And Parking Assist (9 Speaker W/Lexus Navigation System) - Wiring Diagram (2 Of 23)
G08931163Courtesy of © TOYOTA, LICENSE AGREEMENT TMS1002
Fig 3: Audio System, Lexus Navigation System, Multi-Terrain Monitor And Parking Assist (9 Speaker W/Lexus Navigation System) - Wiring Diagram (3 Of 23)
G08931164Courtesy of © TOYOTA, LICENSE AGREEMENT TMS1002
Fig 4: Audio System, Lexus Navigation System, Multi-Terrain Monitor And Parking Assist (9 Speaker W/Lexus Navigation System) - Wiring Diagram (4 Of 23)
G08931165Courtesy of © TOYOTA, LICENSE AGREEMENT TMS1002
Fig 5: Audio System, Lexus Navigation System, Multi-Terrain Monitor And Parking Assist (9 Speaker W/Lexus Navigation System) - Wiring Diagram (5 Of 23)
G08931166Courtesy of © TOYOTA, LICENSE AGREEMENT TMS1002
Fig 6: Audio System, Lexus Navigation System, Multi-Terrain Monitor And Parking Assist (9 Speaker W/Lexus Navigation System) - Wiring Diagram (6 Of 23)
G08931167Courtesy of © TOYOTA, LICENSE AGREEMENT TMS1002
Fig 7: Audio System, Lexus Navigation System, Multi-Terrain Monitor And Parking Assist (9 Speaker W/Lexus Navigation System) - Wiring Diagram (7 Of 23)
G08931168Courtesy of © TOYOTA, LICENSE AGREEMENT TMS1002
Fig 8: Audio System, Lexus Navigation System, Multi-Terrain Monitor And Parking Assist (9 Speaker W/Lexus Navigation System) - Wiring Diagram (8 Of 23)
G08931169Courtesy of © TOYOTA, LICENSE AGREEMENT TMS1002
Fig 9: Audio System, Lexus Navigation System, Multi-Terrain Monitor And Parking Assist (9 Speaker W/Lexus Navigation System) - Wiring Diagram (9 Of 23)
G08931170Courtesy of © TOYOTA, LICENSE AGREEMENT TMS1002
Fig 10: Audio System, Lexus Navigation System, Multi-Terrain Monitor And Parking Assist (9 Speaker W/Lexus Navigation System) - Wiring Diagram (10 Of 23)
G08931171Courtesy of © TOYOTA, LICENSE AGREEMENT TMS1002
Fig 11: Audio System, Lexus Navigation System, Multi-Terrain Monitor And Parking Assist (9 Speaker W/Lexus Navigation System) - Wiring Diagram (11 Of 23)
G08931172Courtesy of © TOYOTA, LICENSE AGREEMENT TMS1002
Fig 12: Audio System, Lexus Navigation System, Multi-Terrain Monitor And Parking Assist (9 Speaker W/Lexus Navigation System) - Wiring Diagram (12 Of 23)
G08931173Courtesy of © TOYOTA, LICENSE AGREEMENT TMS1002
Fig 13: Audio System, Lexus Navigation System, Multi-Terrain Monitor And Parking Assist (9 Speaker W/Lexus Navigation System) - Wiring Diagram (13 Of 23)
G08931174Courtesy of © TOYOTA, LICENSE AGREEMENT TMS1002
Fig 14: Audio System, Lexus Navigation System, Multi-Terrain Monitor And Parking Assist (9 Speaker W/Lexus Navigation System) - Wiring Diagram (14 Of 23)
G08931175Courtesy of © TOYOTA, LICENSE AGREEMENT TMS1002
Fig 15: Audio System, Lexus Navigation System, Multi-Terrain Monitor And Parking Assist (9 Speaker W/Lexus Navigation System) - Wiring Diagram (15 Of 23)
G08931176Courtesy of © TOYOTA, LICENSE AGREEMENT TMS1002
Fig 16: Audio System, Lexus Navigation System, Multi-Terrain Monitor And Parking Assist (9 Speaker W/Lexus Navigation System) - Wiring Diagram (16 Of 23)
G08931177Courtesy of © TOYOTA, LICENSE AGREEMENT TMS1002
Fig 17: Audio System, Lexus Navigation System, Multi-Terrain Monitor And Parking Assist (9 Speaker W/Lexus Navigation System) - Wiring Diagram (17 Of 23)
G08931178Courtesy of © TOYOTA, LICENSE AGREEMENT TMS1002
Fig 18: Audio System, Lexus Navigation System, Multi-Terrain Monitor And Parking Assist (9 Speaker W/Lexus Navigation System) - Wiring Diagram (18 Of 23)
G08931179Courtesy of © TOYOTA, LICENSE AGREEMENT TMS1002
Fig 19: Audio System, Lexus Navigation System, Multi-Terrain Monitor And Parking Assist (9 Speaker W/Lexus Navigation System) - Wiring Diagram (19 Of 23)
G08931180Courtesy of © TOYOTA, LICENSE AGREEMENT TMS1002
Fig 20: Audio System, Lexus Navigation System, Multi-Terrain Monitor And Parking Assist (9 Speaker W/Lexus Navigation System) - Wiring Diagram (20 Of 23)
G08931181Courtesy of © TOYOTA, LICENSE AGREEMENT TMS1002
Fig 21: Audio System, Lexus Navigation System, Multi-Terrain Monitor And Parking Assist (9 Speaker W/Lexus Navigation System) - Wiring Diagram (21 Of 23)
G08931182Courtesy of © TOYOTA, LICENSE AGREEMENT TMS1002
Fig 22: Audio System, Lexus Navigation System, Multi-Terrain Monitor And Parking Assist (9 Speaker W/Lexus Navigation System) - Wiring Diagram (22 Of 23)
G08931183Courtesy of © TOYOTA, LICENSE AGREEMENT TMS1002
Fig 23: Audio System, Lexus Navigation System, Multi-Terrain Monitor And Parking Assist (9 Speaker W/Lexus Navigation System) - Wiring Diagram (23 Of 23)
G08931184Courtesy of © TOYOTA, LICENSE AGREEMENT TMS1002