LEMON Manuals: Even more car manuals for everyone: 1960-2025
Home >> Lexus >> 2012 >> IS 250 AWD V6-2.5L (4GR-FSE) >> Repair and Diagnosis >> Accessories and Optional Equipment >> Radio, Stereo, and Compact Disc >> Testing and Inspection >> Component Tests and General Diagnostics >> Audio And Visual System (w/o Navigation System without Multi-display) >> Steering Pad Switch Circuit
April 5, 2026: LEMON Manuals is launched! Read the announcement.

Steering Pad Switch Circuit





AUDIO / VISUAL: AUDIO AND VISUAL SYSTEM (w/o Navigation System without Multi-display): Steering Pad Switch Circuit
- Steering Pad Switch Circuit

DESCRIPTION

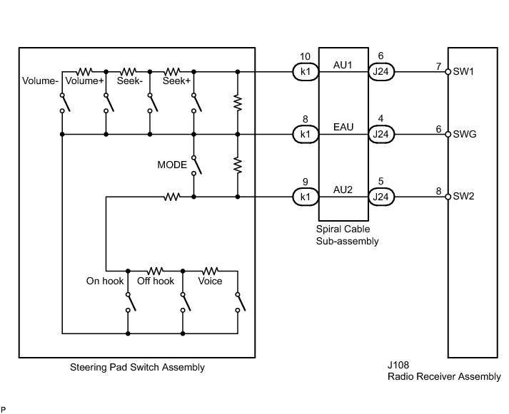
This circuit sends an operation signal from the steering pad switch assembly to the radio receiver assembly.

If there is an open in the circuit, the audio system cannot be operated using the steering pad switch assembly.

If there is a short in the circuit, the same condition as to when a switch is continuously depressed occurs.

Therefore, the radio receiver assembly cannot be operated using the steering pad switch assembly, and also the radio receiver assembly itself cannot function.

WIRING DIAGRAM





INSPECTION PROCEDURE

NOTICE:
The vehicle is equipped with an Supplemental Restraint System (SRS) which includes components such as airbags. Before servicing (including removal or installation of parts), be sure to read the precaution for Supplemental Restraint System Service Precautions.

PROCEDURE

1. INSPECT RADIO RECEIVER ASSEMBLY

(a) Disconnect the radio receiver assembly connector.





(b) Measure the resistance according to the value(s) in the table below.

Standard Resistance:





Text in Illustration





NG -- INSPECT STEERING PAD SWITCH ASSEMBLY

OK -- PROCEED TO NEXT SUSPECTED AREA SHOWN IN PROBLEM SYMPTOMS TABLE Problem Symptoms Table

2. INSPECT STEERING PAD SWITCH ASSEMBLY

(a) Disconnect the steering pad switch assembly connector.

(b) Measure the resistance according to the value(s) in the table below.





Standard Resistance:





Text in Illustration





NG -- REPLACE STEERING PAD SWITCH ASSEMBLY Removal
OK -- Continue to next step.

3. INSPECT SPIRAL CABLE SUB-ASSEMBLY

(a) Disconnect the steering pad switch assembly and spiral cable sub-assembly connectors.





(b) Measure the resistance according to the value(s) in the table below.

Standard Resistance:





NOTICE:
The spiral cable sub-assembly is an important part of the SRS airbag system. Incorrect removal or installation of the spiral cable sub-assembly may prevent the airbag from deploying. Be sure to read the pages shown in the brackets.

HINT
* Removal Removal
* Installation Installation

Text in Illustration





NG -- REPLACE SPIRAL CABLE SUB-ASSEMBLY Removal

OK -- REPAIR OR REPLACE HARNESS OR CONNECTOR (SPIRAL CABLE - RADIO RECEIVER ASSEMBLY)