LEMON Manuals: Even more car manuals for everyone: 1960-2025
Home >> Lexus >> 2012 >> IS 250C V6-2.5L (4GR-FSE) >> Repair and Diagnosis >> Accessories and Optional Equipment >> Antitheft and Alarm Systems >> Testing and Inspection >> Symptom Related Diagnostic Procedures >> Smart Access System With Push-Button Start (for Entry Function) >> Driver Side Door Entry Lock And Unlock Functions Do Not Operate
April 5, 2026: LEMON Manuals is launched! Read the announcement.

Driver Side Door Entry Lock And Unlock Functions Do Not Operate





THEFT DETERRENT / KEYLESS ENTRY: SMART ACCESS SYSTEM WITH PUSH-BUTTON START (for Entry Function): Driver Side Door Entry Lock and Unlock Functions do not Operate
- Driver Side Door Entry Lock and Unlock Functions do not Operate

DESCRIPTION

When the entry lock and unlock functions do not operate only for the driver door, an error in output request codes from the driver door or malfunction in the front door outside handle assembly is suspected. If the entry functions for the other doors operate normally, then the communication circuit between the key and door control receiver is functioning normally. In this case, radio wave interference or a malfunction in the request code sending circuit (from the certification ECU (smart key ECU assembly) to the front door outside handle assembly (for driver side)) is suspected.

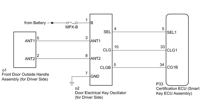
WIRING DIAGRAM





INSPECTION PROCEDURE

NOTICE:
* The smart access system with push-button start (for entry function) uses a LIN communication system and BEAN communication system. Inspect the communication function by following How to Proceed with Troubleshooting How To Proceed With Troubleshooting. Troubleshoot the smart access system with push-button start (for entry function) after confirming that the communication system is functioning properly.
* Confirm that another key is not in the cabin.

PROCEDURE

1. CHECK POWER DOOR LOCK OPERATION

(a) When the door control switch on the master switch assembly is operated, check that the doors unlock and lock according to switch operation Operation Check.

OK:

Door locks operate normally.

NG -- GO TO POWER DOOR LOCK CONTROL SYSTEM Problem Symptoms Table
OK -- Continue to next step.

2. READ VALUE USING TECHSTREAM (DOOR OUTSIDE HANDLE)

(a) Connect the Techstream to the DLC3.

(b) Turn the engine switch on (IG).

(c) Turn the Techstream on.

(d) Enter the following menus: Body Electrical / Smart Access / Data List.

(e) Read the Data List according to the display on the Techstream.

Smart Access (Certification ECU (Smart Key ECU Assembly))





OK:

On the Techstream screen, the display changes between ON and OFF according to the chart above.

NG -- REPLACE FRONT DOOR OUTSIDE HANDLE ASSEMBLY (for Driver Side) Removal
OK -- Continue to next step.

3. CHECK WAVE ENVIRONMENT

(a) Bring the key near the front door outside handle assembly (for driver side), and perform a driver door entry lock and unlock operation check.





NOTICE:
If the key is brought within 0.2 m (0.656 ft.) of the door outside handle assembly, communication is not possible.

HINT
* When pressing the lock switch and touching the touch sensor, hold the key about 1 m (3.28 ft.) above the ground and about 0.3 m (0.984 ft.) away from the vehicle as shown in the illustration.
* When the key is brought near the front door outside handle assembly (for driver side), the possibility of wave interference decreases, and it can be determined if wave interference is causing the problem symptom.
* If the operation check is normal, the possibility of wave interference is high. Also, added vehicle components may cause wave interference. If installed, remove them and perform the operation check.

OK:

Entry functions operate normally.

NG -- PERFORM KEY DIAGNOSTIC MODE INSPECTION

OK -- AFFECTED BY WAVE INTERFERENCE

4. PERFORM KEY DIAGNOSTIC MODE INSPECTION

(a) Diagnostic mode inspection (door electrical key oscillator (for driver side))





(1) Connect the Techstream to the DLC3.

(2) Turn the engine switch on (IG).

(3) Turn the Techstream on.

(4) Enter the following menus: Body Electrical / Smart Access / Utility / Communication Check (Key Diag Mode) / Overhead + Driver Side.

(5) When the key is in the position shown in the illustration, check that the wireless door lock buzzer sounds.

HINT
* Hold the key at the same height as the door outside handle (0.7 to 1.0 m (2.30 to 3.28 ft.)). Make sure that the direction of the key is as shown in the illustration.
* If the buzzer sounds, it can be determined that the door electrical key oscillator (for driver side) is operating normally.

OK:

Wireless door lock buzzer sounds.

NG -- CHECK HARNESS AND CONNECTOR (CERTIFICATION ECU - DOOR ELECTRICAL KEY OSCILLATOR)

OK -- REPLACE CERTIFICATION ECU (SMART KEY ECU ASSEMBLY) Removal

5. CHECK HARNESS AND CONNECTOR (CERTIFICATION ECU - DOOR ELECTRICAL KEY OSCILLATOR)

(a) Disconnect the certification ECU (smart key ECU assembly) connector.

(b) Disconnect the door electrical key oscillator (for driver side) connector.





(c) Measure the resistance according to the value(s) in the table below.

Standard Resistance:





Text in Illustration





NG -- REPAIR OR REPLACE HARNESS OR CONNECTOR
OK -- Continue to next step.

6. CHECK HARNESS AND CONNECTOR (DOOR ELECTRICAL KEY OSCILLATOR - FRONT DOOR OUTSIDE HANDLE)

(a) Disconnect the front door outside handle assembly (for driver side) connector.





(b) Measure the resistance according to the value(s) in the table below.

Standard Resistance:





Text in Illustration





NG -- REPAIR OR REPLACE HARNESS OR CONNECTOR
OK -- Continue to next step.

7. INSPECT FUSE (MPX-B)

(a) Remove the MPX-B fuse from the No. 1 engine room junction block.

(b) Measure the resistance according to the value(s) in the table below.

Standard Resistance:





NG -- REPLACE FUSE (MPX-B)
OK -- Continue to next step.

8. CHECK HARNESS AND CONNECTOR (DOOR ELECTRICAL KEY OSCILLATOR - BATTERY AND BODY GROUND)

(a) Measure the voltage according to the value(s) in the table below.





Standard Voltage:





Text in Illustration





NG -- REPAIR OR REPLACE HARNESS OR CONNECTOR
OK -- Continue to next step.

9. REPLACE DOOR ELECTRICAL KEY OSCILLATOR (for Driver Side)

(a) Replace the door electrical key oscillator (for driver side) Removal.

NEXT -- Continue to next step.

10. CHECK DOOR ELECTRICAL KEY OSCILLATOR (DRIVER SIDE OPERATION)

(a) Check that the entry functions operate normally Operation Check.

OK:

Entry functions operate normally.

NG -- REPLACE FRONT DOOR OUTSIDE HANDLE ASSEMBLY (for Driver Side)

OK -- END (DOOR ELECTRICAL KEY OSCILLATOR WAS DEFECTIVE)

11. REPLACE FRONT DOOR OUTSIDE HANDLE ASSEMBLY (for Driver Side)

(a) Replace the front door outside handle assembly (for driver side) Removal.

NEXT -- Continue to next step.

12. CHECK FRONT DOOR OUTSIDE HANDLE ASSEMBLY (DRIVER SIDE OPERATION)

(a) Check that the entry functions operate normally Operation Check.

OK:

Entry functions operate normally.

NG -- REPLACE CERTIFICATION ECU (SMART KEY ECU ASSEMBLY) Removal

OK -- END (FRONT DOOR OUTSIDE HANDLE WAS DEFECTIVE)