LEMON Manuals: Even more car manuals for everyone: 1960-2025
Home >> Lexus >> 2012 >> IS 250C V6-2.5L (4GR-FSE) >> Repair and Diagnosis >> Accessories and Optional Equipment >> Antitheft and Alarm Systems >> Testing and Inspection >> Symptom Related Diagnostic Procedures >> Smart Access System With Push-Button Start (for Start Function) >> Power Source Mode Does Not Change
April 5, 2026: LEMON Manuals is launched! Read the announcement.

Power Source Mode Does Not Change





THEFT DETERRENT / KEYLESS ENTRY: SMART ACCESS SYSTEM WITH PUSH-BUTTON START (for Start Function): Power Source Mode does not Change
- Power Source Mode does not Change

DESCRIPTION

When the engine switch is pushed with the electrical key in the cabin, the power source control ECU receives signals to switch the power source mode.

HINT
To allow use of the Techstream to inspect the push-button start function when the engine switch is off, repeat opening and closing any of the doors. Opening and closing a door establishes communication between the Techstream and the power source control ECU. (Opening and closing a door can also be duplicated by operating a door courtesy light switch.)

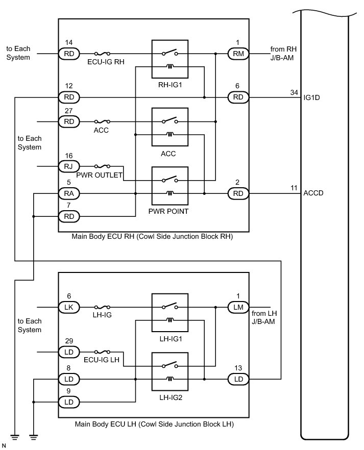
WIRING DIAGRAM









INSPECTION PROCEDURE

NOTICE:
Inspect the fuses for circuits related to this system before performing the following inspection procedure.

PROCEDURE

1. CHECK FOR DTC

(a) Connect the Techstream to the DLC3.

(b) Turn the engine switch on (IG).

(c) Check for DTCs 5 seconds after the engine switch is turned on (IG).

Result:





NG -- GO TO DIAGNOSTIC TROUBLE CODE CHART Smart Access System With Push-Button Start (for Start Function)
OK -- Continue to next step.

2. CHECK SMART ACCESS SYSTEM WITH PUSH-BUTTON START (FOR START FUNCTION)

(a) Remove the battery of the electrical key transmitter Replacement.





(b) Touch the logo side mark of the key or card key to the engine switch.

(c) Check that the engine switch can be turned on (IG).

Result:





B -- CHECK HARNESS AND CONNECTOR (POWER SOURCE CONTROL ECU - BATTERY AND BODY GROUND)

C -- CHECK HARNESS AND CONNECTOR (POWER SOURCE CONTROL ECU - BATTERY AND BODY GROUND)

D -- GO TO SMART ACCESS SYSTEM WITH PUSH-BUTTON START (ROOM OSCILLATOR DOES NOT RECOGNIZE KEY) Room Oscillator Does Not Recognize Key
A -- Continue to next step.

3. CHECK HARNESS AND CONNECTOR (POWER SOURCE CONTROL ECU - BATTERY AND BODY GROUND)

(a) Disconnect the J55 connector from the power source control ECU.





(b) Measure the voltage and resistance according to the value(s) in the table below.

Standard Voltage:





Standard Resistance:





Text in Illustration





NG -- REPAIR OR REPLACE HARNESS OR CONNECTOR (POWER SOURCE CONTROL ECU - BATTERY AND BODY GROUND)
OK -- Continue to next step.

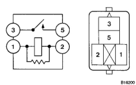
4. CHECK MAIN BODY ECU RH (COWL SIDE JUNCTION BLOCK RH)

(a) Disconnect the RD and RA connectors.





(b) Measure the resistance according to the value(s) in the table below.

Standard Resistance:





Text in Illustration





NG -- REPLACE MAIN BODY ECU RH (COWL SIDE JUNCTION BLOCK RH)
OK -- Continue to next step.

5. CHECK HARNESS AND CONNECTOR (POWER SOURCE CONTROL ECU - MAIN BODY ECU RH AND BODY GROUND)

(a) Measure the resistance according to the value(s) in the table below.





Standard Resistance:





Text in Illustration





NG -- REPAIR OR REPLACE HARNESS OR CONNECTOR (POWER SOURCE CONTROL ECU - MAIN BODY ECU RH)
OK -- Continue to next step.

6. CHECK POWER SOURCE CONTROL ECU

(a) Reconnect the J55 connector to the power source control ECU.





(b) Measure the voltage according to the value(s) in the table below.

Standard Voltage:





Text in Illustration





NG -- REPLACE POWER SOURCE CONTROL ECU Removal

OK -- REPLACE MAIN BODY ECU RH (COWL SIDE JUNCTION BLOCK RH)

7. CHECK HARNESS AND CONNECTOR (POWER SOURCE CONTROL ECU - BATTERY AND BODY GROUND)

(a) Disconnect the J55 connector from the power source control ECU.





(b) Measure the voltage and resistance according to the value(s) in the table below.

Standard Voltage:





Standard Resistance:





Text in Illustration





NG -- REPAIR OR REPLACE HARNESS OR CONNECTOR (POWER SOURCE CONTROL ECU - BATTERY AND BODY GROUND)
OK -- Continue to next step.

8. CHECK MAIN BODY ECU RH (COWL SIDE JUNCTION BLOCK RH)

(a) Disconnect the RD and RA connectors from the main body ECU RH (cowl side junction block RH).





(b) Measure the resistance according to the value(s) in the table below.

Standard Resistance:





Text in Illustration





NG -- REPLACE MAIN BODY ECU RH (COWL SIDE JUNCTION BLOCK RH)
OK -- Continue to next step.

9. CHECK MAIN BODY ECU LH (COWL SIDE JUNCTION BLOCK LH)

(a) Disconnect the LD connector.





(b) Measure the resistance according to the value(s) in the table below.

Standard Resistance:





Text in Illustration





NG -- REPLACE MAIN BODY ECU LH (COWL SIDE JUNCTION BLOCK LH)
OK -- Continue to next step.

10. INSPECT IG2 RELAY

(a) Remove the IG2 relay from the engine room relay block No. 2.





(b) Measure the resistance according to the value(s) in the table below.

Standard Resistance:





NG -- REPLACE IG2 RELAY
OK -- Continue to next step.

11. CHECK HARNESS AND CONNECTOR (POWER SOURCE CONTROL ECU - MAIN BODY ECU RH AND BODY GROUND)

(a) Disconnect the RA connector from the main body ECU RH (cowl side junction block RH).





(b) Measure the resistance according to the value(s) in the table below.

Standard Resistance:





Text in Illustration





NG -- REPAIR OR REPLACE HARNESS OR CONNECTOR (POWER SOURCE CONTROL ECU - MAIN BODY ECU RH AND BODY GROUND)
OK -- Continue to next step.

12. CHECK HARNESS AND CONNECTOR (COWL SIDE JUNCTION BLOCK RH - COWL SIDE JUNCTION BLOCK LH)

(a) Measure the resistance according to the value(s) in the table below.





Standard Resistance:





Text in Illustration





NG -- REPAIR OR REPLACE HARNESS OR CONNECTOR (COWL SIDE JUNCTION BLOCK RH - COWL SIDE JUNCTION BLOCK LH)
OK -- Continue to next step.

13. CHECK HARNESS AND CONNECTOR (POWER SOURCE CONTROL ECU - ENGINE ROOM RELAY BLOCK NO. 2)

(a) Remove the IG2 relay from the engine room relay block No. 2.





(b) Measure the resistance according to the value(s) in the table below.

Standard Resistance:





Text in Illustration





NG -- REPAIR OR REPLACE HARNESS OR CONNECTOR (POWER SOURCE CONTROL ECU - ENGINE ROOM RELAY BLOCK NO. 2))
OK -- Continue to next step.

14. CHECK POWER SOURCE CONTROL ECU

(a) Reconnect the J55 connector to the power source control ECU.





(b) Measure the voltage according to the value(s) in the table below.

Standard Voltage:





Text in Illustration





NG -- REPAIR OR REPLACE HARNESS OR CONNECTOR (POWER SOURCE CONTROL ECU - BATTERY AND BODY GROUND)

OK -- REPLACE POWER SOURCE CONTROL ECU Removal

15. CHECK HARNESS AND CONNECTOR (POWER SOURCE CONTROL ECU - BATTERY AND BODY GROUND)

(a) Disconnect the J55 connector from the power source control ECU.





(b) Measure the voltage according to the value(s) in the table below.

Standard Voltage:





Standard Resistance:





Text in Illustration





HINT
*1: Voltage is output only when the engine is cranking.

NG -- REPAIR OR REPLACE HARNESS OR CONNECTOR (POWER SOURCE CONTROL ECU - BATTERY AND BODY GROUND)
OK -- Continue to next step.

16. INSPECT ENGINE SWITCH

(a) Remove the engine switch (for 2GR-FSE: Removal, for 4GR-FSE: Removal).





(b) Measure the resistance according to the value(s) in the table below.

Standard Resistance:





Text in Illustration





Result:





B -- REPLACE ENGINE SWITCH (for 2GR-FSE) Removal

C -- REPLACE ENGINE SWITCH (for 4GR-FSE) Removal
A -- Continue to next step.

17. CHECK HARNESS AND CONNECTOR (POWER SOURCE CONTROL ECU - ENGINE SWITCH)

(a) Measure the resistance according to the value(s) in the table below.





Standard Resistance:





Text in Illustration





NG -- REPAIR OR REPLACE HARNESS OR CONNECTOR (POWER SOURCE CONTROL ECU - ENGINE SWITCH)

OK -- REPLACE POWER SOURCE CONTROL ECU Removal