LEMON Manuals: Even more car manuals for everyone: 1960-2025
Home >> Lexus >> 2012 >> IS 250C V6-2.5L (4GR-FSE) >> Repair and Diagnosis >> Accessories and Optional Equipment >> Radio, Stereo, and Compact Disc >> Testing and Inspection >> Symptom Related Diagnostic Procedures >> Audio And Visual System (w/o Navigation System without Multi-Display) >> Multi-Media Interface ECU Communication Error
April 5, 2026: LEMON Manuals is launched! Read the announcement.

Multi-Media Interface ECU Communication Error





AUDIO / VIDEO: AUDIO AND VISUAL SYSTEM (w/o Navigation System without Multi-display): Multi-media Interface ECU Communication Error
- Multi-media Interface ECU Communication Error

INSPECTION PROCEDURE

PROCEDURE

1. IDENTIFY COMPONENT SHOWN BY SUB-CODE

(a) Enter diagnostic mode.





(b) Press preset switch "2" to change to "Detailed Information Mode".

(c) Identify the component shown by the sub-code.

HINT
* "P190" set by the radio receiver assembly shown in the preceding illustration as an example.
* For details of the DTC display, refer to DTC Check/Clear Audio And Visual System (w/o Navigation System without Multi-display).

NEXT -- Continue to next step.

2. CHECK POWER SOURCE CIRCUIT OF COMPONENT SHOWN BY SUB-CODE

(a) Inspect the power source circuit of the component shown by the sub-code.

If the power source circuit is operating normally, proceed to the next step.

HINT
The satellite radio tuner is built into the radio receiver assembly. If there is a problem between the satellite radio tuner and radio receiver assembly, replace the radio receiver assembly.

Component Table





NEXT -- Continue to next step.

3. INSPECT RADIO RECEIVER ASSEMBLY

(a) Disconnect the radio receiver assembly connectors.





(b) Measure the resistance according to the value(s) in the table below.

Standard Resistance:





Text in Illustration





NG -- REPLACE RADIO RECEIVER ASSEMBLY Removal
OK -- Continue to next step.

4. CHECK HARNESS AND CONNECTOR

HINT
* Start the check from the circuit that is near the component shown by the sub-code first.
* For details of the connectors, refer to Terminals of ECU Audio and Visual System (w/o Navigation System without Multi-display).

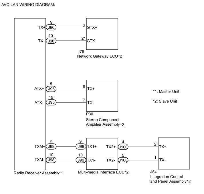
(a) Referring to the AVC-LAN wiring diagram below, check the AVC-LAN circuit between the multi-media interface ECU and component shown by the sub-code.

(1) Disconnect all connectors between the multi-media interface ECU and component shown by the sub-code.

(2) Check for an open or short in the AVC-LAN circuit between the multi-media interface ECU and component shown by the sub-code.

OK:

There is no open or short circuit.





NG -- REPAIR OR REPLACE HARNESS OR CONNECTOR
OK -- Continue to next step.

5. REPLACE COMPONENT SHOWN BY SUB-CODE

(a) Replace the component shown by the sub-code with a know good one and check if the same problem occurs again.

OK:

Malfunction disappears.

NG -- REPLACE MULTI-MEDIA INTERFACE ECU Removal

OK -- END