LEMON Manuals: Even more car manuals for everyone: 1960-2025
Home >> Lexus >> 2012 >> IS 350 Base, AWD >> Repair and Diagnosis >> Electrical >> Body Electrical >> OEM System Circuits >> Remote Control Mirror (w/Seat Position Memory) >> Notes
April 5, 2026: LEMON Manuals is launched! Read the announcement.

Remote Control Mirror (w/Seat Position Memory): Notes

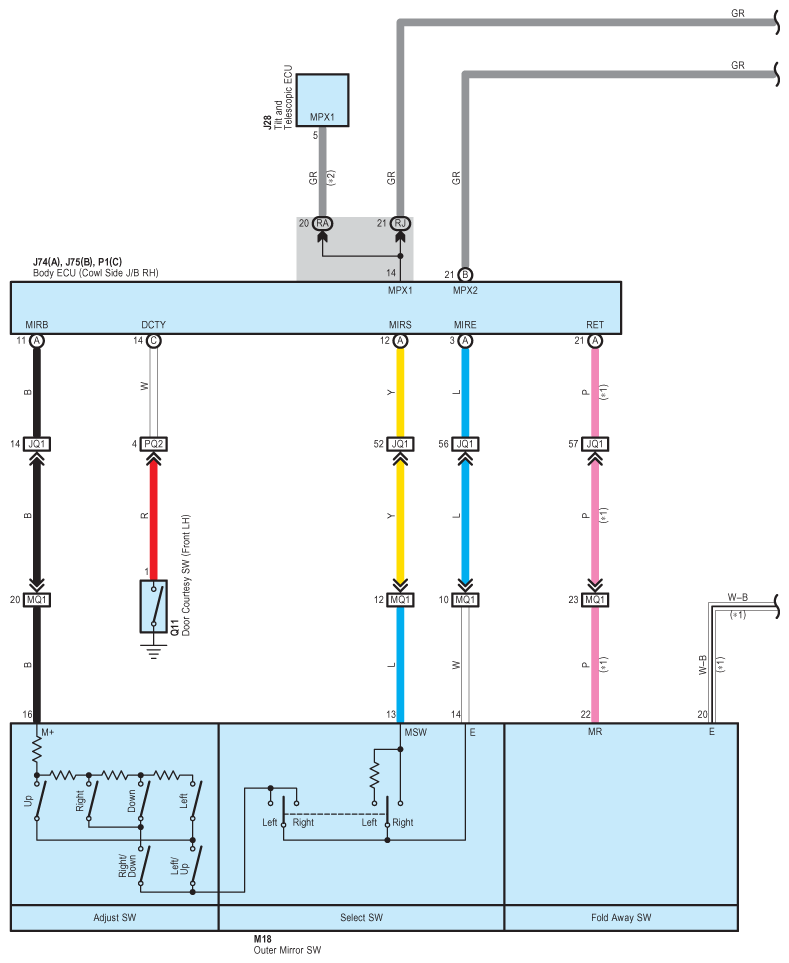
Fig 1: Remote Control Mirror (W/ Seat Position Memory) - Wiring Diagram (1 Of 7)
G08935634Courtesy of © TOYOTA, LICENSE AGREEMENT TMS1002
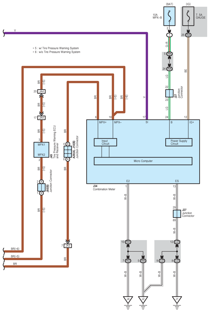
Fig 2: Remote Control Mirror (W/ Seat Position Memory) - Wiring Diagram (2 Of 7)
G08935635Courtesy of © TOYOTA, LICENSE AGREEMENT TMS1002
Fig 3: Remote Control Mirror (W/ Seat Position Memory) - Wiring Diagram (3 Of 7)
G08935636Courtesy of © TOYOTA, LICENSE AGREEMENT TMS1002
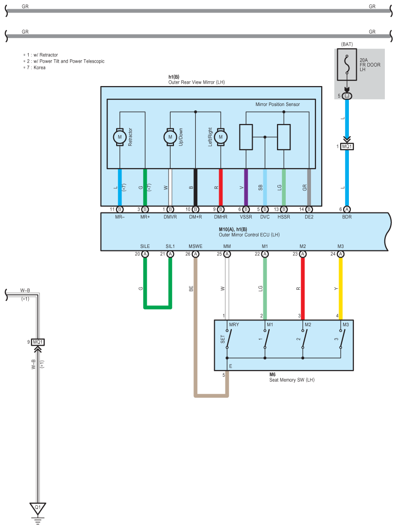
Fig 4: Remote Control Mirror (W/ Seat Position Memory) - Wiring Diagram (4 Of 7)
G08935637Courtesy of © TOYOTA, LICENSE AGREEMENT TMS1002
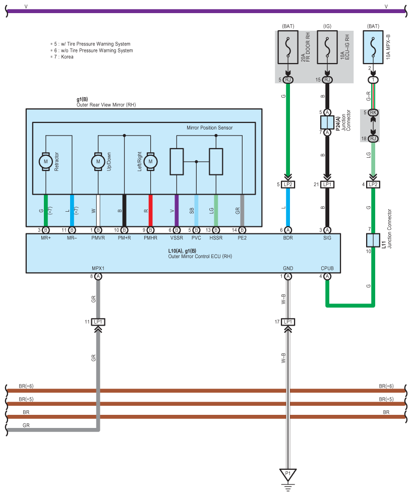
Fig 5: Remote Control Mirror (W/ Seat Position Memory) - Wiring Diagram (5 Of 7)
G08935638Courtesy of © TOYOTA, LICENSE AGREEMENT TMS1002
Fig 6: Remote Control Mirror (W/ Seat Position Memory) - Wiring Diagram (6 Of 7)
G08935639Courtesy of © TOYOTA, LICENSE AGREEMENT TMS1002
Fig 7: Remote Control Mirror (W/ Seat Position Memory) - Wiring Diagram (7 Of 7)
G08935640Courtesy of © TOYOTA, LICENSE AGREEMENT TMS1002