LEMON Manuals: Even more car manuals for everyone: 1960-2025
Home >> Lexus >> 2012 >> IS 350C >> Repair and Diagnosis >> Electrical >> Body Electrical >> OEM System Circuits >> Illumination >> Notes
April 5, 2026: LEMON Manuals is launched! Read the announcement.

OEM System Circuits: Illumination: Notes

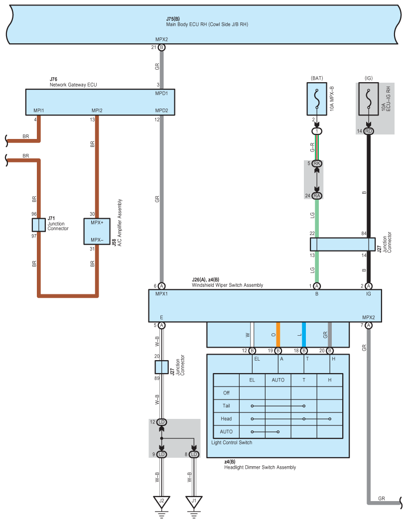
Fig 1: Illumination - Wiring Diagram (1 Of 8)
G08938651Courtesy of © TOYOTA, LICENSE AGREEMENT TMS1002
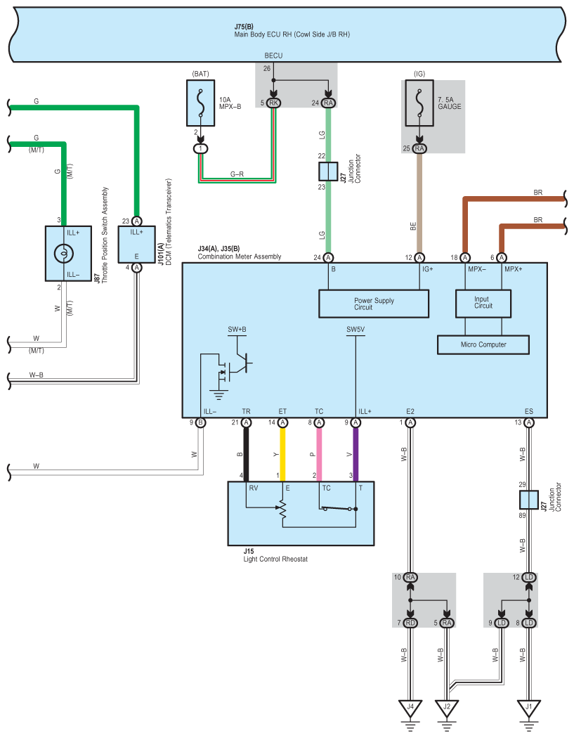
Fig 2: Illumination - Wiring Diagram (2 Of 8)
G08938652Courtesy of © TOYOTA, LICENSE AGREEMENT TMS1002
Fig 3: Illumination - Wiring Diagram (3 Of 8)
G08938653Courtesy of © TOYOTA, LICENSE AGREEMENT TMS1002
Fig 4: Illumination - Wiring Diagram (4 Of 8)
G08938654Courtesy of © TOYOTA, LICENSE AGREEMENT TMS1002
Fig 5: Illumination - Wiring Diagram (5 Of 8)
G08938655Courtesy of © TOYOTA, LICENSE AGREEMENT TMS1002
Fig 6: Illumination - Wiring Diagram (6 Of 8)
G08938656Courtesy of © TOYOTA, LICENSE AGREEMENT TMS1002
Fig 7: Illumination - Wiring Diagram (7 Of 8)
G08938657Courtesy of © TOYOTA, LICENSE AGREEMENT TMS1002
Fig 8: Illumination - Wiring Diagram (8 Of 8)
G08938658Courtesy of © TOYOTA, LICENSE AGREEMENT TMS1002