LEMON Manuals: Even more car manuals for everyone: 1960-2025
Home >> Lexus >> 2012 >> RX 350 FWD >> Repair and Diagnosis (Single Page) >> Restraints >> Air Bag, SRS >> Occupant Classification System (Diagnostic Codes & Symptom Tests) >> Occupant Classification System >> DTC B1794: Open in Occupant Classification ECU Battery Positive Line >> Wiring Diagram
April 5, 2026: LEMON Manuals is launched! Read the announcement.

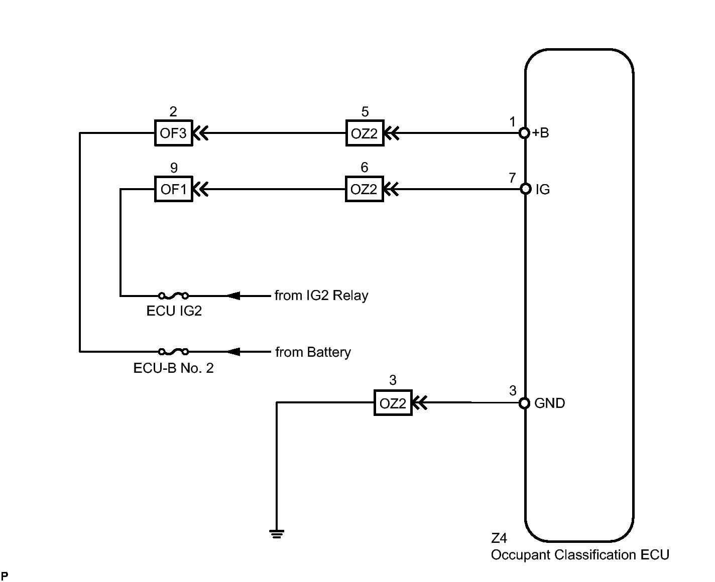
DTC B1794: Open in Occupant Classification ECU Battery Positive Line: Wiring Diagram

Fig 1: Identifying Occupant Classification ECU Battery Positive Line Wiring Diagram
GTY353354Courtesy of © TOYOTA, LICENSE AGREEMENT TMS1002