LEMON Manuals: Even more car manuals for everyone: 1960-2025
Home >> Lexus >> 2013 >> CT 200h Base >> Repair and Diagnosis (Single Page) >> Electrical >> Body Electrical >> OEM System Circuits >> Audio System (w/o LEXUS Navigation System w/Stereo Component Amplifier) >> Notes
April 5, 2026: LEMON Manuals is launched! Read the announcement.

Audio System (w/o LEXUS Navigation System w/Stereo Component Amplifier): Notes

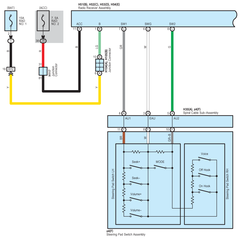
Fig 1: Audio W/O LEXUS Navigation W/Stereo Component Amplifier System Wiring Diagram (1 Of 12)
G09113805Courtesy of © TOYOTA, LICENSE AGREEMENT TMS1002
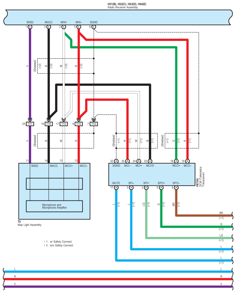
Fig 2: Audio W/O LEXUS Navigation W/Stereo Component Amplifier System Wiring Diagram (2 Of 12)
G09113806Courtesy of © TOYOTA, LICENSE AGREEMENT TMS1002
Fig 3: Audio W/O LEXUS Navigation W/Stereo Component Amplifier System Wiring Diagram (3 Of 12)
G09113807Courtesy of © TOYOTA, LICENSE AGREEMENT TMS1002
Fig 4: Audio W/O LEXUS Navigation W/Stereo Component Amplifier System Wiring Diagram (4 Of 12)
G09113808Courtesy of © TOYOTA, LICENSE AGREEMENT TMS1002
Fig 5: Audio W/O LEXUS Navigation W/Stereo Component Amplifier System Wiring Diagram (5 Of 12)
G09113809Courtesy of © TOYOTA, LICENSE AGREEMENT TMS1002
Fig 6: Audio W/O LEXUS Navigation W/Stereo Component Amplifier System Wiring Diagram (6 Of 12)
G09113810Courtesy of © TOYOTA, LICENSE AGREEMENT TMS1002
Fig 7: Audio W/O LEXUS Navigation W/Stereo Component Amplifier System Wiring Diagram (7 Of 12)
G09113811Courtesy of © TOYOTA, LICENSE AGREEMENT TMS1002
Fig 8: Audio W/O LEXUS Navigation W/Stereo Component Amplifier System Wiring Diagram (8 Of 12)
G09113812Courtesy of © TOYOTA, LICENSE AGREEMENT TMS1002
Fig 9: Audio W/O LEXUS Navigation W/Stereo Component Amplifier System Wiring Diagram (9 Of 12)
G09113813Courtesy of © TOYOTA, LICENSE AGREEMENT TMS1002
Fig 10: Audio W/O LEXUS Navigation W/Stereo Component Amplifier System Wiring Diagram (10 Of 12)
G09113814Courtesy of © TOYOTA, LICENSE AGREEMENT TMS1002
Fig 11: Audio W/O LEXUS Navigation W/Stereo Component Amplifier System Wiring Diagram (11 Of 12)
G09113815Courtesy of © TOYOTA, LICENSE AGREEMENT TMS1002
Fig 12: Audio W/O LEXUS Navigation W/Stereo Component Amplifier System Wiring Diagram (12 Of 12)
G09113816Courtesy of © TOYOTA, LICENSE AGREEMENT TMS1002